Видеокамеры Sony CCD-TR3100E - инструкция пользователя по применению, эксплуатации и установке на русском языке. Мы надеемся, она поможет вам решить возникшие у вас вопросы при эксплуатации техники.
Если остались вопросы, задайте их в комментариях после инструкции.
"Загружаем инструкцию", означает, что нужно подождать пока файл загрузится и можно будет его читать онлайн. Некоторые инструкции очень большие и время их появления зависит от вашей скорости интернета.

128
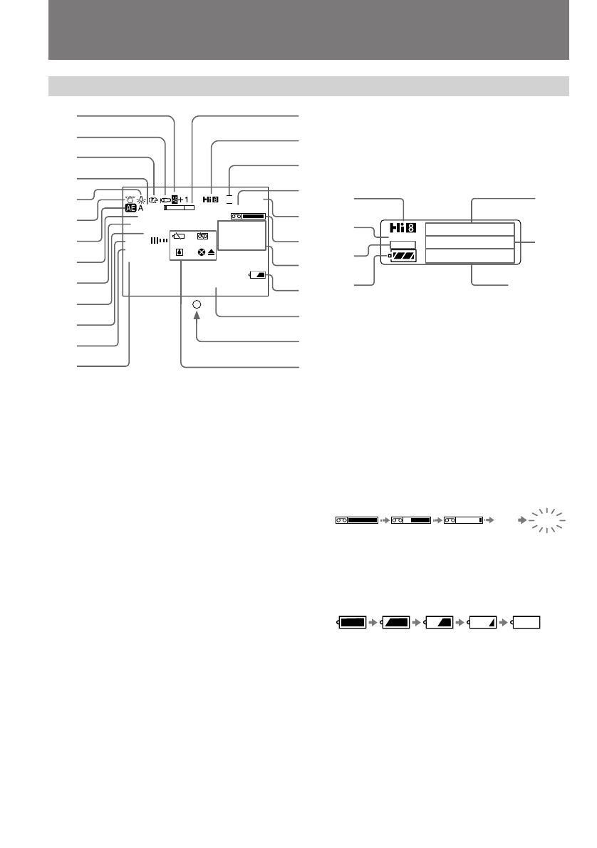
Op e r a t i o n s i n d i ca t o r s
!§
Recording/ playing back mode indicat or
(p.97)
!¶
Tape count er/ RC t ime code indicat or
(p.32, 89)
!•
St andby indicat or
(p.14)
!ª
Remaining t ape indicat or
@º
Dat e search/ Dat e scan indicat or/ TIM E
CODE W RITE indicat or/ ZERO M EM indicat or
(p.81, 83, 89)
@¡
Remaining bat t ery indicat or
(p.99)
@™
Dat e or Time indicat or
(p.35)
@£
Recording lamp/ Bat t ery lamp
(p.13)
@¢
W arning indicat ors
(p.130)
@∞
ORC indicat or
(p.58)
@§
Tape t ransport mode
(p.23, 24, 25)
1
AE Shif t indicat or
(p.76)
2
W IND indicat or
(p.32)
3
M anual f ocusing
(p.63, 64)
4
Backlight indicat or
(p.75)
5
W hit e balance indicat or
(p.77)
6
St eady Shot indicat or
(p.59)
7
PROGRAM AE indicat or
(p.64)
8
Shut t er speed indicat or
(p.66, 70, 72)
9
Iris indicat or
(p.65, 70)
0
Gain indicat or
(p.70)
!¡
Digit al Ef f ect and FADER/ OVERLAP/ W IPE
indicat or
(p.36, 38, 39, 43, 45, 47)
!™
Pict ure Ef f ect indicat or
(p.42)
!£
W ide mode indicat or
(p.51)
!¢
Zoom indicat or
(p.17)
!∞
Playing back or recording in Hi8 f ormat
(p.96)
I d e n t i f y i n g t h e Pa r t s
!∞
@∞
!§
@¡
@™
c
T
W
SP STBY
0 : 0 0 : 0 0 : 0 0
ZERO MEM
DATE
SEARCH
40min
4 7 1 9 9 6
1 0 0
F 3 . 4
3 dB
LUMI.
MOSAIC
CINEMA
SP LP
ORC
4 7 1 9 9 6
== STBY ==
AE
A
F1. 6
@§
7
,
!ª
1
2
3
4
5
6
7
8
9
0
!¡
!™
!£
!¢
!∞
!§
!•
!ª
@º
@™
@£
@¢
!¶
@¡
5min
0min
Содержание
- 2 Русский; ПРЕДУПРЕЖДЕНИЕ; En g l i sh; camcorder. With your Handycam; W ARNING; or
- 4 Оглавление
- 5 Be f o r e y o u b e g i n; in the illustrations, you can; N o t e o n TV co l o u r sy st e m s; Usi n g t h i s m a n u a l
- 6 • Do not let the camcorder get wet. Keep the
- 8 Ch a r g i n g t h e b a t t e r y p a ck; Connect the mains lead to mains.; normal charge; Ge t t i n g st a r t e d; Зарядка батарейного блока; нормальная зарядка
- 9 Ch a r g i n g t i m e; Ba t t e r y l i f e; Bat t ery pack; Время зарядки; Батарейный блок; Срок службы заряда батарейного блока; ) Приблизительное время в минутах при
- 10 To r e m o v e t h e b a t t e r y p a ck; Not es on charging t he bat t ery pack; • The CHARGE lamp will remain lit for a while; Для снятия батарейного блока; Примечания к зарядке батарейного блока; • Лампочка CHARGE остается горящей на
- 11 I n st a l l i n g t h e b a t t e r y p a ck; W hen t he NP-F930 bat t ery pack is inst alled; Установка батарейного блока; Примечание к переноске видеокамеры; BATT PUSH
- 12 Insert a cassette with the window facing out.; To e j e ct t h e ca sse t t e; and; Вставка кассеты; Для выталкивания кассеты; будут мигать в
- 13 Ba si c o p e r a t i o n s; Ca m e r a re co rd i n g; Основные операции; Снимите крышку объектива.
- 14 To st o p r e co r d i n g m o m e n t a r i l y [ a ]; St andby mode; To f o cu s t h e v i e w f i n d e r l e n s; Not e on St andby mode; Ca m e r a r e co r d i n g; режим
- 15 Not es on recording mode; Примечание к режиму записи; • Данная видеокамера записывает и; Примечание к записи; • Счетчик ленты указывает время записи
- 16 Usi n g t h e zo o m f e a t u r e; feet) away from the lens surface in the; Сторона “W”: для широкого угла съемки
- 17 Not es on digit al zoom; Примечания к цифровому трансфокатору; • Трансфокатор более, чем 21х создан в
- 19 If you w ear glasses; • Do not pick up the camcorder by the; Hi n t s f o r b e t t e r sh o o t i n g; Если Вы носите очки; • Не поднимайте видеокамеру за
- 20 Rec Review; To st o p p l a y b a ck; Поверните STANDBY вверх.; пересмотр записи; Для останова воспроизведения; Отпустите EDITSEARCH.; Снова для начала записи
- 21 to
- 22 Co n n e ct i o n s f o r p l a y b a ck; Передача сигнала; TV
- 23 Pl a y i n g b a ck a t a p e; Press; To st op playback; Usi n g t h e r e m o t e co m m a n d e r; Нажмите; Для останова воспроизведения,; Для ускоренной перемотки ленты назад,; нажмите; Для ускоренной перемотки ленты вперед,; нажмите
- 24 V a r i o u s p l a y b a ck m o d e s; To l o ca t e a sce n e ( p i ct u r e se a r ch )
- 25 To v i e w t h e p i ct u r e a t d o u b l e sp e e d; Not es on playback; Воспроизведение ленты; Для выбора воспроизводимого звука; Примечания к воспроизведению
- 26 Для отображения даты Вашей записи; Окошко дисплея
- 27 Если появляются черточки
- 28 Not e on pow er sources; Usi n g t h e m a i n s; To use the supplied AC power adaptor:; A d v a n ce d o p e r a t i o n s; Место; Примечание по источникам питания; Использование электрической сети
- 29 Usi n g a l t e r n a t i v e p o w e r so u r ce s; Not es on t he VTR/ CAM ERA lamp; • The VTR/CAMERA lamp will remain lit for a; To remove t he connect ing plat e; Usi n g a l k a l i n e b a t t e r i e s; Примечания к лампочке VTR/CAMERA; • Лампочка VTR/CAMERA будет оставаться; Для снятия соединительной пластины
- 30 Cont inuous; Not es on t he bat t ery lif e; • You may not use the battery case in cold; W hen t he bat t ery case is inst alled; Usi n g a ca r b a t t e r y; To remove t he car bat t ery charger; Срок службы батареек; Время непрерывной; Примечания к сроку службы батареек; • Вы не должны использовать батарейный; Когда батарейный футляр установлен
- 31 Press MENU to display the menu.
- 32 Ch a n g i n g t h e m o d e se t t i n g s; I t e m s f o r CA M ERA m o d e o n l y; Изменение установок режимов
- 33 ESPA
- 34 I t e m s f o r PLA Y ER m o d e o n l y; • Select ON to minimize picture deterioration; Not e on TBC set t ing; TV game or similar machine.; Примечания к установке ТВС
- 35 Not e on t he dat e or t ime indicat or; DATE
- 36 FADER
- 37 W hen t he dat e or t ime indicat or is displayed; Ov e r l a p p i n g t w o p i ct u re s
- 38 Примечания к наложению изображений; • Вы не можете использовать следующие; Not es on overlap; • You cannot use the following functions while
- 40 Not es on w ipe; W i p i n g a w a y a st i l l p i ct u r e; Примечания к вытеснению штокрокой
- 41 Se l e ct i n g p i ct u r e e f f e ct; The picture is mosaic.; The picture is sepia.; Выбор эффекта изображения; Изображение будет мозаичным.; SEPIA; Изображение будет в цвете сепия.
- 42 Press PICTURE EFFECT.; To t u r n o f f p i ct u r e e f f e ct; Not e on t he pict ure ef f ect; Нажмите PICTURE EFFECT.; Выключение эффекта изображения; Примечание к эффектам изображения
- 44 To ca n ce l st i l l m o d e; Not es on st ill mode; Re co r d i n g a st i l l p i ct u r e; Для отмены режима стоп-кадра; Примечания к режиму стоп-кадра
- 45 normal recording
- 46 To ca n ce l t h e f l a sh m o t i o n; Not es on t he f lash mot ion; • The following functions does not work during; Примечания к периодическому движению; • Следующие функции не работают во время; Наложение движущегося
- 47 To ca n ce l t h e l u m i n a n ce k e y; Not e on t he luminancekey
- 48 . The camcorder enters Standby
- 49 To ch a n g e t h e e n d p o i n t; Not e on re-recording; Для изменения конечной точки; Примечание к перезаписи
- 50 Se l e ct i n g t h e d e si r e d m o d e; CI N EM A; Выбор желаемого режима
- 51 To ca n ce l w i d e m o d e; Not es on w ide mode; • When you record in 16:9 FULL mode, the date; Usi n g t h e w i d e m o d e f u n ct i o n; Для отмены режима; Примечания к широкоформатному режиму; • При записи в режиме 16:9 FULL индикатор
- 52 To r e t u r n t o n o r m a l r e co r d i n g; Set the START/STOP MODE switch to; Not e on 5 SEC recording and; : Запись начинается когда Вы; Для продления времени записи; Примечание к записи 5 SEC и режиму
- 53 Su p e r i m p o si n g a t i t l e; Se l e ct i n g t h e l a n g u a g e; Press MENU to erase the menu display.; Наложение надписи; Выбор языка
- 54 Usi n g t i t l e s; To a d d t h e t i t l e f r o m t h e b e g i n n i n g; Not e on t it les; Для наложения надписи от начала; Примечание к надписям
- 55 To se l e ct t h e co l o u r o f t h e t i t l e; To se l e ct t h e p o si t i o n o f t h e t i t l e; Not es on select ing a t it le; • You cannot select a title while you are; Выбор цвета надписи; Примечания к выбору надписи
- 56 To e d i t a t i t l e y o u h a v e st o r e d; Inst ead of select ing
- 57 If you do not hing more t han 5 minut es; At the leftmost character position, select; M a k i n g y o u r o w n o r i g i n a l t i t l e s; Для стирания надписи; и нажмите TITLE. Не стирайте
- 58 Each t ime you insert t he casset t e; Perform the above procedures.; To see if you have perf ormed ORC; • When you set ORC TO SET, the recording on; Каждый раз, когда Вы вставляете кассету; Выполняйте вышеописанную процедуру.; Для узнавания, выполнили Вы ORC; • Когда Вы устанавливаете ORC TO SET,; ORC
- 59 indicator appears in the; Not es on t he St eady Shot f unct ion; • The Steady Shot function will not correct
- 61 Выбор режимов автоматической/ручной регулировки; Для ручной фокусировки; Используйте AE SHIFT в системе меню.; Примечание к вышеизложенным установкам; установлема в видеокамере.
- 62 Fo cu si n g m a n u a l l y; W h e n t o u se m a n u a l f o cu s; • Insufficient light; Ручная фокусировка
- 63 To r e t u r n t o a u t o f o cu s m o d e; Shoot ing in relat ively dark places; появляется в видоискателе.; Съемка в относительно темном месте
- 64 To r e co r d a v e r y d i st a n t su b j e ct; Not e on manual f ocusing; The; Для записи очень удаленного объекта; Примечание к ручной фокусировке; Индикатор; AE; Примечание к записи в режиме PROGRAM AE; A E
- 65 Turn the control dial to select
- 66 Usi n g t h e sh u t t e r p r i o r i t y m o d e
- 67 W hen shoot ing a very bright subject; To se l e ct t h e b e st sh u t t e r sp e e d; Shut t er; При съемке очень яркого объекта; Скорость
- 68 Usi n g t h e t w i l i g h t m o d e; W hen shoot ing an excessively bright subject
- 69 W h e n t o u se m a n u a l m o d e; Usi n g m a n u a l m o d e; Not e on recording in manual mode
- 70 A d j u st m e n t o f e a ch i t e m; To adjust t he apert ure; Съемка в ручном режиме; Регулировка каждой установки; Для регулировки апертуры
- 71 To adjust t he shut t er speed; To ch a n g e t h e se t t i n g; Not e on gain level; Для регулировки скорости затвора; Для изменения установки; Примечание к уровню усиления
- 72 Usi n g sl o w sh u t t e r; • Вы не можете использовать функцию
- 73 Un d e r st a n d i n g t h e e x p o su r e; To t a l EV = EV f r o m a p e r t u r e co n t r o l; Ярче; Понимание экспозиции; Общее EV = EV от регулировки апертуры; Вертикальная ось: Значение
- 74 Not es on manual adjust ment; • When recording outdoors, the brightness of a; Ti p s f o r m a n u a l a d j u st m e n t; Примечания к ручной регулировке; • Когда производится запись на улице, на; Советы по ручной регулировке
- 75 A f t e r sh o o t i n g; Not e on t he backlight f unct ion; Нажмите BACK LIGHT. Индикатор; После съемки; Примечания к функции задней подсветки
- 76 To ca n ce l t h e A E sh i f t; W hen adjust ing t he bright ness; Для отмены смещения АЕ; При регулировке яркости
- 77 Se l e ct i n g t h e a p p r o p r i a t e m o d e; On e p u sh w h i t e b a l a n ce m o d e; • Shooting with the lighting condition on the; Ou t d o o r m o d e; just before sunrise; I n d o o r m o d e; • Lighting condition changes quickly.; Выбор подходящего режима; Режим баланса белого одним
- 78 W hen t he light source changes; • When you record in automatic adjustment; Регулировка баланса белого; Когда изменяется источник света; • Когда Вы производите запись в режиме
- 79 A d j u st i n g t h e w h i t e b a l a n ce
- 81 Dat e Search; To sca n t h e b e g i n n i n g o f a l l d a y s; поиск даты; Для поиска начала определенной даты
- 82 Поиск границ записанных дат; Для останова поиска или сканирования
- 83 Возврат к предварительно; Примечания к счетчику ленты; Not es on t he t ape count er
- 85 Lo ca t i n g t h e m a r k i n g p o si t i o n; Not es on marking
- 86 To ca n ce l i n d e x sca n m o d e
- 87 To st o p i n d e x se a r ch m o d e; Not e on t he index number; Примечание к индексному номеру.
- 88 Er a si n g a n i n d e x si g n a l; Not es on erasing; Примечания к стиранию
- 89 To st o p w r i t i n g t h e RC t i m e co d e
- 91 Be f o r e e d i t i n g; Set EDIT to ON in the menu system.; Перед монтажем; Установите EDIT на ON в системе меню.
- 92 Начало монтажа; Для монтажа других сцен; Примечание к функции DISPLAY; St a r t i n g e d i t i n g; To e d i t m o r e sce n e s; Not e on t he DISPLAY f unct ion; Ed i t i n g o n t o a n o t h e r t a p e
- 93 indicator flashes in the; replace; Discard used; N o t e s o n l i t h i u m b a t t e r y; • Wipe the battery with a dry cloth to assure a; Be sure t o; A d d i t i o n a l I n f o r m a t i o n; Обязательно вставьте
- 95 To co r r e ct t h e d a t e a n d t i m e se t t i n g; Repeat the above procedure.
- 96 To ch e ck t h e p r e se t d a t e a n d t i m e; The year indicat or changes as f ollow s:; Se l e ct i n g ca sse t t e t y p e s; Примечание к индикатору времени; Выбор типа кассеты
- 97 W h e n y o u p l a y b a ck; N o t e o n A FM Hi Fi st e r e o; • You record the tape on an AFM HiFi monaural; Re co r d i n g m o d e; Playing back an NTSC-recorded t ape; • Вы записали ленту на монофоническом; Режим записи
- 98 Pr e p a r i n g t h e b a t t e r y p a ck; A l w a y s ca r r y a d d i t i o n a l b a t t e r i e s; Подготовка батарейного блока; Для экономии заряда батарейного блока
- 99 Ti p s f o r u si n g t h e b a t t e r y p a ck; indicator appears and starts; Ca u t i o n; and keep it in a cool; Предостережение; • Батарейный блок всегда разряжается,
- 100 Th e sw i t ch o n t h e b a t t e r y p a ck; , видеоаппаратура будет
- 101 также может мигать в
- 102 ) Full charge: Charging for about 1 hour after; N o t e s o n ch a r g i n g; A b r a n d -n e w b a t t e r y p a ck; блока при температуре 25; Примечания к зарядке; Совершенно новый батарейный блок
- 103 Be su r e t o o b se r v e t h e f o l l o w i n g; N o t e s o n t h e b a t t e r y ca se; Обязательно соблюдайте следующее
- 104 M o i st u r e co n d e n sa t i o n; I n si d e t h e ca m co r d e r; indicator flashes. If this; On t h e l e n s; Конденсация влаги; Внутри видеокамеры; будет; На объективе; Информация по уходу за
- 105 V i d e o h e a d cl e a n i n g; indicator and; Not e; Очистка видеоголовок; сообщение “; Примечание
- 106 To r e a t t a ch t h e e y e cu p; Caut ion; Pr e ca u t i o n s; Ca m co r d e r o p e r a t i o n; Предосторожности; Эксплуатация видеокамеры; • Эксплуатируйте видеокамеру от 7,2 В
- 107 On h a n d l i n g t a p e s; Charging; Относительно обращения с лентами; Зарядка
- 108 Ot hers; N o t e s o n d r y b a t t e r i e s; If bat t ery leakage occurred; Примечания к сухим батарейкам; Если случится протечка батареек
- 109 Po w e r so u r ce s; PAL syst em; Brazil; NTSC syst em; Источники питания; Система PAL; Бразилия; Система NTSC
- 114 Видеокамера; Питание; Признак; Проверка неисправностей; Причина и/или действия по исправлению
- 115 Работа
- 116 Изображение; Прочее
- 117 Когда мигает лампочка CHARGE; Действия по исправлению; W hen t he CHARGE lamp f lashes again; Если лампочка CHARGE мигает опять
- 119 Технические характеристики
- 121 I d e n t i f y i n g t h e Pa r t s; stands for Local Application Control Bus; Опознавание частей; означает систему канала местного
- 124 To W a t ch t h e d e m o n st r a t i o n; While holding down; Для просмотра демонстрации; Для ввода демонстрационного режима
- 125 Re m o t e Co m m a n d e r
- 126 To p r e p a r e t h e Re m o t e Co m m a n d e r; Not e on bat t ery lif e; To u se t h e Re m o t e Co m m a n d e r; Примечание к сроку службы батареек
- 127 Re m o t e co n t r o l d i r e ct i o n; Not es on t he remot e commander; • Keep the remote sensor away from strong light; A t t a ch i n g t h e sh o u l d e r st r a p; • Держите дистанционный датчик подальше; Прикрепление плечевого ремня
- 130 Wa r n i n g i n d i ca t o r s; : you can hear the beep sound when the BEEP is; : Вы можете слышать зуммерный звуковой; Лента приближается к концу.; Мигание становится быстрым.; Произошла конденсация влаги.
- 132 Sony Corporation; Алфавитный указатель; Ф – Я












