Виброплиты Huter VP-90W - инструкция пользователя по применению, эксплуатации и установке на русском языке. Мы надеемся, она поможет вам решить возникшие у вас вопросы при эксплуатации техники.
Если остались вопросы, задайте их в комментариях после инструкции.
"Загружаем инструкцию", означает, что нужно подождать пока файл загрузится и можно будет его читать онлайн. Некоторые инструкции очень большие и время их появления зависит от вашей скорости интернета.

Ред.
3
33
Для того чтобы заменить масло в вибраторе, необходимо:
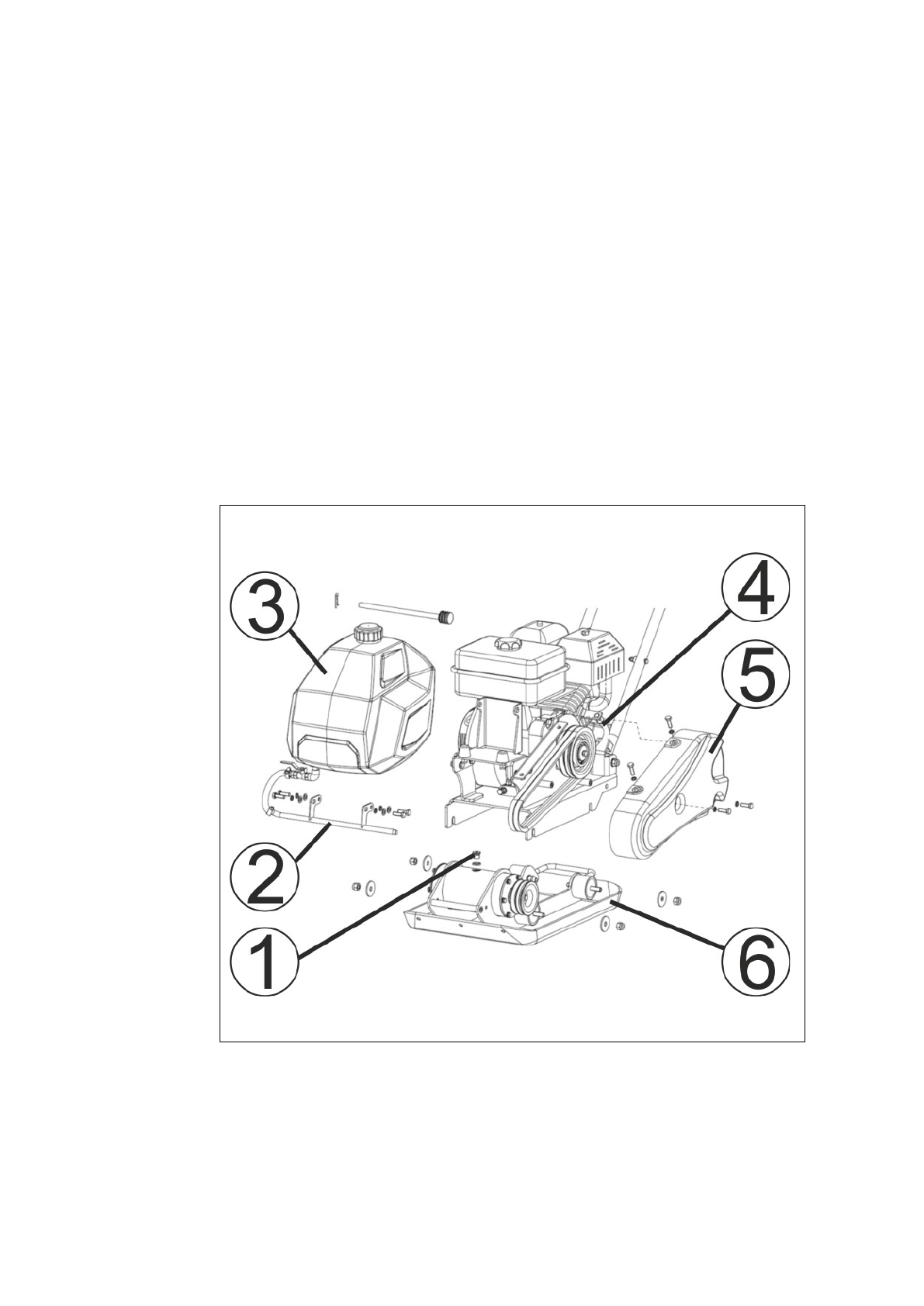
1.
Открутить болты крепления и снять кожух (5) защитных ремней
(Рис. 2
5
).
2.
Открутить болты крепления трубки подачи воды к рабочей плите
и снять трубку (2) подачи воды и бак (3) для воды.
3.
Ослабить гайки резиновых амортизаторов, соединяющих раму
(4) с двигателем и рабочую
плиту (6) (Рис. 2
5
).
4.
Снять ремни и отделить раму (4) с двигателем от рабочей плиты
(6) (Рис. 25).
5.
Очистить зону вокруг пробки отверстия для слива масла и
открутить пробку (1) отверстия для слива/заправки масла (Рис.2
5
).
6.
Наклонить
рабочую плиту (совместно с помощником,
так как
плита слишком тяжелая для одного человека) в сторону вибратора в
подготовленную для этого емкость (Рис. 26).
Рис.
25
. Снятие рыма
с двигателем.
Характеристики
Остались вопросы?Не нашли свой ответ в руководстве или возникли другие проблемы? Задайте свой вопрос в форме ниже с подробным описанием вашей ситуации, чтобы другие люди и специалисты смогли дать на него ответ. Если вы знаете как решить проблему другого человека, пожалуйста, подскажите ему :)
Здравствуйте, есть течь масла с приводного вала вибратора с круглого отверстия, находится на этом же приводном валу возле шкива, вопрос что делать, и для чего нужно это отверстие, виброплита VP-90 W