Весы Massa-K A01TB - инструкция пользователя по применению, эксплуатации и установке на русском языке. Мы надеемся, она поможет вам решить возникшие у вас вопросы при эксплуатации техники.
Если остались вопросы, задайте их в комментариях после инструкции.
"Загружаем инструкцию", означает, что нужно подождать пока файл загрузится и можно будет его читать онлайн. Некоторые инструкции очень большие и время их появления зависит от вашей скорости интернета.

6
А01/ТВ РЭ (Редакция 4.2) 2016
Взвесить первый товар и нажать кнопку
.
Значение массы суммируется в памяти. Про-
цесс суммирования сопровождается «бегущим»
сегментом на левом знакоместе индикатора.
Взвесить второй товар и нажать кнопку
.
Взвесить следующий товар и нажать кнопку
.
Для просмотра суммарной массы нажать и
удерживать кнопку
.
Для просмотра количества взвешиваний, удер-
живая кнопку
, нажать и удерживать кнопку
.
П р и м е ч а н и е
-
Максимальная сумма массы не должна превышать: для весов с
Max
2
15 и 32 кг
-
8000,00 кг; с
Max
2
60, 150, 200 и 300 кг
-
80000,0 кг; с
Max
2
6.4
Дополнительные режимы работы
600 кг
-
800000 кг
.
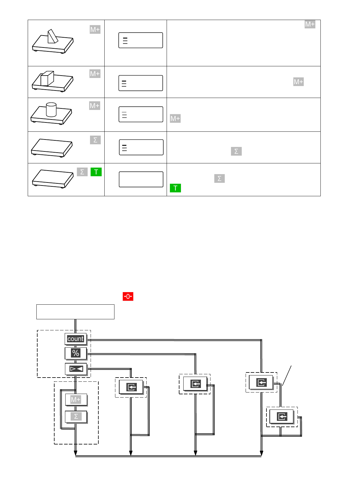
Выбор режима работы осуществляется в момент прохождения теста
индикатора после включения пи-
тания весов
,
нажатием и удержанием около 3
-
х секунд одной из 3
-
х кнопок (Рис.
6.1),
до появления
на ин-
дикаторе сообщения, соответствующего выбранному режиму:
-
счётному
- «Count»;
-
процентного взвешивания
- «Prcnt »;
-
контроля массы
- «Cntrl».
Выбранный режим сохраняется до тех пор, пока не будет выбран другой режим работы.
Для возврата в режим обычного взвешивания, необходимо выключить/включить весы и, в момент
прохождения теста
,
нажать кнопку
.
Рис.
6.1 -
Диаграмма использования клавиатуры терминала
для выбора
различных режимов работы
Выбор из памяти
массы 1
-
ой штуки
У
ст
ан
ов
ка
н
иж
не
го и
ве
рхн
его уров
не
й
У
ст
ан
ов
ка з
нач
ен
ия
ма
сс
ы
п
ри
нят
ой
за
100
%
Ре
ж
им
об
ы
чн
ого
вз
ве
ш
ив
ания
Тест
инд
ик
ат
ора
Включение питания
Режим контроля массы
(Cntrl)
Процентное взвешивание (
Prcnt)
Счетный режим (
Count)
У
ст
ан
ов
ка м
ас
сы
1
-
ой
шт
ук
и
С
ум
ми
ров
ан
ие
1
1. 3
5
9. 7 0
5. 7 5
2 6. 8 0
3