Страница 3 - СОДЕРЖАНИЕ
СОДЕРЖАНИЕ 1 УКАЗАНИЯ БЕЗОПАСНОСТИ.....................................................................................................................................4 2 ОПИСАНИЕ И РАБОТА ИЗДЕЛИЯ ..........................................................................................................
Страница 4 - УКАЗАНИЯ МЕР БЕЗОПАСНОСТИ; Для оказания первой помощи необходимо:
1 УКАЗАНИЯ МЕР БЕЗОПАСНОСТИ В целях собственной безопасности и во избежание выхода из строя аппарата запрещается: 1) самостоятельно устанавливать и запускать аппарат в работу; 2) пользоваться аппаратом при отсутствии тяги в дымоходе; 3) пользоваться неисправным аппаратом; 4) самостоятельно разбирать...
Страница 5 - ОПИСАНИЕ И РАБОТА ИЗДЕЛИЯ; Назначение изделия; Таблица 1
2 ОПИСАНИЕ И РАБОТА ИЗДЕЛИЯ 2.1 Назначение изделия 2.1.1 Аппарат водонагревательный проточный газовый бытовой VektorLux Eco, именуемый в дальнейшем «аппарат», предназначен для нагревания воды, используемой в санитарных целях (мытье посуды, стирка, купание) в квартирах, коттеджах, дачных домах. 2.1.2...
Страница 6 - Описание аппарата и назначение основных узлов
Рис. 1 . Аппарат водонагревательный проточный газовый бытовой "VEKTORLux Eco" JSD20-1/ JSD20-2/ JSD20-3 1 - облицовка; 2 - каркас; 3 - узел водогазовый; 4 - ручка регулятора водяного; 5- ручка регулятора газового; 6- электромагнитный клапан; 7- горелка с коллектором; 8- теплообменник; 9- дат...
Страница 12 - ПОРЯДОК УСТАНОВКИ; менее 8 м
3 ПОРЯДОК УСТАНОВКИ 3.1 Место установки 3.1.1 Аппарат необходимо устанавливать на кухнях или других нежилых отапливаемых помещениях в соответствии с проектом газификации и СНиП 42-01-2002. 3.1.2 Объем помещения, где устанавливается водонагреватель, должен быть не менее 8 м 3 . 3.1.3 При работе аппар...
Страница 13 - Подключение воды; Течь в; должен быть
3.2.6 Перед установкой аппарата на стену из трудновоспламеняемого материала необходимо предварительно установить изоляцию, состоящую из оцинкованного листа толщиной 0,8…1 мм по листу базальтового теплоизоляционного картона БТК толщиной 3…5 мм. Изоляция должна выступать за габариты корпуса аппарата н...
Страница 14 - Рис. 4. Требования к монтажу гибких шлангов; применять промежуточные опоры при установке длинных шлангов:
При подключении аппарата при помощи гибких рукавов необходимо соблюдать правила монтажа, которые не допускают: - скручивание шланга относительно продольной оси;- установку шланга с изгибом вблизи наконечников. Длина участка шланга у заделки, который не должен подвергаться изгибу, должна быть не мене...
Страница 15 - Таблица 3 Правила монтажа гибких шлангов; Подключение газа; Неправильно
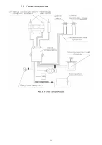
При отсутствии разряда внимательно проверить надежность монтажа системы согласно принципиальной электрической схеме соединений (см. рис. 2). Таблица 3 Правила монтажа гибких шлангов 3.4 Подключение газа 3.4.1 Для обеспечения устойчивой работы аппарата необходимо обязательно 15 Неправильно Правильно
Страница 16 - Подключение аппарата к баллону со сжиженным газом; том, что Ваш аппарат настроен на работу со сжиженным газом.; Установка дымохода для отвода продуктов сгорания; ) вверх по направлению к месту
производить подводку газовой линии металлическими трубами с внутренним диаметром не менее 13 мм или гибкими шлангами с Dу =13 мм, не менее, и длиной не более 2,5 метров. 3.4.2 При монтаже газопроводов количество разборных соединений необходимо сводить к минимуму. 3.4.3 Гибкие рукава для подвода газа...
Страница 18 - ИСПОЛЬЗОВАНИЕ АППАРАТА; Включение аппарата
4 ИСПОЛЬЗОВАНИЕ АППАРАТА Аппарат настроен на определенный вид газа, указанный в табличке на аппарате. 4.1 Включение аппарата 4.1.1 Перед включением аппарата откройте батарейный отсек и установите батарейки, соблюдая полярность; 4.1.2 Для включения аппарата необходимо: 1) открыть запорный вентиль хол...
Страница 19 - необходимо слить воду из аппарата следующим образом:; ТЕХНИЧЕСКОЕ ОБСЛУЖИВАНИЕ; Ежедневно перед включением аппарата:
4.3 Выключение аппарата на длительное время 4.3.1 По окончании пользования аппаратом (ночное время, длительное отсутствие дома и т.п.) его необходимо выключить, соблюдая следующую последовательность: - закрыть кран горячей воды; - закрыть запорный газовый кран на входе в аппарат;- закрыть запорный в...
Страница 20 - Техническое обслуживание; При техническом обслуживании выполняются следующие работы:
“языков”, указывающих на засорение коллектора и внутренних каналов секций горелок. Помните! Из-за засорения внутренних каналов секций горелки поступает недостаточное количество воздуха, необходимого для нормальной работы аппарата, что приводит к неполному сгоранию газа, которое, в свою очередь, прив...
Страница 22 - батареек и электрические контакты батарейного отсека.; Таблица 4
забилась частицами пыли из воздуха, и необходимо произвести чистку и техническое обслуживание аппарата. В нормальном случае пламя должно быть голубого цвета.Внеочередную чистку аппарата необходимо обязательно произвести и в том случае, если в помещении, где установлен аппарат, были проведены строите...
Страница 23 - 0 ПРАВИЛА ХРАНЕНИЯ; указанном на манипуляционных знаках.; 1 ГАРАНТИЙНЫЕ ОБЯЗАТЕЛЬСТВА; специальное обучение и имеющими допуск к данным видам работ.
Наименование неисправностей Вероятная причина Методы устранения Слабый напор горячей воды. Во входной фильтр попала грязьУстановлены трубы горячей воды малого сечения (внутренний диаметр менее 13 мм) Произвести чистку входного фильтраУстановить трубы нужного сечения (п.3.3.2) Пламя горелки вялое, вы...
Страница 24 - 2 СВИДЕТЕЛЬСТВО О ПРИЕМКЕ; Штамп магазина
штампом магазина о продаже в талонах на гарантийный ремонт. При отсутствии в гарантийных талонах штампа магазина с отметкой даты продажи аппарата гарантийный срок исчисляется со дня его выпуска предприятием-изготовителем. При ремонте аппарата гарантийный талон и корешок к нему заполняются работником...
Страница 25 - Техническое обслуживание проведено:
13 ОТМЕТКА ОБ УСТАНОВКЕ АППАРАТА И ПРОВЕДЕНИИ ТЕХНИЧЕСКОГО ОБСЛУЖИВАНИЯ Аппарат установлен, проверен и пущен в работу работником газового хозяйства или другой организацией, имеющей лицензию на данный вид деятельности. Юридический адрес: _________________________________________________________ Факти...
Страница 27 - ГАРАНТИЙНЫЙ ТАЛОН; ТАЛОН No1; на гарантийный ремонт водонагревателя проточного
К ор еш ок т ал он а № 1 на г ар ан ти йн ы й ре м он т из ъя т «_ __ » __ __ __ __ __ _ 20 1_ _г . С ле са рь _ __ __ __ __ __ __ __ __ по дп ис ь (ф ам ил ия р аз бо рч ив о) ГАРАНТИЙНЫЙ ТАЛОН ТАЛОН №1 на гарантийный ремонт водонагревателя проточного газового бытового VEKTORLux Eco JSD20-1/ JSD20-...
Страница 29 - ТАЛОН No2
К ор еш ок т ал он а № 2 на г ар ан ти йн ы й ре м он т из ъя т «_ __ » __ __ __ __ __ _ 20 1_ _г . С ле са рь _ __ __ __ __ __ __ __ __ по дп ис ь (ф ам ил ия р аз бо рч ив о) ГАРАНТИЙНЫЙ ТАЛОН ТАЛОН №2 на гарантийный ремонт водонагревателя проточного газового бытового VEKTORLux Eco JSD20-1/ JSD20-...
Страница 31 - ТАЛОН No3
К ор еш ок т ал он а № 3 на г ар ан ти йн ы й ре м он т из ъя т «_ __ » __ __ __ __ __ _ 20 1_ _г . С ле са рь _ __ __ __ __ __ __ __ __ по дп ис ь (ф ам ил ия р аз бо рч ив о) ГАРАНТИЙНЫЙ ТАЛОН ТАЛОН №3 на гарантийный ремонт водонагревателя проточного газового бытового VEKTORLux Eco JSD20-1/ JSD20-...