Страница 3 - СОДЕРЖАНИЕ
3 СОДЕРЖАНИЕ 1 УКАЗАНИЯ МЕР БЕЗОПАСНОСТИ .............................................................................. 4 2 ОПИСАНИЕ И РАБОТА ИЗДЕЛИЯ ................................................................................ 5 2.1 Назначение изделия ...............................................
Страница 4 - УКАЗАНИЯ МЕР БЕЗОПАСНОСТИ
4 1 УКАЗАНИЯ МЕР БЕЗОПАСНОСТИ В целях собственной безопасности и во избежание выхода из строя аппарата запрещается: а) самостоятельно устанавливать и запускать аппарат в работу; б) пользоваться аппаратом при отсутствии тяги в дымоходе; в) пользоваться неисправным аппаратом; г) самостоятельно разбира...
Страница 5 - ОПИСАНИЕ И РАБОТА ИЗДЕЛИЯ; Назначение изделия; Аппарат предназначен для работы на природном газе по ГОСТ 5542-87.; Технические характеристики; Таблица 1; работы аппарата, кПа; Состав изделия; Составные части изделия
5 2 ОПИСАНИЕ И РАБОТА ИЗДЕЛИЯ 2.1 Назначение изделия 2.1.1 Аппарат водонагревательный проточный газовый бытовой Vektor JSD20- E/JSD20-W/JSD12-W/JSD11-N, именуемый в дальнейшем «аппарат», предназначен для нагревания воды, используемой в санитарных целях (мытье посуды, стирка, купа-ние) в квартирах, к...
Страница 7 - Таблица 2. Комплект поставки; сить изменения в конструкцию и комплект поставки аппарата.
7 Рис. 1б. Аппарат водонагревательный проточный газовый бытовой VEKTOR JSD11-N 1- облицовка; 2- каркас; 3- узел водогазовый; 4- ручка регулятора водяного; 5- ручка регу-лятора газового; 6- электромагнитный клапан; 7- горелка с коллектором; 8- теплообменник; 9- датчик перегрева воды; 10- датчик по тя...
Страница 8 - Описание аппарата и назначение основных узлов
8 2.4 Описание аппарата и назначение основных узлов 2.4.1 Аппарат настенного типа имеет прямоугольную форму, образуемую съемной облицовкой 1, установленной на каркасе 2 (см. рис. 1). 2.4.2 В аппарате применена автоматическая электронная система зажигания, полу- чающая питание от двух батареек типа R...
Страница 13 - ПОРЯДОК УСТАНОВКИ; Место установки; нее 8 м; Монтаж аппарата; организации газовой службы.
13 3 ПОРЯДОК УСТАНОВКИ 3.1 Место установки 3.1.1 Аппарат необходимо устанавливать на кухнях или других нежилых отапли- ваемых помещениях в соответствии с проектом газификации и СНиП 42-01-2002. 3.1.2 Объем помещения, где устанавливается водонагреватель, должен быть не ме- нее 8 м 3 . 3.1.3 При работ...
Страница 14 - Подключение воды; нений не допускается; Правила монтажа аппарата при помощи гибких шлангов
14 та толщиной 0,8…1 мм по листу базальтового теплоизоляционного картона БТК тол-щиной 3…5 мм. Изоляция должна выступать за габариты корпуса аппарата не менее чем на 100 мм с каждой стороны. Расстояние от боковых поверхностей аппарата до трудновоспламеняемых стен без применения теплоизоляции должно ...
Страница 15 - Рис. 4. Требования к монтажу гибких шлангов
15 При подключении аппарата при помощи гибких рукавов необходимо соблюдать правила монтажа, которые не допускают: - скручивание шланга относительно продольной оси; - установку шланга с изгибом вблизи наконечников. Длина участка шланга у за- делки, который не должен подвергаться изгибу, должна быть н...
Страница 16 - Таблица 3 Правила монтажа гибких шлангов; Неправильно
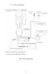
16 При отсутствии разряда внимательно проверить надежность монтажа системы со- гласно принципиальной электрической схеме соединений (см. рис. 3). Таблица 3 Правила монтажа гибких шлангов Неправильно Правильно
Страница 17 - Подключение газа; тельно установить запорный кран.; Подключение аппарата к баллону со сжиженным газом; том, что Ваш аппарат настроен на работу со сжиженным газом.; Установка дымохода для отвода продуктов сгорания (кроме мо-
17 3.4 Подключение газа 3.4.1 Для обеспечения устойчивой работы аппарата необходимо обязательно про- изводить подводку газовой линии металлическими трубами с внутренним диаметром не менее 13 мм или гибкими шлангами с Dу =13 мм, не менее, и длиной не более 2,5 метров. 3.4.2 При монтаже газопроводов к...
Страница 19 - вечать следующим требованиям:
19 3.7.3 При размещении аппарата в отдельном нежилом помещении, оно должно от- вечать следующим требованиям: а) высота не менее 2,2 м; б) объем помещения не менее 8,0 м 3 ; в) помещение должно иметь окно с форточкой (фрамугой) и вытяжной вентиля- ционный канал; г) при отсутствии вытяжного вентиляцио...
Страница 20 - ИСПОЛЬЗОВАНИЕ АППАРАТА; Включение аппарата
20 4 ИСПОЛЬЗОВАНИЕ АППАРАТА Аппарат настроен на определенный вид газа, указанный в табличке на аппарате. 4.1 Включение аппарата 4.1.1 Перед включением аппарата откройте батарейный отсек и установите бата- рейки, соблюдая полярность; 4.1.2 Для включения аппарата необходимо: а) открыть запорный вентил...
Страница 22 - ТЕХНИЧЕСКОЕ ОБСЛУЖИВАНИЕ; ми обязательствами и производятся за счет потребителя.; Осмотр; Ежедневно перед включением аппарата:; Уход
22 5 ТЕХНИЧЕСКОЕ ОБСЛУЖИВАНИЕ Для обеспечения длительной и безотказной работы аппарата и сохранения его ра- бочих характеристик необходимо регулярно проводить осмотр, уход и техническое об-служивание (см. также рекомендации на стр. 23). Для обеспечения пожаробезопасности необходимо внимательно следи...
Страница 23 - Техническое обслуживание
23 ВНИМАНИЕ! Все операции по уходу за аппаратом нужно выполнять только после его полного отключения. 5.3 Техническое обслуживание При техническом обслуживании выполняются следующие работы: - чистка горелки; - чистка фильтров воды и газа; - чистка теплообменника от накипи во внутренней полости и от с...
Страница 25 - Таблица 4; Внимание; Прежде чем приступать к ремонту водонагревателя проверьте уро-
25 6 ВОЗМОЖНЫЕ НЕИСПРАВНОСТИ АППАРАТА И МЕТОДЫ ИХ УСТРАНЕНИЯ Возможные неисправности аппарата и методы их устранения приведены в таблице 4. Таблица 4 Внимание : Прежде чем приступать к ремонту водонагревателя проверьте уро- вень заряда батареек и электрические контакты батарейного отсека. Наименован...
Страница 27 - ПРАВИЛА ХРАНЕНИЯ; С и относительной влажности не более 98 %.
27 7 ПРАВИЛА ХРАНЕНИЯ Аппарат должен храниться и транспортироваться в упаковке только в положении, ука-занном на манипуляционных знаках. Аппарат должен храниться в закрытом помещении, гарантирующем защиту от атмо-сферных и других вредных воздействий при температуре воздуха от минус 50 до плюс 40 С и...
Страница 28 - ГАРАНТИЙНЫЕ ОБЯЗАТЕЛЬСТВА; новленный настоящим Руководством срок (не реже одного раза в год); СВИДЕТЕЛЬСТВО О ПРИЕМКЕ; Штамп магазина
28 8 ГАРАНТИЙНЫЕ ОБЯЗАТЕЛЬСТВА Предприятие-изготовитель гарантирует безотказную работу аппарата при наличии документации на установку аппарата и при соблюдении Потребителем правил хранения, монтажа эксплуатации и технического обслуживания, установленных настоящим “Руко-водством по эксплуатации”. Гар...
Страница 31 - ГАРАНТИЙНЫЙ ТАЛОН; ТАЛОН No1; УТВЕРЖДАЮ
31 Ко ре ш ок т ал он а № 1 н а г ар ан ти й н ы й ремо н т и зъя т « __ _» _ __ __ __ __ __ 2 0_ _г. С л ес арь _ __ __ __ __ __ __ __ __ __ __ (фа милия раз бо рч и во, п одп и сь) ГАРАНТИЙНЫЙ ТАЛОН ТАЛОН №1 на гарантийный ремонт водонагревателя проточного газового бытового VEKTOR Заводской № ____...
Страница 33 - ТАЛОН No2
33 Ко ре ш ок т ал он а № 2 н а г ар ан ти й н ы й ремо н т и зъя т « __ _» _ __ __ __ __ __ 2 0_ _г. С л ес арь _ __ __ __ __ __ __ __ __ __ __ (фа милия раз бо рч и во, п одп и сь) ГАРАНТИЙНЫЙ ТАЛОН ТАЛОН №2 на гарантийный ремонт водонагревателя проточного газового бытового VEKTOR Заводской № ____...
Страница 35 - ТАЛОН No3
35 Ко ре ш ок т ал он а № 3 н а г ар ан ти й н ы й ремо н т и зъя т « __ _» _ __ __ __ __ __ 2 0_ _г. С л ес арь _ __ __ __ __ __ __ __ __ __ __ (фа милия раз бо рч и во, п одп и сь) ГАРАНТИЙНЫЙ ТАЛОН ТАЛОН №3 на гарантийный ремонт водонагревателя проточного газового бытового VEKTOR Заводской № ____...