Варочная панель Haier HHY-C32DVB - инструкция пользователя по применению, эксплуатации и установке на русском языке. Мы надеемся, она поможет вам решить возникшие у вас вопросы при эксплуатации техники.
Если остались вопросы, задайте их в комментариях после инструкции.
"Загружаем инструкцию", означает, что нужно подождать пока файл загрузится и можно будет его читать онлайн. Некоторые инструкции очень большие и время их появления зависит от вашей скорости интернета.

Панель управления
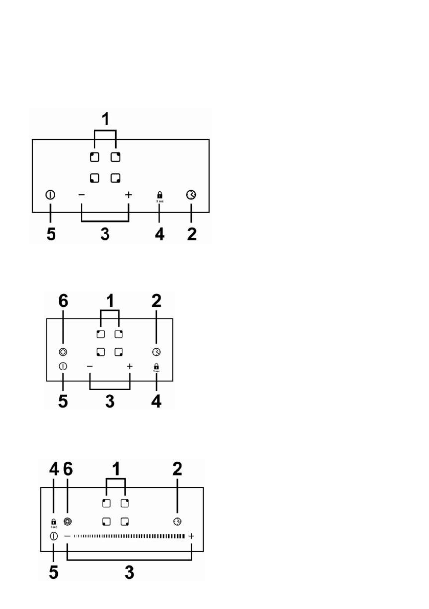
HHY-C64NVB и HHY-C64NFB
1. Элементы управления зоной
нагрева
2. Управление таймером
3. Регулируемые элементы
управления мощностью/таймером
4. Управление блокировкой
5. Управление ВКЛ/ВЫКЛ
HHY-C64DVB
и
HHY-C64DFB
HHY-C64TOVB
и
HHY-C64TOFB
1. Элементы управления зоной
нагрева
2. Управление таймером
3. Регулируемые элементы
управления мощностью/таймером
4. Управление блокировкой
5. Управление ВКЛ/ВЫКЛ
6. Управление двойной зоной
1. Элементы управления зоной
нагрева
2. Управление таймером
3. Регулируемые элементы
управления мощностью/таймером
4. Управление блокировкой
5. Управление ВКЛ/ВЫКЛ
6. Управление тройной/овальной
зоной
Характеристики
Остались вопросы?Не нашли свой ответ в руководстве или возникли другие проблемы? Задайте свой вопрос в форме ниже с подробным описанием вашей ситуации, чтобы другие люди и специалисты смогли дать на него ответ. Если вы знаете как решить проблему другого человека, пожалуйста, подскажите ему :)