Усилители Yamaha PC4801N - инструкция пользователя по применению, эксплуатации и установке на русском языке. Мы надеемся, она поможет вам решить возникшие у вас вопросы при эксплуатации техники.
Если остались вопросы, задайте их в комментариях после инструкции.
"Загружаем инструкцию", означает, что нужно подождать пока файл загрузится и можно будет его читать онлайн. Некоторые инструкции очень большие и время их появления зависит от вашей скорости интернета.
Загружаем инструкцию

11
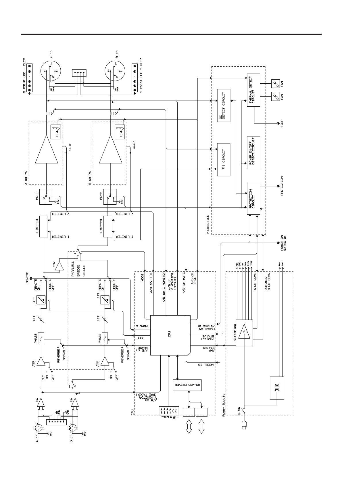
Блок-схема
Содержание
- 3 МЕРЫ ПРЕДОСТОРОЖНОСТИ; ПРЕДУПРЕЖДЕНИЕ
- 4 Введение; Содержание
- 5 Передняя панель; Управление и функции
- 6 Задняя панель
- 7 Типы подключения громкоговорителей; Схемы подключения для режимов STEREO и PARALLEL.; Схемы подключения для режима BRIDGE
- 8 Разъем типа Euroblock; Подсоединение; Подключение громкоговорителей; Вилки Neutrik NL4FC
- 9 Вентиляция; Вид; Монтаж устройства в стойке
- 10 Технические характеристики; Основные технические характеристики
- 13 Устранение неполадок; Характеристики усилителей