Усилители Yamaha DSP-AX2 - инструкция пользователя по применению, эксплуатации и установке на русском языке. Мы надеемся, она поможет вам решить возникшие у вас вопросы при эксплуатации техники.
Если остались вопросы, задайте их в комментариях после инструкции.
"Загружаем инструкцию", означает, что нужно подождать пока файл загрузится и можно будет его читать онлайн. Некоторые инструкции очень большие и время их появления зависит от вашей скорости интернета.

10
Подключение
акустических
систем
Убедитесь
,
что
правильно
подключаете
левый
и
правый
каналы
с
соблюдением
полярности
.
При
неверном
подключении
звука
слышно
не
будет
либо
он
будет
ненатуральным
и
без
низких
частот
.
При
необходимости
в
меню
установок
измените
конфигурацию
акустических
систем
в
соответствии
с
числом
и
размером
подключенных
громкоговорителей
после
завершения
соединения
.
Кабели
акустических
систем
Кабель
акустической
системы
состоит
из
двух
проводов
,
отличающихся
цветом
,
полосками
или
формой
.
Обратите
внимание
на
полярность
подключения
разъемов
акустических
систем
.
1.
Зачистите
изоляцию
на
концах
проводов
примерно
на
9
мм
.
2.
Закрутите
проводники
на
зачищенных
концах
для
предотвращения
короткого
замыкания
.
Подключение
к
разъемам
SPEAKERS
3.
Открутите
рукоятки
терминалов
по
часовой
стрелке
.
4.
Вставьте
только
зачищенный
конец
провода
в
отверстие
терминала
5.
Затяните
рукоятку
.
·
Если
кабели
имеют
штекеры
типа
«Banana»,
закрутите
рукоятки
терминалов
и
вставьте
штекер
в
разъем
.
·
Будьте
внимательны
,
чтобы
не
было
короткого
замыкания
,
иначе
устройство
может
быть
повреждено
,
даже
если
включатся
защитные
схемы
.
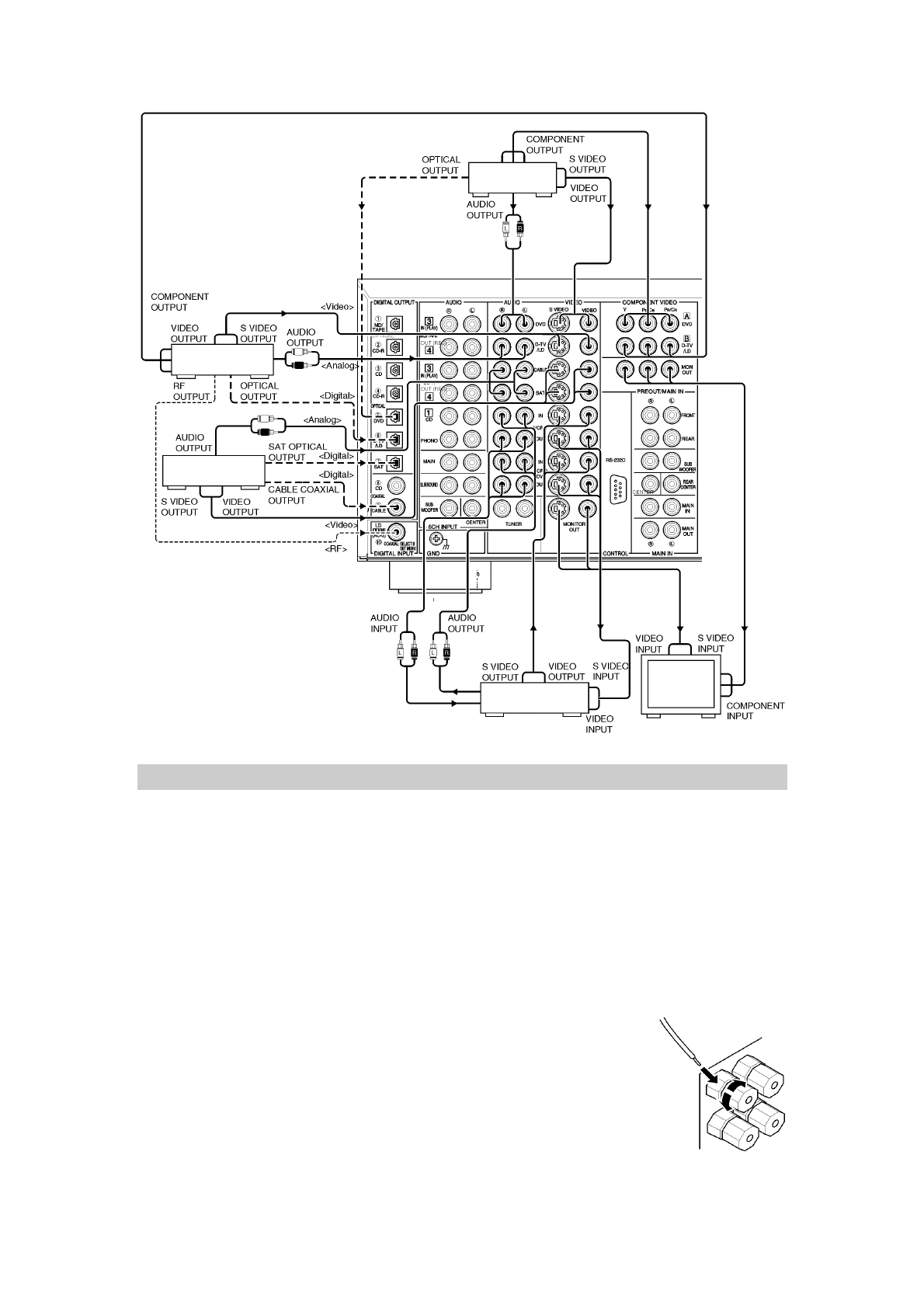
DTV
или
LD
проигрыватель
проигрыватель
DVD
Выходной
сигнал
RF
(
только
для
DSP-AX2)
Кабельный
ТВ
,
SAT
VCR1
или
VCR2
монитор



