Усилители Sony STR-DH500 - инструкция пользователя по применению, эксплуатации и установке на русском языке. Мы надеемся, она поможет вам решить возникшие у вас вопросы при эксплуатации техники.
Если остались вопросы, задайте их в комментариях после инструкции.
"Загружаем инструкцию", означает, что нужно подождать пока файл загрузится и можно будет его читать онлайн. Некоторые инструкции очень большие и время их появления зависит от вашей скорости интернета.

66
UA
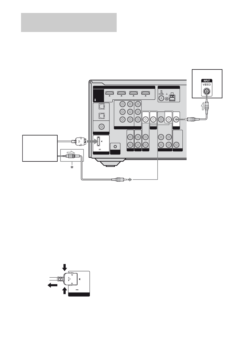
Можна прослуховувати звук із
компонента, підключеного через
адаптер DIGITAL MEDIA PORT до
роз’єму DMPORT на приймачі.
Підключивши відеовихід адаптера
DIGITAL MEDIA PORT до приймача,
можна також переглядати зображення
на екрані телевізора.
Докладніше про переглядання
зображень див. у розділі «Перегляд
компонента, підключеного через
з’єднання DMPORT» на странице 67.
Від’єднання адаптера DIGITAL
MEDIA PORT від роз’єму
DMPORT
Натисніть і утримуйте обидві сторони
з’єднувача та витягніть його.
Примітки
•Вставляючи з’єднувач для підключення
адаптера DIGITAL MEDIA PORT,
переконайтеся, що позначка у вигляді
стрілки на з’єднувачі знаходиться навпроти
аналогічної позначки на роз’ємі DMPORT.
•Адаптер DMPORT має бути надійно
під’єднаний; вставляйте з’єднувач до упору.
•Оскільки адаптер DIGITAL MEDIA PORT
ламкий, слід бути обережними під час
розташування або переміщення приймача.
Підключення адаптера
DIGITAL MEDIA PORT
BD
IN
DIGITAL
COMPONENT VIDEO
DMPORT
AUTO CAL
MIC
SA-CD/CD
DC5V 0.7A MAX
OPTICAL
COAXIAL
SAT
IN
SAT IN
IN
TV
IN
DVD IN
MONITOR
OUT
DVD
IN
Y
P
B
/
C
B
P
R
/
C
R
AUDIO
OUT
MONITOR
SUBWOOFER
VIDEO
OUT
AM
R
L
ANTENNA
SAT IN
DVD IN
BD IN
OUT
HDMI
CONNECT
TO
DIGITAL
INPUT
FOR
AUDIO
SAT
AUDIO
IN
VIDEO
IN
VIDEO
AUDIO
OUT
VIDEO
OUT
AUDIO
IN
VIDEO
IN
DVD
VIDEO
IN
Адаптер DIGITAL
MEDIA PORT
Телевізор
A
* Тип з’єднувача може різнитися в залежності від адаптера DIGITAL MEDIA PORT.
Докладніша інформація наведена в інструкціях з експлуатації, що надаються з адаптером
DIGITAL MEDIA PORT.
A
Шнур відео (не входить до комплекту постачання)
До одного з роз’ємів
VIDEO IN
A
DMPORT
DC5V 0.7A MAX
2
1
Содержание
- 3 О данном руководстве; О кодах регионов; Авторские права
- 4 Оглавление; Воспроизведение
- 6 Описание и расположение частей; Передняя панель; qa; Дисплей; Название; MUTING
- 7 MOVIE
- 8 Об индикаторах на дисплее; MEMORY; Примечание
- 9 Индикаторы
- 10 SW
- 11 Задняя панель; Секция DIGITAL INPUT/OUTPUT
- 12 Секция AUDIO INPUT/OUTPUT; DMPORT
- 13 TV
- 14 AMP MENU
- 15 FM MODE; DISPLAY
- 16 CLEAR; TV INPUT
- 17 Примечания; объемного; звучания как в; Совет
- 18 Подключение громкоговорителей; Центральный громкоговоритель; Монофонический аудиокабель (не входит в комплект)
- 19 Подключение телевизора; Рекомендуется использовать кабель HDMI Sony; Компонентный видеокабель (не входит в комплект)
- 20 или пункт; Аудиокабель (не входит в
- 21 б. Подключение видеокомпонентов; Подключаемые компоненты; Компонент; Цифровой; Высококачественное
- 22 Оптический цифровой кабель (не входит в комплект); Коаксиальный цифровой кабель (не входит в комплект)
- 31 По окончании настройки; При появлении кодов ошибки; Измеряется
- 32 Изменение настроек вручную; Описание и решение
- 33 Нажмите кнопку AMP MENU.
- 34 Советы
- 35 Выбор компонента; для регулировки
- 36 Если допущена ошибка; Нажимайте кнопку
- 37 Coвeт; Начните воспроизведение диска.
- 38 Coвeты
- 39 Установка вводится автоматически.; Выход из меню; Функции усилителя
- 40 Обзор меню; Установки
- 43 Регулировка уровня; Параметры меню LEVEL; Динамический диапазон не сжат.
- 44 Регулировка тембра; Параметры меню TONE
- 45 Параметры меню TUNER; • FM AUTO; Параметры меню AUDIO; Выводится звук основного языка.
- 46 Параметры меню VIDEO
- 47 Параметры меню SYSTEM; • NO; • SMALL
- 53 При подключении сабвуфера; Эффект
- 55 Типы доступных звуковых полей
- 57 Нажмите повторно кнопку; Выводится аналоговый звук.; Отключение ANALOG DIRECT; Примечаниея; Нажмите кнопку
- 58 Функции тюнера
- 59 Нажмите кнопку ENTER.
- 63 Частота; Описание типов программ; Описание
- 64 • ANALOG; Другие операции
- 68 “FM” и “AM”
- 70 мм; Категории
- 71 Глоссарий; Видеосигнал компонента
- 73 Частота дискретизации; Безопасность; • Перед эксплуатацией ресивера
- 74 • Установите ресивер в месте с хорошей; Эксплуатация
- 75 Звук
- 76 Слышен сильный фон или помехи.
- 77 Видео
- 78 Сообщения об ошибках
- 79 выходной мощности (8 Ом при; Очистить
- 81 • Потребление электроэнергии в
- 82 Алфавитный указатель












