Tosot T12H-SnN2/I / T12H-SnN2/O - Инструкция по эксплуатации

Tosot T12H-SnN2/I / T12H-SnN2/O

Кондиционер Tosot T12H-SnN2/I / T12H-SnN2/O - инструкция пользователя по применению, эксплуатации и установке на русском языке. Мы надеемся, она поможет вам решить возникшие у вас вопросы при эксплуатации техники.

Если остались дополнительные вопросы — свяжитесь с нами через контактную форму.

1 Страница 1
2 Страница 2
3 Страница 3
4 Страница 4
5 Страница 5
6 Страница 6
7 Страница 7
8 Страница 8
9 Страница 9
10 Страница 10
11 Страница 11
12 Страница 12
13 Страница 13
14 Страница 14
15 Страница 15
16 Страница 16
17 Страница 17
18 Страница 18
19 Страница 19
20 Страница 20
21 Страница 21
22 Страница 22
23 Страница 23
24 Страница 24
25 Страница 25
26 Страница 26
27 Страница 27
28 Страница 28
29 Страница 29
30 Страница 30
31 Страница 31
32 Страница 32
33 Страница 33
34 Страница 34
35 Страница 35
36 Страница 36
37 Страница 37
38 Страница 38
39 Страница 39
40 Страница 40
Страница: / 40

Содержание:

  • Страница 2 – Содержание
  • Страница 3 – ствие требованиям нормативных документов.; Назначение и принцип действия
  • Страница 4 – Меры предосторожности; При установке
  • Страница 6 – Предупреждение
  • Страница 8 – Комплектность сплит-системы
  • Страница 9 – Условные обозначения
  • Страница 10 – Функции и опции; Условные
  • Страница 12 – Преимущества; НАДЕЖНЫЙ КОМПРЕССОР; А-КЛАСС ЭНЕРГОЭФФЕКТИВНОСТИ; Режим «турбо»; ЭНЕРГОСБЕРЕГАЮЩАЯ ТЕХНОЛОГИЯ; ЭФФЕКТИВНОЕ ОТТАИВАНИЕ; ФУНКЦИЯ ПОДДЕРЖАНИЯ ТЕМПЕРАТУРЫ; ИНФОРМАТИВНЫЙ LED-ДИСПЛЕЙ
  • Страница 13 – Название частей и внешний вид
  • Страница 14 – Пульт дистанционного управления YAA1FB; Внешний вид и функции; Кнопки и их функции; Кнопка «–»
  • Страница 15 – I FEEL
  • Страница 16 – Индикация на дисплее; MODE
  • Страница 17 – Дополнительные функции; Комбинация MODE и «–»
  • Страница 18 – Замена элементов питания; Аварийный режим; Режим AUTO
  • Страница 19 – Габаритные размеры; Внутренние блоки
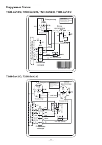
  • Страница 20 – Наружные блоки
  • Страница 21 – Монтаж; Выбор места установки блоков; Внутренний блок; Наружный блок
  • Страница 22 – Установка внутреннего блока; Отверстие для фреонопровода; Подключение отвода конденсата
  • Страница 24 – Установка наружного блока; Подключение межблочного и питающего кабеля
  • Страница 25 – Подключение фреонопровода
  • Страница 26 – Проверка после установки
  • Страница 27 – Установка опционального фильтра; Очистка и обслуживание
  • Страница 28 – Регламент технического обслуживания
  • Страница 29 – Уход за оборудованием, чистка фильтра; Чистка лицевой панели; Очистка фильтра
  • Страница 30 – Неисправности и методы их устранения; Неисправность
  • Страница 32 – Электрические схемы; Плата управления
  • Страница 33 – COMP; Внутренний б
  • Страница 34 – Коды ошибок
  • Страница 36 – Класс энергоэффективности оборудования; Наименование и местонахождение изготовителя и импортера
Загрузка инструкции

Руководство по эксплуатации

Кондиционер воздуха

настенного типа серия NATAL

TххH-SnN2

02.06.2022

"Загрузка инструкции" означает, что нужно подождать пока файл загрузится и можно будет его читать онлайн. Некоторые инструкции очень большие и время их появления зависит от вашей скорости интернета.

Краткое содержание

Страница 2 - Содержание

— 2 — Содержание Назначение и принцип действия ................................................................................................................................... 3 Меры предосторожности ....................................................................................................

Страница 3 - ствие требованиям нормативных документов.; Назначение и принцип действия

— 3 — Внимание! Эксплуатация данного кондиционера возможна при соблюдении следующих условий: ● При защите наружного блока от воздействия свободно перемещающихся воздушных масс (ветер, сквоз - няки). ● При относительной влажности воздуха 40–45 %. ● При подаче электропитания на оборудование и на подог...

Страница 4 - Меры предосторожности; При установке

— 4 — Меры предосторожности Чтобы избежать получения травм и нанесения ущер- ба другим людям и имуществу, внимательно прочтите и соблюдайте следующие инструкции. Данное обо- рудование не предназначено для использования ма- ленькими детьми и людьми с ограниченной подвиж- ностью, находящимися без надл...

Характеристики

Другие модели - Кондиционеры Tosot

Все кондиционеры Tosot