Страница 2 - Содержание
— 2 — Содержание Назначение и принцип действия ................................................................................................................................... 3 Меры предосторожности ....................................................................................................
Страница 3 - ствие требованиям нормативных документов.; Назначение и принцип действия
— 3 — Внимание! Эксплуатация данного кондиционера возможна при соблюдении следующих условий: ● При защите наружного блока от воздействия свободно перемещающихся воздушных масс (ветер, сквоз - няки). ● При относительной влажности воздуха 40–45 %. ● При подаче электропитания на оборудование и на подог...
Страница 4 - Меры предосторожности; При установке
— 4 — Меры предосторожности Чтобы избежать получения травм и нанесения ущер- ба другим людям и имуществу, внимательно прочтите и соблюдайте следующие инструкции. Данное обо- рудование не предназначено для использования ма- ленькими детьми и людьми с ограниченной подвиж- ностью, находящимися без надл...
Страница 6 - Предупреждение
— 6 — Предупреждение ● Убедитесь, что оборудование надежно заземлено. Использование незаземлен- ного оборудования может при- вести к поражению электриче- ским током. ● Для собственной безопасности отключайте кондиционер от ис- точника питания перед обслу- живанием, ремонтом и чисткой, а также если п...
Страница 8 - Комплектность сплит-системы
— 8 — Технические характеристики Модель T07H-SnN2/I / T07H-SnN2/O T09H-SnN2/I / T09H-SnN2/O T12H-SnN2/I / T12H-SnN2/O T18H-SnN2/I / T18H-SnN2/O T24H-SnN2/I / T24H-SnN2/O T28H-SnN2/I / T28H-SnN2/O Производи- тельность ОхлаждениеОбогрев кВткВт 2,252,30 2,552,65 3,253,40 4,805,16 6,166,70 8,508,90 EER/...
Страница 9 - Условные обозначения
— 9 — Условные обозначения ОХЛАЖДЕНИЕ Уменьшение температуры воздуха в помещении до заданного значения. Допустимый диапазон настроек составляет от +16 до +30 °С. ОБОГРЕВ Увеличение температуры воздуха в помещении до заданного значения. Допустимый диапазон настроек составляет от +16 до +30 °С. ОСУШЕН...
Страница 10 - Функции и опции; Условные
— 10 — Функции и опции Условные обозначения Режимы работы Наличие функций Охлаждение Обогрев Осушение Вентиляция Автo Комфорт I SENSE Автосвинг Бесшумное исполнение Многоскоростной вентилятор I FEEL Объемный воздушный поток Контроль направления подачи воздуха Режим комфортного сна Подготовка воздуха...
Страница 12 - Преимущества; НАДЕЖНЫЙ КОМПРЕССОР; А-КЛАСС ЭНЕРГОЭФФЕКТИВНОСТИ; Режим «турбо»; ЭНЕРГОСБЕРЕГАЮЩАЯ ТЕХНОЛОГИЯ; ЭФФЕКТИВНОЕ ОТТАИВАНИЕ; ФУНКЦИЯ ПОДДЕРЖАНИЯ ТЕМПЕРАТУРЫ; ИНФОРМАТИВНЫЙ LED-ДИСПЛЕЙ
— 12 — Преимущества Долговечный компрессор постоянной производительности с малыми пусковыми токами. НАДЕЖНЫЙ КОМПРЕССОР Энергоэффективность класса A для всех моделей. А-КЛАСС ЭНЕРГОЭФФЕКТИВНОСТИ Используется для наиболее быстрого достижения установленной температуры за счет работы вентилятора внутре...
Страница 13 - Название частей и внешний вид
— 13 — Название частей и внешний вид Индикация и место расположения дисплея могут отличаться для конкретной модели. Температура Питание ИК-приемник Беспроводной пульт управления YAA1FB ON O FF / - + TU RBO / X-FAN F C H O UR ONO FF M O D E FAN SWING I F E E L SLEEP TEMP TIMER-ON CLOCK LIGHT TIME-OFF...
Страница 14 - Пульт дистанционного управления YAA1FB; Внешний вид и функции; Кнопки и их функции; Кнопка «–»
— 14 — Пульт дистанционного управления YAA1FB Внешний вид и функции Данный пульт является универсальным и применяется для управления различными моделями блоков. Некоторые функции могут быть недоступны. При нажатии кнопки с недоступной функцией, блок продол - жит работу без изменения параметров. 15 4...
Страница 15 - I FEEL
— 15 — 4 MODE (режим) Каждый раз, когда вы нажимаете кнопку, режим переключается в последовательности AUTO, COOL, DRY, FAN и HEAT ( Автоматический — Охлаждение — Осушение — Вентиляция — Обогрев), как показано на рисунке: AUTO COOL DRY FAN HEAT В режиме AUTO (Автоматический) установленная температура...
Страница 16 - Индикация на дисплее; MODE
— 16 — В течение следующих 5 сек с помощью кнопок «+» и «–» установите текущее время. Удерживайте кноп- ку нажатой, изменение будет происходить сначала с шагом 1 минута и частотой 0,5 сек, затем с шагом 10 минут каждые 0,5 сек. После того, как выставите текущее время, нажмите кнопку CLOCK для подтве...
Страница 17 - Дополнительные функции; Комбинация MODE и «–»
— 17 — 23 SET TIME После нажатия кнопки TIMER ON или TIMER OFF начинает мигать время, на которое отложен старт или остановка оборудования. 24 Крупные цифры Отображают установленную температуру. В режиме SAVE вместо цифр будут отображаться буквы SE. 25 AIR (подмес свежего воздуха) Появляется после на...
Страница 18 - Замена элементов питания; Аварийный режим; Режим AUTO
— 18 — Замена элементов питания 1. Снимите крышку отсека элементов питания пульта дистанционного управления. 2. Извлеките старые элементы питания. 2 1 3. Вставьте новые элементы питания типа ААА 1,5 В, соблюдая полярность. 4. Установите крышку на место. 3 4 Внимание! ● Не используйте старые элементы...
Страница 19 - Габаритные размеры; Внутренние блоки
— 19 — Габаритные размеры Внутренние блоки T07H-SnN2/I, T09H-SnN2/I, T12H-SnN2/I, T18H-SnN2/I, T24H-SnN2/I, T28H-SnN2/I D H W F2 E ∅ B W3 W2 W1 ∅ B E F1 Модель Размеры, мм W H D W1 W2 W3 B E F1 F2 T07H-SnN2/I 704 260 185 93 462 149 55 42 75 75 T09H-SnN2/I 704 260 185 93 462 149 55 42 75 75 T12H-SnN2...
Страница 20 - Наружные блоки
— 20 — Наружные блоки T07H-SnN2/O, T09H-SnN2/O, T12H-SnN2/O, T18H-SnN2/O, T24H-SnN2/O, T28H-SnN2/O B D1 H W1 D A W Модель Размеры, мм W W1 H D D1 A B T07H-SnN2/O 710 650 450 293 244 430 271 T09H-SnN2/OT12H-SnN2/O 732 675 555 330 285 455 310 T18H-SnN2/O 802 745 555 350 300 512 332 T24H-SnN2/O 873 805...
Страница 21 - Монтаж; Выбор места установки блоков; Внутренний блок; Наружный блок
— 21 — Монтаж Выбор места установки блоков Внутренний блок ● Убедитесь, что место установки обеспечивает достаточно пространства для установки и обслуживания. Блок должен быть установлен так, чтобы воздух, проходящий через него, не возвращался. ● Место для установки должно быть хорошо вентилируемо, ...
Страница 22 - Установка внутреннего блока; Отверстие для фреонопровода; Подключение отвода конденсата
— 22 — ● В случае, если внутренний и наружный блоки находятся на разных уровнях, перепад высот не должен превы- шать максимально допустимый. Минимальное длина подключаемых труб не менее 3 м. Не более 10 м Внутрений блок Наружный блок 15 м для T07(09)H 20 м для T12H 25 м для T18(24)H 30 м для T28H Ус...
Страница 24 - Установка наружного блока; Подключение межблочного и питающего кабеля
— 24 — Установка наружного блока ● Учтите, что центр тяжести наружного блока смещен относительно центра блока. ● Не наклоняйте блок более чем на 45 градусов при транспортировке. Не кладите блок горизонтально и не переворачивайте его. ● Используйте дюбели для надежного крепления монтажных кронштейнов...
Страница 25 - Подключение фреонопровода
— 25 — Подключение фреонопровода 1. Не допускайте перекручивания и заломов трубы.2. Отрежьте нужную длину трубы. Обработайте края среза. Удалите заусенцы. Скошенный 90° Шероховатый Заусенцы Труба Риммер Срез 3. Снимите гайки-заглушки с 2- и 3-ходового вентилей наружного блока. Оденьте их на трубу и ...
Страница 26 - Проверка после установки
— 26 — 8. Подключите вакуумный насос, как показано на рисунке. Lo Hi Манометрический коллектор Сервисный порт Вакуумный насос Защитная крышка Защитная крышка Газовый клапан Жидкостной клапан Шестигранный ключ Открыт Закрыт 9. Открутите защитные крышки клапанов низкого и высокого давления.10. Откройт...
Страница 27 - Установка опционального фильтра; Очистка и обслуживание
— 27 — Установка опционального фильтра 1. Одновременно с двух сторон подденьте и откройте лицевую панель. 2. Установите опциональный фильтр в специальные пазы на корпусе блока. Опциональный фильтр Фильтр 3. Закройте лицевую панель. Очистка и обслуживание Вытащите опциональный фильтр, почистите и вст...
Страница 28 - Регламент технического обслуживания
— 28 — Регламент технического обслуживания Каждый кондиционер нуждается в периодическом техническом обслуживании. Указанное обслужива - ние может выполнить специально обученный персонал согласно данному регламенту. Внимание! Отсутствие периодического квалифицированного технического обслуживания либо...
Страница 29 - Уход за оборудованием, чистка фильтра; Чистка лицевой панели; Очистка фильтра
— 29 — Уход за оборудованием, чистка фильтра Чистка лицевой панели Снимите панель. Влажной тряпкой, слегка смоченной водой температурой не выше 45 °С, протрите панель. За- тем сухой тряпкой протрите панель насухо. Внимание! Не мойте панель под проточной водой и не погружайте ее в воду. Это может пов...
Страница 30 - Неисправности и методы их устранения; Неисправность
— 30 — Неисправности и методы их устранения Внимание! Не ремонтируйте кондиционер самостоятельно. Для обслуживания и ремонта кондиционера обращайтесь в специализированные сервисные центры. Неправильный ремонт или обслуживание могут привести к вы - воду оборудования из строя, короткому замыканию, пож...
Страница 32 - Электрические схемы; Плата управления
— 32 — Электрические схемы Внутренние блоки T07H-SnN2/I, T09H-SnN2/I, T12H-SnN2/I, T18H-SnN2/I 600007062698 SWING-UD1 M2 DISP AP2 JUMP CAP COMP AC-L N(N1) XT PE PE N L N(1) 2 4 5 AP1 PG PGF M1 0 0 T-SENSOR RT2 RT1 4WOF K1(K3) SWING-UD2 M3 Плата управления Датчик темп-ры в помещении Датчик темп-ры тр...
Страница 33 - COMP; Внутренний б
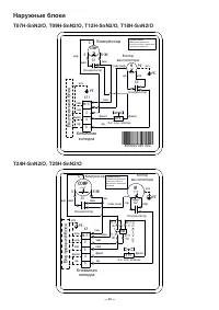
— 33 — Наружные блоки T07H-SnN2/O, T09H-SnN2/O, T12H-SnN2/O, T18H-SnN2/O S C 5 4 R(M) PE PE C2 PE 2 COMP M C1 N(1) 4YV XT1 600007061302 Внутренний б лок Клеммная колодка ор. фиол. чер. син. фиол. ор. фиол. 4-х. ход. клапан син. ж/з Компрессор Конденсатор (син.)чер. ж/з Мотор вентилятора син. Конденс...
Страница 34 - Коды ошибок
— 34 — Коды ошибок Название неисправности Отображение на дисплее внутреннего блока Состояние кондиционера Код ошибки Утечка хладагента F0 1. Утечка хладагента; 2. Датчик температуры испарителя (внутреннего блока) неисправен; 3. Засор в трубе или закрыты вентили наружного блока; 4. Компрессор не може...
Страница 36 - Класс энергоэффективности оборудования; Наименование и местонахождение изготовителя и импортера
— 36 — Класс энергоэффективности оборудования Модель EER (класс энергоэффективности) COP (класс энергоэффективности) T07H-SnN2/I / T07H-SnN2/O 3,21 (A) 3,61 (A) T09H-SnN2/I / T09H-SnN2/O 3,21 (A) 3,61 (A) T12H-SnN2/I / T12H-SnN2/O 3,22 (A) 3,61 (A) T18H-SnN2/I / T18H-SnN2/O 3,25 (A) 3,61 (A) T24H-Sn...