Страница 2 - Вступление
ТЕПЛОВЫЕ ПУШКИ СЕРИИ BGO1601 2 Вступление Внимательно прочтите это руководство перед использованием устройства и сохраните его для использования в будущем. Отказ от ответственности Производитель оставляет за собой право вносить изменения в спецификации, количество, размеры, характеристики и т. д. По...
Страница 3 - Оглавление; Общие правила безопасности; Технические характеристики; Инструкции по сборке
ТЕПЛОВЫЕ ПУШКИ СЕРИИ BGO1601 3 Оглавление 1. Общие правила безопасности .................................................................... 4 2. Описание продукта ...................................................................................... 5 2.1 Технические характеристики ...................
Страница 4 - . Общие правила безопасности; Общая опасность предупреждение!
ТЕПЛОВЫЕ ПУШКИ СЕРИИ BGO1601 4 1 . Общие правила безопасности Внимательно прочитайте инструкции. Прочитайте и соблюдайте все пункты. Разместите инструкции в безопасном и доступном месте для будущего использования. Не позволяйте лицам, которые не прочитали данную инструкцию, сборку, заправку, настрой...
Страница 5 - Описание продукта
ТЕПЛОВЫЕ ПУШКИ СЕРИИ BGO1601 5 Всегда проверяйте кабель питания перед использованием прибора. Он не должен быть изогнут, растянут, скручен или иметь любые другие повреждения . Замена кабеля питания должна быть осуществлена только квалифицированным персоналом. Используйте оригинальный кабель питания ...
Страница 6 - Инструкции по сборке; либо
ТЕПЛОВЫЕ ПУШКИ СЕРИИ BGO1601 6 3. Инструкции по сборке Извлеките нагреватель из картонной коробки. Если устройство каким - либо образом повреждено, не используйте его и обратитесь к своему дилеру. BGO1601- 20: обогревателю нужно только закрепить пластиковую ручку, никаких дополнительных операций не ...
Страница 7 - Инструкция по установке
ТЕПЛОВЫЕ ПУШКИ СЕРИИ BGO1601 7 Для сборки нагревателя действуйте следующим образом (см. Рис. 2): 1. Вставьте вал колеса J в соответствующее отверстие опорной трубы E , вставьте шплинт K в соответствующие отверстия; наденьте плоскую шайбу H на две стороны вала, наденьте колесо I на вал колеса J , зав...
Страница 8 - Инструкции по использованию
ТЕПЛОВЫЕ ПУШКИ СЕРИИ BGO1601 8 Не размещайте обогреватель в непосредственной близости от ванны, душа или бассейна. Соблюдайте общие и специальные правила пожарной безопасности, действующие во всех областях применения. В любом случае обеспечьте следующие минимальные безопасные расстояния от материа...
Страница 9 - Неисправность
ТЕПЛОВЫЕ ПУШКИ СЕРИИ BGO1601 9 переключатель ВКЛ / ВЫКЛ в положение 0, а затем снова в положение I. В случае повторной неисправности обратитесь в службу технической поддержки. Поворот ручки управления термостатом НЕ перезапускает нагреватель. Неисправность Установите переключатель в положение «ВЫКЛ»...
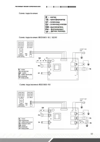
Страница 10 - специалист не проверил и не отремонтировал его.; Сопло; Относительно зазоров между электродами см. Рис. 4
ТЕПЛОВЫЕ ПУШКИ СЕРИИ BGO1601 10 замена деталей на нестандартные (других производителей, изготовленных кустарно и т.д.) ведет к аннулированию гарантийных обязательств. Не используйте неисправное оборудование, если квалифицированный специалист не проверил и не отремонтировал его. При чистке следит...
Страница 13 - Устранение неполадок
ТЕПЛОВЫЕ ПУШКИ СЕРИИ BGO1601 13 4. Устранение неполадок ПРОБЛЕМА ПРИЧИНА СРЕДСТВО Мотор не запускается E1 отображается на экране Нет питания или низкое напряжение Проверьте линию питания и напряжение. Проверить предохранитель и при необходимости заменить. Неисправный или поврежденный шнур питания Пр...
Страница 14 - Гарантийные
ТЕПЛОВЫЕ ПУШКИ СЕРИИ BGO1601 14 ПРОБЛЕМА ПРИЧИНА СРЕДСТВО Нагреватель останавливается во время работы Температура окружающей среды, отображаемая на экране Достигнута комнатная температура, установленная на комнатном термостате. Нормальная операция Для начала поверните ручку регулятора температуры по...
Страница 15 - Условия гарантийного обслуживания
ТЕПЛОВЫЕ ПУШКИ СЕРИИ BGO1601 15 Условия гарантийного обслуживания 1. Торгующая организация гарантирует исправность, отсутствие механических повреждений и полную комплектацию изделия на момент продажи. Если при по- купке изделия покупателем не были предъявлены претензии по комплектации, внешнему виду...
Страница 16 - Гарантия не покрывает:
ТЕПЛОВЫЕ ПУШКИ СЕРИИ BGO1601 16 Гарантия не покрывает: Запасные части или изделия, поврежденные во время транспортировки, установки или самостоятельного ремонта в процессе неправильного использования, перегрузки, использования запасных частей, не являющихся оригинальными, использования горюче - см...
Страница 18 - Тепловые пушки являются источником повышенной опасности!
ТЕПЛОВЫЕ ПУШКИ СЕРИИ BGO1601 18 Тепловые пушки являются источником повышенной опасности! РАСШИРЕННАЯ ГАРАНТИЯ! Для данного оборудования есть возможность продлить срок гарантии на 1 (один) год. Для этого зарегистрируйте оборудование в течении 60 дней со дня приобретения на официальном сайте группы ко...