Страница 2 - Вступление
ТЕПЛОВЫЕ ПУШКИ BGO-30B BGO-30B 2 Вступление Внимательно прочтите это руководство перед использованием устройства и сохраните его для использования в будущем. Отказ от ответственности Производитель оставляет за собой право вносить изменения в спецификации, количество, размеры, характеристики и т. д. ...
Страница 3 - Оглавление; Общие правила безопасности
ТЕПЛОВЫЕ ПУШКИ BGO-30B BGO-30B 3 Оглавление 1. Общие правила безопасности .................................................................... 4 2. Описание продукта ...................................................................................... 5 3. Технические характеристики ..................
Страница 4 - Предупреждение
ТЕПЛОВЫЕ ПУШКИ BGO-30B BGO-30B 4 1. Общие правила безопасности Внимательно прочитайте инструкции. Прочитайте и соблюдайте все пункты. Разместите инструкции в безопасном и доступном месте для будущего использования. Не позволяйте лицам, которые не прочитали данную инструкцию, сборку, заправку, настро...
Страница 5 - непрямого нагрева с закрытой камерой сгорания.; Технические характеристики
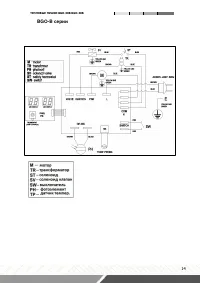
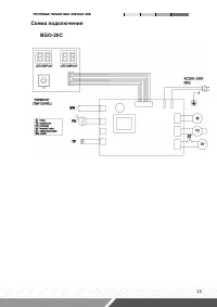
ТЕПЛОВЫЕ ПУШКИ BGO-30B BGO-30B 5 2. Описание продукта Дизельный или керосиновый передвижной / переносной обогреватель непрямого нагрева с закрытой камерой сгорания. 3. Технические характеристики Модель BGO-20C BGO-30B BGO-50B Артикул 1020623 1020624 1020625 Тепловая мощность * [кВт] [час] 20 30 50 Н...
Страница 6 - Инструкции по сборке; Инструкция по установке
ТЕПЛОВЫЕ ПУШКИ BGO-30B BGO-30B 6 4. Инструкции по сборке Извлеките нагреватель из картонной коробки. Если устройство каким - либо образом повреждено, не используйте его и обратитесь к своему дилеру. Следующие аксессуары поставляются в картонной упаковке. Рис. 1 Для сборки нагревателя действуйте след...
Страница 8 - Инструкции по использованию
ТЕПЛОВЫЕ ПУШКИ BGO-30B BGO-30B 8 Инструкции по использованию Запуск Залейте в бак чистое топливо. Используйте только дизельное топливо или керосин. Указатель уровня топлива в верхней части бака позволяет контролировать уровень топлива. Подключите вилку шнура питания к заземленной системе электроснаб...
Страница 9 - Неисправность
ТЕПЛОВЫЕ ПУШКИ BGO-30B BGO-30B 9 Неисправность Установите переключатель в положение «ВЫКЛ» (O). Фаза пост - вентиляции охлаждает камеру сгорания в течение 90 секунд. Отключайте устройство от электросети, если не используете его долгое время. Никогда не отключайте обогреватель от сети, чтобы остано...
Страница 10 - Топливные фильтры; быть совершенно чистыми и свободными.; Сопло; Относительно
ТЕПЛОВЫЕ ПУШКИ BGO-30B BGO-30B 10 Топливные фильтры Очистите топливные фильтры, отвинтив поддон фильтра (по часовой стрелке). Снимите фильтрующий элемент и промойте его бензином или замените, если необходимо. Проверить уплотнительное кольцо и при необходимости заменить. Соберите лоток (рис. 2). Топл...
Страница 12 - ИСПОЛЬЗОВАНИЕ НА ВЫСОТЕ; за более низкого расхода кислорода по; Электрические; Осмотрите кабели, электрические детали
ТЕПЛОВЫЕ ПУШКИ BGO-30B BGO-30B 12 Рис.7 ИСПОЛЬЗОВАНИЕ НА ВЫСОТЕ : Из - за более низкого расхода кислорода по сравнению с высотной установкой на уровне моря, может потребоваться увеличить расход воздуха, открыв воздуховод (рис. 7), или уменьшить установочное давление на топливном насосе (рис. 6). Эта...
Страница 15 - Устранение неполадок
ТЕПЛОВЫЕ ПУШКИ BGO-30B BGO-30B 15 Устранение неполадок ПРОБЛЕМА ПРИЧИНА СРЕДСТВО Мотор не запускается E1 отображается на экране Нет питания или низкое напряжение Проверить линию питания и напряжение Проверить предохранитель и при необходимости заменить. Неисправный или поврежденный шнур питания Пров...
Страница 16 - Гарантийные; Условия гарантийного обслуживания
ТЕПЛОВЫЕ ПУШКИ BGO-30B BGO-30B 16 ПРОБЛЕМА ПРИЧИНА СРЕДСТВО E1 отображается на экране Перегрев Для сброса установите переключатель Вкл / Выкл в положение 0, а затем в положение I. Если проблема не исчезнет, позвоните в службу технической поддержки. 5. Гарантийные обязательства Производитель в лице у...
Страница 17 - Гарантия не покрывает:
ТЕПЛОВЫЕ ПУШКИ BGO-30B BGO-30B 17 4. Гарантия имеет силу при наличии заполненного гарантийного талона, сер- висного паспорта/сервисного листа, товарно - финансовых документов и оформлен- ной в письменном виде гарантийной рекламации. Претензия должна содержать: • гарантийную рекламацию, шаблон которо...
Страница 18 - Исключения из гарантийного обслуживания
ТЕПЛОВЫЕ ПУШКИ BGO-30B BGO-30B 18 техническим обслуживанием (ТО), значительного перепробега между плановыми ТО (более 200 моточасов). Гарантия не покрывает ущерб, нанесенный другому оборудованию, работающему в сопряжении с данной техникой. Исключения из гарантийного обслуживания Гарантийные претен...
Страница 19 - Тепловые пушки являются источником повышенной опасности!
ТЕПЛОВЫЕ ПУШКИ BGO-30B BGO-30B 19 12. При наличии повреждений, вызванных климатическими особенностями, стихийными бедствиями и аналогичными причинами. 13. На повреждения, вызванные действиями (бездействием) третьих лиц, а также возникшие по вине самого покупателя (пользователя) оборудования. 14. На ...
Страница 20 - На данные комплектующие расширенная гарантия не; Информация данного раздела действительна на момент печати
ТЕПЛОВЫЕ ПУШКИ BGO-30B BGO-30B 20 ВНИМАНИЕ! На данные комплектующие расширенная гарантия не распространяется. Комплектующие Срок гарантии Колеса (ролики), шнур питания. гарантия отсутствует Расходники (свечи, воздушные фильтры, аккумуляторные батареи, топливные фильтры, щетки генератора, элементы ст...