Tomahawk 9.3 24V - Инструкция по эксплуатации

Tomahawk 9.3 24V

Автосигнализация Tomahawk 9.3 24V - инструкция пользователя по применению, эксплуатации и установке на русском языке. Мы надеемся, она поможет вам решить возникшие у вас вопросы при эксплуатации техники.

Если остались дополнительные вопросы — свяжитесь с нами через контактную форму.

1 Страница 1
2 Страница 2
3 Страница 3
4 Страница 4
5 Страница 5
6 Страница 6
7 Страница 7
8 Страница 8
9 Страница 9
10 Страница 10
11 Страница 11
12 Страница 12
13 Страница 13
14 Страница 14
15 Страница 15
16 Страница 16
17 Страница 17
18 Страница 18
19 Страница 19
20 Страница 20
21 Страница 21
22 Страница 22
23 Страница 23
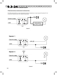
24 Страница 24
25 Страница 25
26 Страница 26
27 Страница 27
28 Страница 28
29 Страница 29
30 Страница 30
31 Страница 31
32 Страница 32
33 Страница 33
34 Страница 34
35 Страница 35
36 Страница 36
37 Страница 37
38 Страница 38
39 Страница 39
40 Страница 40
Страница: / 40
Загрузка инструкции

1

СОДЕРЖАНИЕ:

РУКОВОДСТВО ПО ЭКСПЛУАТАЦИИ.

I. Основные функции системы....................................................................................................................................... 3

II. Индикация дисплея LCD................................................................................................................................................4

III. Брелоки дистанционного управления....................................................................................................................6

IV. Функции, выполняемые при помощи брелока..................................................................................................7

V. Как пользоваться охранным комплексом:

1.

Постановка в охрану...................................................................................................................................................8

2.

Тихая постановка в охрану.......................................................................................................................................8

3.

Отключение датчика удара.....................................................................................................................................8

4.

Отключение режима охраны..................................................................................................................................9

5.

Двушаговое отключение режима охраны........................................................................................................9

6.

Охрана с заведенным двигателем........................................................................................................................9

7.

Автоматическая постановка в охрану................................................................................................................9

8.

Автоматическая перепостановка в охрану....................................................................................................10

9.

Режим охраны.............................................................................................................................................................10

10. Режим иммобилайзера...........................................................................................................................................10

11. Функция безопасного вождения........................................................................................................................11

12. Управление центральным замком во время движения...........................................................................11

13. Дистанционный запуск/глушение двигателя...............................................................................................11

14. Турботаймер...........................................................................................................................................................11

15. Автоматический почасовой запуск двигателя.............................................................................................12

16. Автоматический прогрев двигателя по заданной температуре..........................................................12

17. Подготовка к дистанционному запуску для а/м с механической коробкой передач................12

18. Поиск автомобиля.....................................................................................................................................................13

19. Паник-функция...........................................................................................................................................................13

20. Anti-Hijack.....................................................................................................................................................................13

21. Дистанционный Anti-Hijack...................................................................................................................................13

22. Режим Valet...................................................................................................................................................................14

23. Защита от ложных срабатываний.......................................................................................................................14

24. Дистанционный опрос состояния.....................................................................................................................15

25. Дистанционное отпирание багажника............................................................................................................15

26. Дистанционное отключение сирены...............................................................................................................15

27. Управление дополнительным каналом...........................................................................................................16

28. Аварийное снятие с охраны.................................................................................................................................16

29. Персональный код (PIN код).................................................................................................................................16

30. Программирование нового PIN кода...............................................................................................................17

31. Программирование новых брелоков..............................................................................................................18

32. Информация о запрограммированных брелоках......................................................................................18

33. Информация о работоспособности датчиков..............................................................................................18

34. Индикация светодиода...........................................................................................................................................18

35. Отображение информации на LCD брелоке.................................................................................................19

36. Функциональные возможности брелок-пейджера...................................................................................19

37. Порядок замены элемента питания в брелоке с LCD................................................................................19

38. Режим программирования охранных функций...........................................................................................20

39. Режим программирования функций дистанционного запуска............................................................20

"Загрузка инструкции" означает, что нужно подождать пока файл загрузится и можно будет его читать онлайн. Некоторые инструкции очень большие и время их появления зависит от вашей скорости интернета.

Другие инструкции для Tomahawk 9.3 24V

Характеристики

Другие модели - Автосигнализации Tomahawk

Все автосигнализации Tomahawk