Tomahawk TW-7100 - Инструкция по эксплуатации

Tomahawk TW-7100

Автосигнализация Tomahawk TW-7100 - инструкция пользователя по применению, эксплуатации и установке на русском языке. Мы надеемся, она поможет вам решить возникшие у вас вопросы при эксплуатации техники.

Если остались дополнительные вопросы — свяжитесь с нами через контактную форму.

1 Страница 1
2 Страница 2
3 Страница 3
4 Страница 4
5 Страница 5
6 Страница 6
7 Страница 7
8 Страница 8
9 Страница 9
10 Страница 10
11 Страница 11
12 Страница 12
13 Страница 13
14 Страница 14
15 Страница 15
16 Страница 16
17 Страница 17
18 Страница 18
19 Страница 19
20 Страница 20
21 Страница 21
22 Страница 22
23 Страница 23
24 Страница 24
25 Страница 25
26 Страница 26
27 Страница 27
28 Страница 28
29 Страница 29
30 Страница 30
31 Страница 31
32 Страница 32
33 Страница 33
34 Страница 34
35 Страница 35
Страница: / 35

Содержание:

  • Страница 3 – РУКОВОДСТВО ПО ЭКСПЛУАТАЦИИ
  • Страница 4 – II; - индикация закрытого центрального замка.; CALL
  • Страница 6 – III; Рис. 2 Рис. 3; Светодиод
  • Страница 7 – TOMAHA; IV
  • Страница 9 – Индикация; Режим; Функция; Виброзвонок
  • Страница 10 – . Как пользоваться охранным комплексом.; Тихая постановка в охрану
  • Страница 12 – Отключение иммобилайзера.
  • Страница 15 – Контроль температуры внутри салона автомобиля.; Внимание
  • Страница 16 – Отключение режима охраны.
  • Страница 17 – Программирование нового PIN кода.
  • Страница 18 – Отображение информации на LCD брелоке.
  • Страница 19 – Функциональные возможности брелока-пейджера.; VII; . Порядок замены элемента питания в брелоке с
  • Страница 21 – Руководство по установке.; II. Выбор расположения основных блоков
  • Страница 22 – Основной разъем 14 PIN.
  • Страница 23 – - разъем для подключения кнопки активации функции Anti-; Фиолетовый провод; Разъем светодиода 2 PIN.; Разъем 2 PIN; - разъем для подключения светодиода.; Разъем 5 PIN
  • Страница 24 – Схема 1
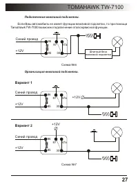
  • Страница 27 – Вариант 1; Вариант; Синий провод; Синий провод
  • Страница 29 – Серый провод; Обязательно используйте сокет с защищающим диодом.
  • Страница 30 – Программирование функций.
  • Страница 31 – Описание функции; раза; “ЧИРП”; . Таблица программирования
  • Страница 34 – Комплектация; Центральный модуль.
Загрузка инструкции

TOMAHAWK TW-7100

СОДЕРЖАНИЕ:

РУКОВОДСТВО ПО ЭКСПЛУАТАЦИИ.

I

. Основные функции системы.

3

II

. Индикация дисплея LCD.

4

III

. Брелоки дистанционного управления.

6

IV

. Функции, выполняемые с брелока.

7

V

. Как пользоваться охранным комплексом:

10

1. Постановка в охрану.

10

2. Тихая постановка в охрану.

10

3. Постановка в охрану с

отключением датчика удара.

10

4. Отключение режима охраны.

11

5. Двушаговое отключение режима охраны.

11

6. Охрана с заведенным двигателем.

11

7. Автоматическая постановка в охрану.

11

8. Автоматическая перепостановка в охрану.

12

9. Режим охраны.

12

10. Режим иммобилайзера.

12

11. Функция безопасного вождения.

13

12. Управление центральным замком

во время движения.

13

13. Поиск автомобиля.

13

14. Паник-функция.

13

15. Anti-Hijack.

13

16. Режим Valet.

14

17. Вызов водителя.

14

18.Защита от ложных срабатываний.

15

19. Контроль температуры внутри

салона автомобиля.

15

20. Дистанционное отпирание багажника/1-й доп. канал.

15

21. Дистанционное отключение сирены.

15

22. 2-й дополнительный канал.

16

23. Персональный код (PIN код).

16

24. Программирование нового PIN кода.

17

25. Программирование новых брелоков.

18

26. Отображение информации на LCD брелоке.

18

27. Индикация светодиода.

18

28. Проверка работоспособности датчиков.

19

VI

. Функциональные возможности брелока-пейджера.

19

VII

. Порядок замены элемента питания.

19

РУКОВОДСТВО ПО ЭКСПЛУАТАЦИИ.

I

. Основные принципы установки.

21

II

. Выбор расположения основных блоков.

21

III

. Подключение системы.

22

IV

. Схемы.

24-29

V

. Программирование дополнительных функций.

30

VI

. Технические характеристики.

33

VII

. Комплектация.

34

1

"Загрузка инструкции" означает, что нужно подождать пока файл загрузится и можно будет его читать онлайн. Некоторые инструкции очень большие и время их появления зависит от вашей скорости интернета.

Краткое содержание

Страница 3 - РУКОВОДСТВО ПО ЭКСПЛУАТАЦИИ

РУКОВОДСТВО ПО ЭКСПЛУАТАЦИИ I . Основные функции системы. 1. Антиграббер. 2. Антисканер. 3. Энергонезависимая память с остояния позволяет системе с охранить свое состояние в случае временного отключения питания. 4. Двухуровневый шок сенсор новейшей конструкции. 5. Режим "Паника". 6. Автомати...

Страница 4 - II; - индикация закрытого центрального замка.; CALL

II . Индикация дисплея LCD. Рис. 1 1. - индикация режима охраны. 2. - индикация режима “тихой охраны”. 3. - индикация закрытого центрального замка. 4. -индикация открытого центрального замка. 5. - индикация открытой(ых) двери(ей). 6. - индикация открытого капота. 7. - индикация открытого багажника. ...

Страница 6 - III; Рис. 2 Рис. 3; Светодиод

21. - индикация включенного таймера. 22. - индикация включенного будильника. 23. - часы. 24. - единицы измерения температуры (С или F) III . Брелоки дистанционного управления. Охранный комплекс комплектуется двумя типами брелоков. Брелок с LCD дисплеем отображает информацию о состоянии автомобиля пр...

Характеристики

Другие модели - Автосигнализации Tomahawk

Все автосигнализации Tomahawk