Тепловые завесы Тепломаш КЭВ-24П7011Е - инструкция пользователя по применению, эксплуатации и установке на русском языке. Мы надеемся, она поможет вам решить возникшие у вас вопросы при эксплуатации техники.
Если остались вопросы, задайте их в комментариях после инструкции.
"Загружаем инструкцию", означает, что нужно подождать пока файл загрузится и можно будет его читать онлайн. Некоторые инструкции очень большие и время их появления зависит от вашей скорости интернета.

14
ÊÝÂ-Ï7021Å.000-02 Ý3
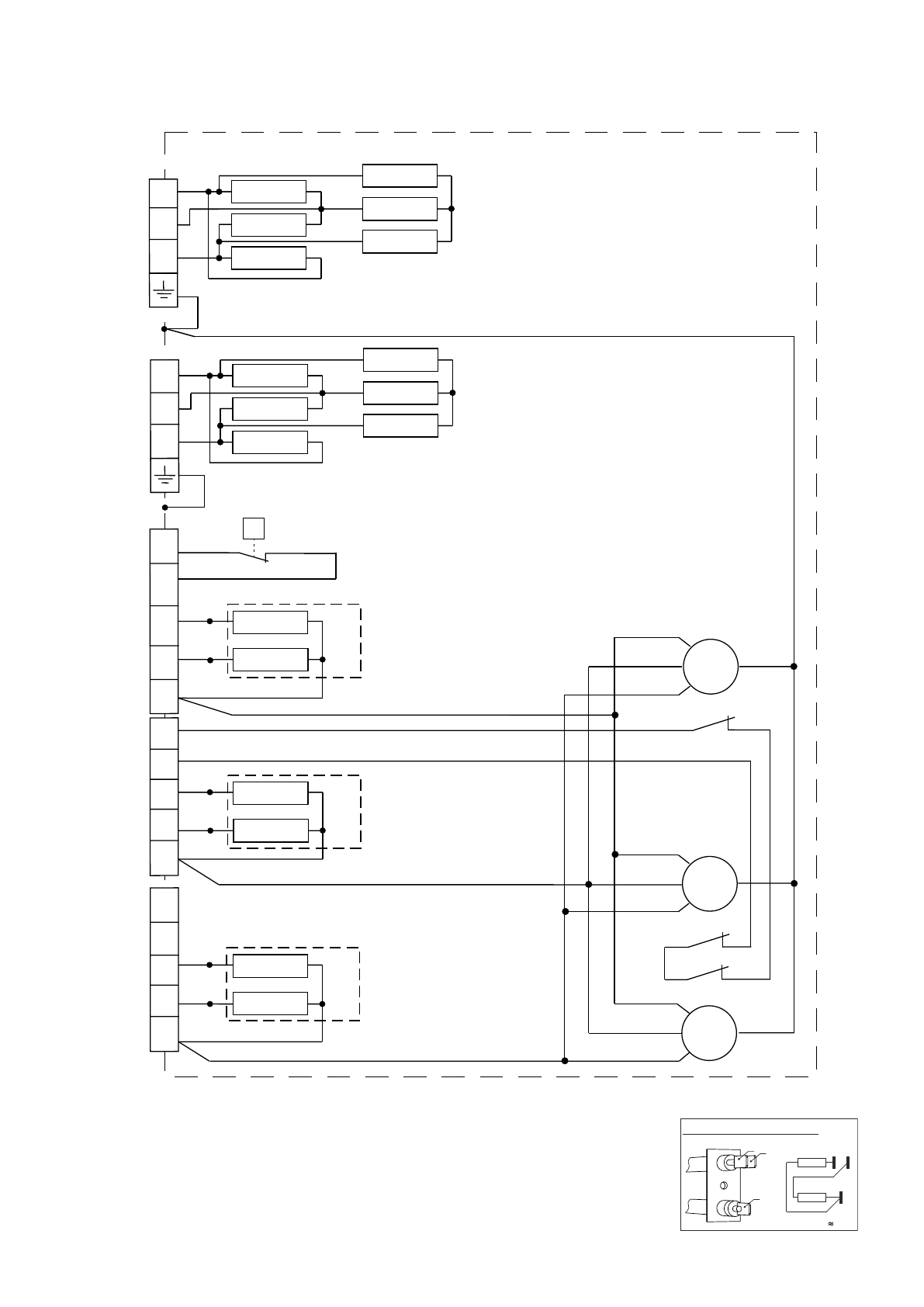
Çàâåñà ÊÝÂ-48Ï7021Å
Ñõåìà ýë. ïðèíöèïèàëüíàÿ
Èçì
Ðàçðàá.
12
.
02
.1
5
À.À.Ðîìàíîâ
Ä.Â.Ãîëóáåâ
Ïðîâåðèë
Óòâåðäèë
Ëèòåðà
Ëèñò 1
Ëèñòîâ 1
Ìàññà Ìàñøòàá
Ëèñò ¹ äîêóì.
Èíâ.¹ ïîäë.
Âçàèì Èíâ.¹
Èíâ.¹ äóáë.
Ñïðàâ.¹
Ïåðâîå ïðèìåíåíèå
Ïîäïèñü è äàòà
Ïîäïèñü è äàòà
Ïîäïèñü Äàòà
ÍÏÎ «Òåïëîìàø»
Â
À
Ñ
Â
À
Ñ
3
2
1
5
4
3
2
1
5
4
3
2
1
5
4
X1
X2
X3
SK1 120
°
C
5
5
5
3
3
3
4
4
4
Ì3
0
t C
ì
t
°
C
ì
t
°
C
ì
Ì2
Ì1
X
4
X
4
X5
ÅÊ1
ÅÊ7
ÅÊ1
ÅÊ2
ÅÊ8
ÅÊ2
ÅÊ3
ÅÊ9
ÅÊ3
ÅÊ4
ÅÊ10
ÅÊ4
ÅÊ5
ÅÊ11
ÅÊ5
ÅÊ6
ÅÊ12
ÅÊ6
À1
À2
À3
3PE~50/380
Ââîä 1
3PE~50/380
Ââîä 2
Î3
Çàãðåäèíîâ
t
Рисунок 6. Электрическая схема завесы КЭВ-48П7021Е
3
ТЭН-резистор А1, А2, А3
3
R1
R
2R1
2
R2
4
4
5
5












