Тепловые завесы Тепломаш КЭВ-24П7011Е - инструкция пользователя по применению, эксплуатации и установке на русском языке. Мы надеемся, она поможет вам решить возникшие у вас вопросы при эксплуатации техники.
Если остались вопросы, задайте их в комментариях после инструкции.
"Загружаем инструкцию", означает, что нужно подождать пока файл загрузится и можно будет его читать онлайн. Некоторые инструкции очень большие и время их появления зависит от вашей скорости интернета.

11
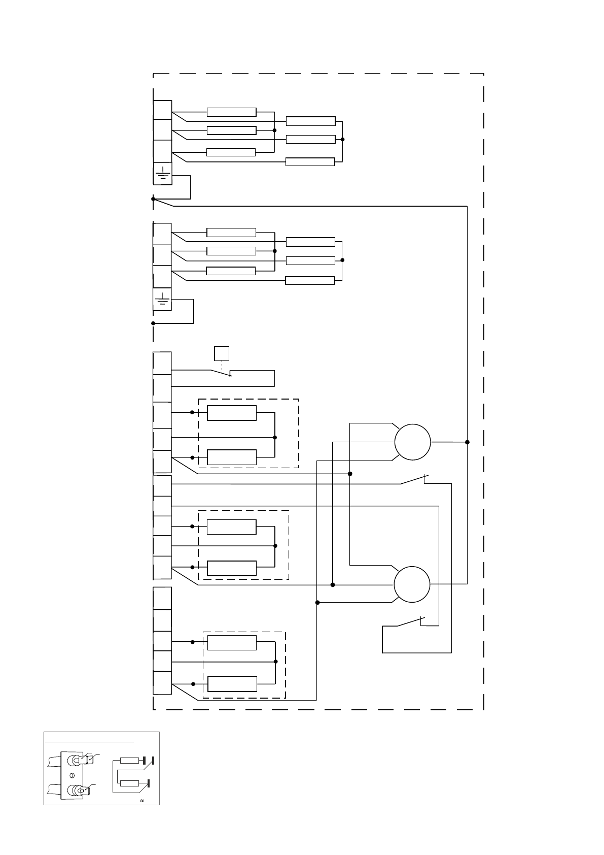
Рисунок 3. Электрическая схема завесы КЭВ-24П7011Е, КЭВ-36П7011Е
ÊÝÂ-Ï7011Å.000 Ý3
Çàâåñà ÊÝÂ-24Ï7011Å
Ñõåìà ýë. ïðèíöèïèàëüíàÿ
Èçì
Ðàçðàá. Çàãðåäèíîâ
À.À.Ðîìàíîâ
Ä.Â.Ãîëóáåâ
Ïðîâåðèë
Óòâåðäèë
Ëèòåðà
Ëèñò 1
Ëèñòîâ
Ìàññà Ìàñøòàá
Ëèñò ¹ äîêóì.
Èíâ.¹ ïîäë.
Âçàèì Èíâ.¹
Èíâ.¹ äóáë.
Ñïðàâ.¹
Ïåðâîå ïðèìåíåíèå
Ïîäïèñü è äàòà
Ïîäïèñü è äàòà
Ïîäïèñü Äàòà
ÍÏÎ «Òåïëîìàø»
Â
À
Ñ
Â
À
Ñ
3
2
1
5
4
3
2
1
5
4
3
2
1
5
4
X1
X2
X3
ÅÊ1...ÅÊ3
ÅÊ4...ÅÊ6
ÅÊ7...ÅÊ9
ÅÊ10...ÅÊ12
SK1 120
°
C
3
5
4
3
5
4
3
5
4
0
t C
ì
0
t C
ì
Ì1
Ì2
X
5
X
4
À1
À2
À3
t
3PE~50/380
Ââîä 1
3PE~50/380
Ââîä 2
13
.
02
.1
5
Î3
3
ТЭН-резистор А1, А2, А3
3
R1
R
2R1
2
R2
4
4
5
5












