Тепловые завесы Ballu BHC-H15A-PS - инструкция пользователя по применению, эксплуатации и установке на русском языке. Мы надеемся, она поможет вам решить возникшие у вас вопросы при эксплуатации техники.
Если остались вопросы, задайте их в комментариях после инструкции.
"Загружаем инструкцию", означает, что нужно подождать пока файл загрузится и можно будет его читать онлайн. Некоторые инструкции очень большие и время их появления зависит от вашей скорости интернета.

5
Монтаж завесы
Монтаж завесы
ВНИМАНИЕ!
• Перед проведением монтажных работ необхо
-
димо ознакомиться с разделом «Правила без-
опасности» настоящей инструкции.
• К монтажу и техническому обслуживанию завес
допускаются лица, изучившие их устройство,
правила монтажа и эксплуатации, и прошедшие
инструктаж по соблюдению правил техники
электропожаробезопасности.
• Воздушная завеса должна подключаться специ
-
алистами, имеющими соответствующий допуск
по технике безопасности.
Размещение завесы
Перед отверстием воздухозабора и выхода воз-
духа не должно быть препятствий.
При монтаже завес должен обеспечиваться свобод-
ный доступ к местам их обслуживания. Для пере-
крытия широкого проема допускается устанавли-
вать несколько завес одного типа и серии вплотную,
создавая непрерывную воздушную струю.
Завеса размещается стационарно, возможен
вертикальный и горизонтальный монтаж (слева/
справа от проема) 3 варианта размещения:
1. на кронштейны, входящие в
комплект поставки (см. раздел «Монтаж завесы
на кронштейны»);
2. или подвес на крепежные отверстия в задней
стенке завесы (см. раздел «Монтаж завесы на
крепежные отверстия»);
3. Допускается горизонтальный подвес на втулки
с внутренней резьбой М6.
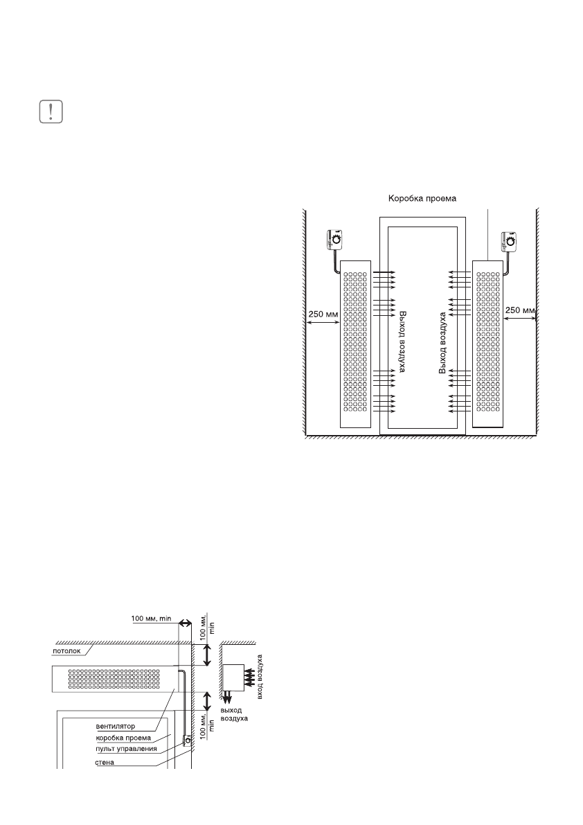
Горизонтальная установка
Для установки завесы над проемом в горизонтальном
положении, рекомендуется выдерживать расстояния,
не менее указанных на рисунке ниже.
Монтаж выполнен горизонтально, над проемом
Вертикальная установка
При вертикальном монтаже завесы ее необходимо
располагать таким образом, чтобы выпуск возду-
ха по возможности наиболее близко находился к
плоскости проема, а срез выпускающего сопла – на
уровне верхней кромки дверной рамы. При монта-
же необходимо следить, чтобы смотровые отвер-
стия были доступны и составляли примерно 250 мм.
вентилятор
Монтаж выполнен вертикально, сбоку от проема












