Тепловые завесы Ballu BHC-H15A-PS - инструкция пользователя по применению, эксплуатации и установке на русском языке. Мы надеемся, она поможет вам решить возникшие у вас вопросы при эксплуатации техники.
Если остались вопросы, задайте их в комментариях после инструкции.
"Загружаем инструкцию", означает, что нужно подождать пока файл загрузится и можно будет его читать онлайн. Некоторые инструкции очень большие и время их появления зависит от вашей скорости интернета.

12
Монтаж завесы
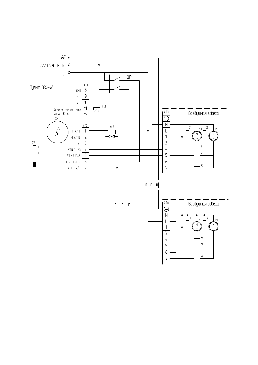
М1-Mn - электродвигатель;
C1-Cn - конденсатор;
R1-Rn - нагрузка;
SK1 - терморегулятор;
ХТ1-XTn - колодка клеммная;
SA1 - переключатель режимов вентиляции;
RK1 - термодатчик;
YA1 - электромагнитный привод двух-/трехходового вентиля;
QF1 - автоматический выключатель.
Схема электрическая принципиальная группового подключения воздушных завес с пультом
BRC-W, на примере воздушной завесы BHC-H20A-PS:
Групповое подключение воздушных завес BHC-
H10A-PS и BHC-H15A-PS к пульту BRC-W, произ-
водится аналогично.












