Тепловые пушки Тепломаш КЭВ-25Т20Е - инструкция пользователя по применению, эксплуатации и установке на русском языке. Мы надеемся, она поможет вам решить возникшие у вас вопросы при эксплуатации техники.
Если остались вопросы, задайте их в комментариях после инструкции.
"Загружаем инструкцию", означает, что нужно подождать пока файл загрузится и можно будет его читать онлайн. Некоторые инструкции очень большие и время их появления зависит от вашей скорости интернета.

12
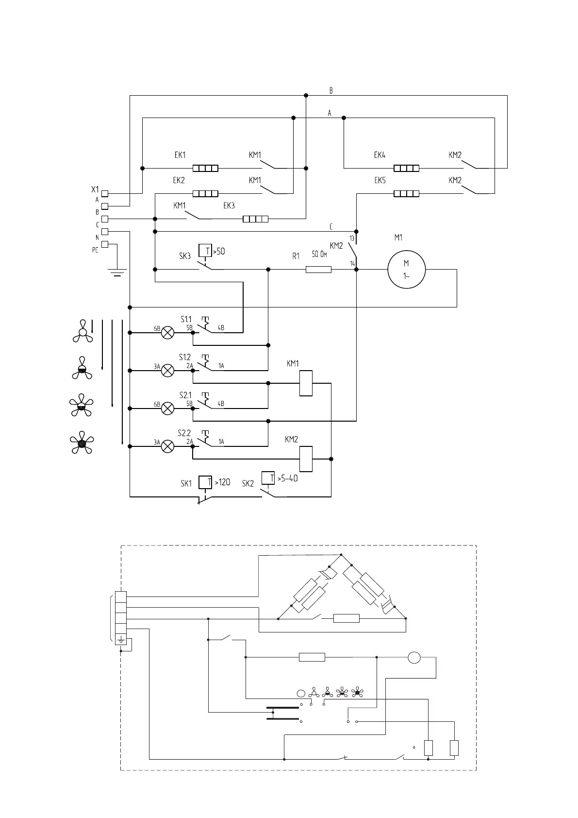
Рисунок 4. Электрическая схема тепловентилятора КЭВ-25Т20Е
Изделие КЭВ-25Т20ЕМ
Схема эл. принципиальная
Изм
Разраб.
К.В.Лесохин
Проверил
Утвердил
Литера
Лист 1
Листов 1
Масса Масштаб
Лист № докум.
Инв.№
подл.
Взаим
Инв.№
Инв.№
дубл.
Справ.№
Первое
применение
Подпись
и
дата
Подпись
и
дата
Подпись Дата
НПО «Тепломаш»
N
3
50/380
NPE~
Х1
А
А
В
С
А
В
SA1
1
2
3
4
SK2
5-40 С
КМ2
КМ1
R1
M1
SK3 50 С
°
SK1 120 С
°
А.А.Романов
КЭВ-35Т20М.03.000-03 Э3
О2
ЕК1...ЕК5
КМ1
В
КМ1
КМ2
КМ2
КМ1
C
Скорость
Об./мин (n)
при номинальном напряжении*
n
номин
Допуск
минимальная
максимальная
*
в холодном режиме
–
/На основании протокола испытаний КЭВ-35Т20ЕМ от 4.07.12./
Фаза
Ток (А)*
при номинальном напряжении
Рmin
I ном
*
при максимальной скорости
–
I ном
Допуск
Допуск
Фаза
Рmax
A
B
C
1240
1370
+/- %
5
+/- %
5
45,3
34,7
35,6
2 ,
2 8
22 8
,
23 7
,
20 5 23 9
, - ,
20,5-23,9
41,0-47,8
31,6-36,5
21 3 24 9
, - ,
32,1-37,5
А.М.Катаев
27.09.12
08.10.12
29.11.12
12.12.12.
27.02.12.
Исполнение 1: клавиши переключения режимов
Исполнение 2: ручка роторного переключателя
Содержание
- 3 *допускается кратковременное понижение температуры до минус 25; ТЕХНИЧЕСКИЕ ХАРАКТЕРИСТИКИ
- 4 УСТРОЙСТВО И ПОРЯДОК РАБОТЫ; Ручка терморегулятора; ВНИМАНИЕ: Включение клавиш производить
- 5 УКАЗАНИЕ МЕР БЕЗОПАСНОСТИ
- 6 Примечание - использовать кабели с многопроволочными жилами.
- 9 2 ГАРАНТИЙНЫЕ ОБЯЗАТЕЛЬСТВА
- 11 Рисунок 3. Электрическая схема тепловентилятора КЭВ-20Т20Е; Схема эл. принципиальная; Исполнение 1: клавиши переключения режимов
- 12 Рисунок 4. Электрическая схема тепловентилятора КЭВ-25Т20Е
- 13 Рисунок 5. Электрическая схема тепловентилятора КЭВ-30Т20Е
- 14 Рисунок 6. Электрическая схема тепловентилятора КЭВ-35Т20Е
- 15 ДЛЯ ЗАМЕТОК
- 16 3 СВИДЕТЕЛЬСТВО О ПРИЕМКЕ; Дата изготовления; 4 СВИДЕТЕЛЬСТВО О ПОДКЛЮЧЕНИИ; Подключен к сети в соответствии с п.7 Паспорта; СБ
Характеристики
Остались вопросы?Не нашли свой ответ в руководстве или возникли другие проблемы? Задайте свой вопрос в форме ниже с подробным описанием вашей ситуации, чтобы другие люди и специалисты смогли дать на него ответ. Если вы знаете как решить проблему другого человека, пожалуйста, подскажите ему :)