Тепловые пушки Тепломаш КЭВ-12С40E - инструкция пользователя по применению, эксплуатации и установке на русском языке. Мы надеемся, она поможет вам решить возникшие у вас вопросы при эксплуатации техники.
Если остались вопросы, задайте их в комментариях после инструкции.
"Загружаем инструкцию", означает, что нужно подождать пока файл загрузится и можно будет его читать онлайн. Некоторые инструкции очень большие и время их появления зависит от вашей скорости интернета.
Загружаем инструкцию

- 15 -
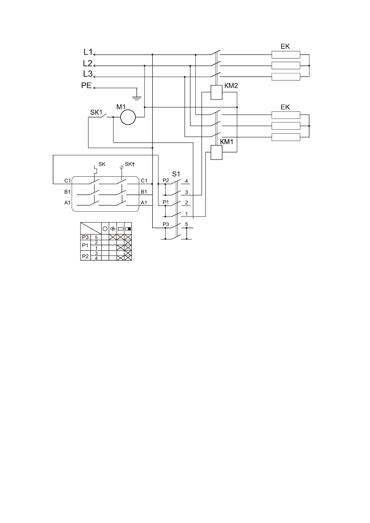
Рис 9. Электрическая схема КЭВ-18С40Е
Содержание
- 3 УСЛОВИЯ ЭКСПЛУАТАЦИИ; С не более, % 80; ТЕХНИЧЕСКИЕ ХАРАКТЕРИСТИКИ
- 5 Внимание! Не прикладывать чрезмерных усилий при вращении ручек.
- 7 Внимание! Для увеличения эксплуатационного срока службы
- 8 установке
- 9 Использовать нулевой провод в качестве заземления запрещается!; После транспортирования или хранения тепловентилятора при; Таблица 2. Сечения подводящих проводов; КОНТРОЛЬ ЗА РАБОТОЙ ТЕПЛОВЕНТИЛЯТОРА; осматривать тепловентилятор и нагреватели
- 14 EK
- 16 СВИДЕТЕЛЬСТВО О ПРИЕМКЕ; CВИДЕТЕЛЬСТВО О ПОДКЛЮЧЕНИИ
Характеристики
Остались вопросы?Не нашли свой ответ в руководстве или возникли другие проблемы? Задайте свой вопрос в форме ниже с подробным описанием вашей ситуации, чтобы другие люди и специалисты смогли дать на него ответ. Если вы знаете как решить проблему другого человека, пожалуйста, подскажите ему :)
Часто задаваемые вопросы
Как посмотреть инструкцию к Тепломаш КЭВ-12С40E?
Необходимо подождать полной загрузки инструкции в сером окне на данной странице
Руководство на русском языке?
Все наши руководства представлены на русском языке или схематично, поэтому вы без труда сможете разобраться с вашей моделью
Как скопировать текст из PDF?
Чтобы скопировать текст со страницы инструкции воспользуйтесь вкладкой "HTML"