Тепловые пушки Тепломаш КЭВ-12С40E - инструкция пользователя по применению, эксплуатации и установке на русском языке. Мы надеемся, она поможет вам решить возникшие у вас вопросы при эксплуатации техники.
Если остались вопросы, задайте их в комментариях после инструкции.
"Загружаем инструкцию", означает, что нужно подождать пока файл загрузится и можно будет его читать онлайн. Некоторые инструкции очень большие и время их появления зависит от вашей скорости интернета.

- 11 -
12.4 Гарантийный и послегарантийный ремонт тепловентилятора
осуществляется на заводе-изготовителе по предъявлению гарантийного
талона со штампом торговой организации и паспорта на изделие.
РЕКЛАМАЦИИ БЕЗ ТЕХНИЧЕСКОГО АКТА И ПАСПОРТА НА
ИЗДЕЛИЕ, C ЗАПОЛНЕННЫМ СВИДЕТЕЛЬСТВОМ О ПОДКЛЮЧЕНИИ
НЕ ПРИНИМАЮТСЯ!
Гарантийный и послегарантийный ремонт осуществляется по адресу:
195279, Санкт-Петербург, шоссе Революции, 90
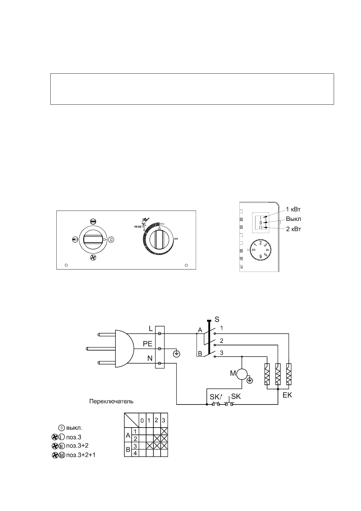
Рис. 1. Управление тепловентиляторами
КЭВ-С41Е, КЭВ-С40Е КЭВ-2С51Е
Рис.2. Электрическая схема КЭВ-2С41Е
Содержание
- 3 УСЛОВИЯ ЭКСПЛУАТАЦИИ; С не более, % 80; ТЕХНИЧЕСКИЕ ХАРАКТЕРИСТИКИ
- 5 Внимание! Не прикладывать чрезмерных усилий при вращении ручек.
- 7 Внимание! Для увеличения эксплуатационного срока службы
- 8 установке
- 9 Использовать нулевой провод в качестве заземления запрещается!; После транспортирования или хранения тепловентилятора при; Таблица 2. Сечения подводящих проводов; КОНТРОЛЬ ЗА РАБОТОЙ ТЕПЛОВЕНТИЛЯТОРА; осматривать тепловентилятор и нагреватели
- 14 EK
- 16 СВИДЕТЕЛЬСТВО О ПРИЕМКЕ; CВИДЕТЕЛЬСТВО О ПОДКЛЮЧЕНИИ
Характеристики
Остались вопросы?Не нашли свой ответ в руководстве или возникли другие проблемы? Задайте свой вопрос в форме ниже с подробным описанием вашей ситуации, чтобы другие люди и специалисты смогли дать на него ответ. Если вы знаете как решить проблему другого человека, пожалуйста, подскажите ему :)