Тепловые пушки Ballu BHP-M2-40 - инструкция пользователя по применению, эксплуатации и установке на русском языке. Мы надеемся, она поможет вам решить возникшие у вас вопросы при эксплуатации техники.
Если остались вопросы, задайте их в комментариях после инструкции.
"Загружаем инструкцию", означает, что нужно подождать пока файл загрузится и можно будет его читать онлайн. Некоторые инструкции очень большие и время их появления зависит от вашей скорости интернета.

8
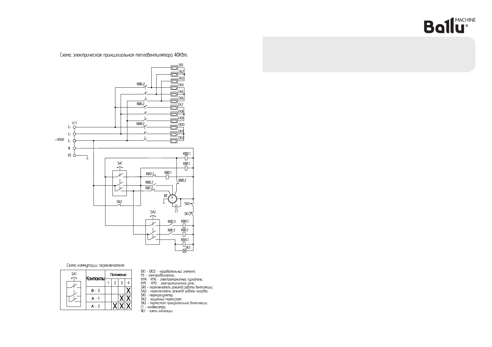
Приложени
Приложени
ГАРАНТИЙНЫЙ ТАЛОН
Настоящий документ не ограничивает определенные законом права потребителей,
но дополняет и уточняет оговоренные законом обязательства,
предполагающие соглашение Сторон, либо договор
Поздравляем вас с приобретением техники отлич-
ного качества!
Убедительно просим вас во избежание недоразумений
до установки/эксплуатации изделия внимательно из-
учить его инструкцию по эксплуатации.
В конструкцию, комплектацию или технологию изготов-
ления изделия, с целью улучшения его технических ха-
рактеристик, могут быть внесены изменения. Такие из-
менения вносятся без предварительного уведомления
Покупателя и не влекут обязательств по изменению/
улучшению ранее выпущенных изделий.
Дополнительную информацию по продукту вы можете
получить у Продавца или по нашей информационной
линии в г. Москве:
Тел.:
8 (800) 500-07-75
Режим работы с 10:00 до 19:00 (пн-пт)
По России звонок бесплатный
E-mail:
service@ballu.ru
Адрес в интернете:
www.ballu.ru
Внешний вид и комплектность изделия
Тщательно проверьте внешний вид изделия и его
комплектность, все претензии по внешнему виду и
комплектности предъявляйте Продавцу при покупке
изделия. Гарантийное обслуживание купленного вами
прибора осуществляется через Продавца, специализи-
рованные сервисные центры или монтажную организа-
цию, проводившую установку прибора (если изделие
нуждается в специальной установке, подключении или
сборке).
По всем вопросам, связанным с техобслуживанием из-
делия, обращайтесь в специализированные сервисные
центры. Подробная информация о сервисных центрах,
уполномоченных осуществлять ремонт и техническое
обслуживание изделия, находится на вышеуказанном
сайте.
Заполнение гарантийного талона
Внимательно ознакомьтесь с гарантийным талоном и
проследите, чтобы он был правильно заполнен и имел
штамп Продавца. При отсутствии штампа Продавца и
даты продажи (либо кассового чека с датой продажи)
гарантийный срок исчисляется с даты производства
изделия.
Запрещается вносить в гарантийный талон какие-либо
изменения, а также стирать или переписывать указан-
ные в нём данные. Гарантийный талон должен содер-
жать: наименование и модель изделия, его серийный
номер, дата продажи, а также имеется подпись уполно-
моченного лица и штамп Продавца.
В случае неисправности прибора по вине изготовите-
ля обязательство по устранению неисправности будет
возложено на уполномоченную изготовителем органи-
зацию. В данном случае покупатель вправе обратиться
к Продавцу.
Ответственность за неисправность прибора, возник-
шую по вине организации, проводившей установку
(монтаж) прибора возлагается на монтажную органи-
зацию. В данном случае необходимо обратиться к ор-
ганизации, проводившей установку (монтаж) прибора.
Для установки (подключения) изделия (если оно нужда-
ется в специальной установке, подключении или сбор-
ке) рекомендуем обращаться в специализированные
сервисные центры, где можете воспользоваться услу-
гами квалифицированных специалистов. Продавец,
уполномоченная изготовителем организация, импор-
тер и изготовитель не несут ответственности за не-
достатки изделия, возникшие из-за его неправильной
установки (подключения).
Область действия гарантии
Обслуживание в рамках предоставленной гарантии
осуществляется только на территории РФ и распро-
страняется на изделия, купленные на территории РФ.
Настоящая гарантия не дает права на возмещение и
покрытие ущерба, произошедшего в результате пере-
делки или регулировки изделия, без предварительного
письменного согласия изготовителя, с целью приведе-
ния его в соответствие с национальными или местными
техническими стандартами и нормами безопасности,
действующими в любой другой стране, кроме РФ, где
это изделие было первоначально продано.
Настоящая гарантия распространяется на производ-
ственные или конструкционные дефекты изделия
Выполнение ремонтных работ и замена дефектных де-
талей изделия специалистами уполномоченного сер-
висного центра производятся в сервисном центре или












