Тепломаш КЭВ-36П7011Е - Инструкция по эксплуатации

Тепломаш КЭВ-36П7011Е

Тепловая завеса Тепломаш КЭВ-36П7011Е - инструкция пользователя по применению, эксплуатации и установке на русском языке. Мы надеемся, она поможет вам решить возникшие у вас вопросы при эксплуатации техники.

Если остались дополнительные вопросы — свяжитесь с нами через контактную форму.

1 Страница 1
2 Страница 2
3 Страница 3
4 Страница 4
5 Страница 5
6 Страница 6
7 Страница 7
8 Страница 8
9 Страница 9
10 Страница 10
11 Страница 11
12 Страница 12
13 Страница 13
14 Страница 14
15 Страница 15
16 Страница 16
Страница: / 16

Содержание:

  • Страница 2 – СОДЕРЖАНИЕ
  • Страница 4 – УСТРОЙСТВО И ПОРЯДОК РАБОТЫ
  • Страница 7 – ТЕХНИЧЕСКОЕ ОБСЛУЖИВАНИЕ
  • Страница 8 – ВОЗМОЖНЫЕ НЕИСПРАВНОСТИ И СПОСОБЫ ИХ УСТРАНЕНИЯ
  • Страница 9 – ГАРАНТИЙНЫЕ ОБЯЗАТЕЛЬСТВА
  • Страница 16 – СВИДЕТЕЛЬСТВО О ПРИЕМКЕ; СВИДЕТЕЛЬСТВО О ПОДКЛЮЧЕНИИ; СБ
Загрузка инструкции

ПАСПОРТ

ТУ 4864-036-54365100-2015

г. Санкт-Петербург

Серия 700 IP54

ВОЗДУШНО-ТЕПЛОВАЯ ЗАВЕСА

КЭВ-24П7011Е

КЭВ-36П7011Е

КЭВ-42П7011Е

КЭВ-36П7021Е

КЭВ-48П7021Е

КЭВ-60П7021Е

ELECTRIC

С ЭЛЕКТРИЧЕСКИМ

ИСТОЧНИКОМ ТЕПЛА

ЙС

И

К

С

О

С

Й

О

Р

Ф

Е

В

Д

О

Е

Н

РА

А Л

Ц

Е

И

Д

И

С

Версия: RUS-E7.03IP54

Дата: 02-2018

IP

54

"Загрузка инструкции" означает, что нужно подождать пока файл загрузится и можно будет его читать онлайн. Некоторые инструкции очень большие и время их появления зависит от вашей скорости интернета.

Краткое содержание

Страница 2 - СОДЕРЖАНИЕ

2 Паспорт сделан в соответствии с ГОСТ 2.601, 2.105 Ваши замечания и предложения присылайте по адресу 195279, Санкт- Петербург, а /я 132, шоссе Революции, 90 Тел. (812) 301-99-40, тел./факс (812) 327-63-82 Сервис-центр: (812) 493-35-98 www.teplomash.ru СОДЕРЖАНИЕ 1 НАЗНАЧЕНИЕ ..........................

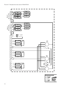
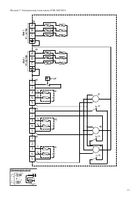
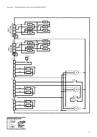
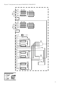
Страница 4 - УСТРОЙСТВО И ПОРЯДОК РАБОТЫ

4 П р о д о л ж е н и е т а б л и ц ы 1 Завесы c электрическим источником тепла КЭВ-36П7021Е арт.127006 КЭВ-48П7021Е арт.127005 КЭВ-60П7021Е арт.127007 Параметры питающей сети, В/Гц 380/50 Режимы мощности 1 , кВт */18/36 */24/48 */30/60 Расход воздуха, м 3 /ч 12000/12500/13000 Скорость воздуха на вы...

Страница 7 - ТЕХНИЧЕСКОЕ ОБСЛУЖИВАНИЕ

7 7.5 В в о д з а в е с ы в э к с п л у а т а ц и ю 7.5.1 При вводе завесы в эксплуатацию необходимо: – убедиться в отсутствии препятствий для всасывания воздуха; – проверить напряжение питания; – Кратковременным включением изделия проверить соответствие направления вращения вентиляторов направлению...

Характеристики

Другие модели - Тепловые завесы Тепломаш

Все тепловые завесы Тепломаш