Тепломаш КЭВ-42П7011Е - инструкции и руководства

Тепловая завеса Тепломаш КЭВ-42П7011Е - инструкции пользователя по применению, эксплуатации и установке на русском языке читайте онлайн в формате pdf

1 Page 1
2 Page 2
3 Page 3
4 Page 4
5 Page 5
6 Page 6
7 Page 7
8 Page 8
9 Page 9
10 Page 10
11 Page 11
12 Page 12
13 Page 13
14 Page 14
15 Page 15
16 Page 16

Краткое содержание

Страница 2 - СОДЕРЖАНИЕ

2 Паспорт сделан в соответствии с ГОСТ 2.601, 2.105 Ваши замечания и предложения присылайте по адресу 195279, Санкт- Петербург, а /я 132, шоссе Революции, 90 Тел. (812) 301-99-40, тел./факс (812) 327-63-82 Сервис-центр: (812) 493-35-98 www.teplomash.ru СОДЕРЖАНИЕ 1 НАЗНАЧЕНИЕ ..........................

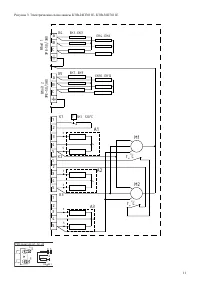
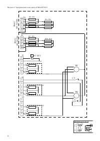
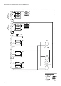
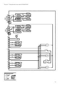
Страница 4 - УСТРОЙСТВО И ПОРЯДОК РАБОТЫ

4 П р о д о л ж е н и е т а б л и ц ы 1 Завесы c электрическим источником тепла КЭВ-36П7021Е арт.127006 КЭВ-48П7021Е арт.127005 КЭВ-60П7021Е арт.127007 Параметры питающей сети, В/Гц 380/50 Режимы мощности 1 , кВт */18/36 */24/48 */30/60 Расход воздуха, м 3 /ч 12000/12500/13000 Скорость воздуха на вы...

Страница 7 - ТЕХНИЧЕСКОЕ ОБСЛУЖИВАНИЕ

7 7.5 В в о д з а в е с ы в э к с п л у а т а ц и ю 7.5.1 При вводе завесы в эксплуатацию необходимо: – убедиться в отсутствии препятствий для всасывания воздуха; – проверить напряжение питания; – Кратковременным включением изделия проверить соответствие направления вращения вентиляторов направлению...

Тепломаш Тепловые завесы Инструкции