Телевизоры Panasonic TH-42PWD4 - инструкция пользователя по применению, эксплуатации и установке на русском языке. Мы надеемся, она поможет вам решить возникшие у вас вопросы при эксплуатации техники.
Если остались вопросы, задайте их в комментариях после инструкции.
"Загружаем инструкцию", означает, что нужно подождать пока файл загрузится и можно будет его читать онлайн. Некоторые инструкции очень большие и время их появления зависит от вашей скорости интернета.

12
ÑÎÅÄÈÍÅÍÈß
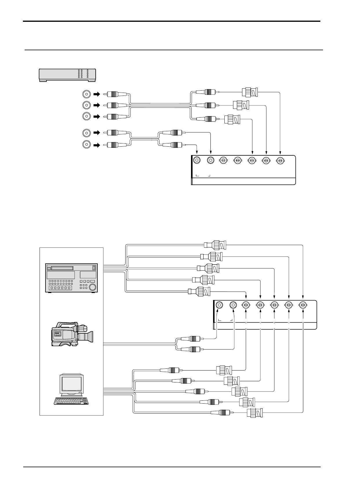
Êàê âûïîëíèòü ïîäêëþ÷åíèå ê âõîäíûì ðàçú¸ìàì
Co
mponent/RGB
Ïðèìå÷àíèÿ
:
(1)
Èçìåíèòå óñòàíîâêó
“Component/RGB-in”
â ìåíþ óñòàíîâêè íà
“Y/P
B
/P
R
”. (
ñì. ñòð.
34, 36)
(2)
Äîïîëíèòåëüíûå ìàòåðèàëû è êàáåëè , ïîêàçàííûå íà ñõåìå , íå âõîäÿò â êîìïëåêò ïîñòàâêè ïëàçìåííîãî äèñïëåÿ
Ïîäêëþ÷åíèå êîìïîíåíòíûõ ñèãíàëîâ
(Y, PB, PR)
Ïðèìå÷àíèÿ
:
(1)
Èçìåíèòå óñòàíîâêó
“Component/RGB-in”
â ìåíþ óñòàíîâêè
“Setup”
íà
“RGB”. (
ñì. ñòð.
34, 36)
(2)
Äîïîëíèòåëüíûå ìàòåðèàëû è êàáåëè, ïîêàçàííûå íà ñõåìå, íå âõîäÿò â êîìïëåêò ïîñòàâêè ïëàçìåííîãî äèñïëåÿ
Ïîäêëþ÷åíèå ñèãíàëà
RGB (R, G, B, HD, VD)
Audio input to
L/R sockets
G
B
R
VD
HD
AUDIO
Àóäèîêàáåëè
2
×
RCA
Êàáåëè RGB
5 x BNC
Àäàïòåð
RCA-BNC
Âõîäíîé ñèãíàë
RGB
ê ðàçú¸ìàì
R, G, B, HD, VD
Ïðèìåðû èñòî÷íèêîâ âõîäíîãî ñèãíàëà
ÒÂ×- ñîâìåñòèìûé âèäåîìàãíèòîôîí
Êîìïüþòåð
Âèäåîêàìåðà
RGB
R
L
AUDIO
VD
HD
P
R
/C
R
/R
P
B
/C
B
/B
Y/G
COMPONENT/RGB IN
R
L
Y
P
B
P
R
AUDIO
Âèäåîêàáåëè
3 x RCA
Àóäèîêàáåëè
2 x RCA
(
Ïðîèãðûâàòåëü
DVD)
Y, P
B
, P
R
P
R
/C
R
/R
P
B
/C
B
/B
Y/G
COMPONENT/RGB IN
VD
HD
R
L
AUDIO
Àäàïòåð RCA-BNC
Содержание
- 4 ВАЖНЫЕ ЗАМЕЧАНИЯ ПО БЕЗОПАСНОСТИ
- 5 МЕРЫ ПРЕДОСТОРОЖНОСТИ; ВАЖНЫЕ ЗАМЕЧАНИЯ; Установка
- 6 Если проблема возникает в процессе работы устройства:; ВНИМАНИЕ; При эксплуатации широкоформатного плазменного дисплея:; ЧИСТКА И ОБСЛУЖИВАНИЕ УСТРОЙСТВА
- 7 АКСЕССУАРЫ; Аксессуары, входящие в комплект поставки
- 8 ЗАМЕНА БАТАРЕЕК В ПУЛЬТЕ ДИСТАНЦИОННОГО УПРАВЛЕНИЯ; Полезное замечание; Предосторожности при использовании батареек
- 9 СОЕДИНЕНИЯ
- 13 Как выполнить подключение к входным разъемам PC IN; Установка ферритового сердечника
- 14 Как выполнить подключение к разъемам SERIAL
- 15 ОСНОВНЫЕ ОРГАНЫ УПРАВЛЕНИЯ
- 16 Подключение штекера силового кабеля к плазменному дисплею
- 17 ВКЛЮЧЕНИЕ/ВЫКЛЮЧЕНИЕ ПИТАНИЯ И ВЫБОР ВХОДНОГО СИГНАЛА; Выбор входного сигнала
- 20 УПРАВЛЕНИЕ ФОРМАТОМ ИЗОБРАЖЕНИЯ
- 22 Настройка экрана
- 23 Полезная подсказка ( Нормализация)
- 24 НАСТРОЙКА ЗВУКА
- 25 КНОПКА SURROUND
- 35 НАСТРОЙКА ВХОДНЫХ СИГНАЛОВ; Режимы Color System / Panasonic Auto
- 36 Полоса затягивания частоты
- 37 УСТРАНЕНИЕ НЕИСПРАВНОСТЕЙ
- 38 ТЕХНИЧЕСКИЕ ХАРАКТЕРИСТИКИ
- 39 Размеры