Сварочное оборудование Кедр MULTITIG-2500P-1 DC - инструкция пользователя по применению, эксплуатации и установке на русском языке. Мы надеемся, она поможет вам решить возникшие у вас вопросы при эксплуатации техники.
Если остались вопросы, задайте их в комментариях после инструкции.
"Загружаем инструкцию", означает, что нужно подождать пока файл загрузится и можно будет его читать онлайн. Некоторые инструкции очень большие и время их появления зависит от вашей скорости интернета.
Загружаем инструкцию

Сварочные аппараты
КЕДР MultiTIG-2000P DC / 2500P-1 DC / 2500P-3 DC/ 3200P DC
63
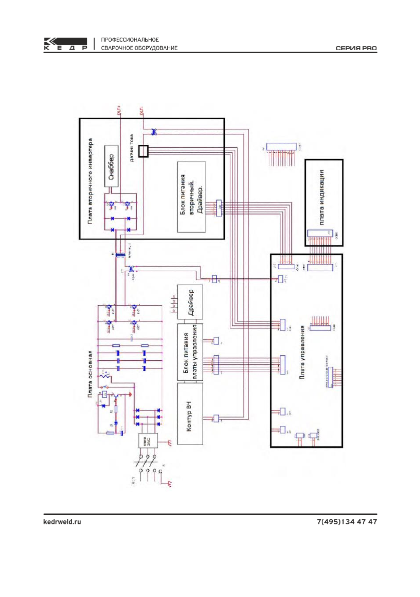
8.4 MultiTIG-3200P DC
Содержание
- 3 Сварочные аппараты
- 5 Описание знаков безопасности
- 9 Электромагнитное поле
- 10 Краткое введение
- 13 Комплект поставки
- 15 Подключение к сети питания; Не устанавливайте никакие адаптеры между кабелем питания
- 16 Технические характеристики
- 17 Примечание. Все вышеуказанные параметры могут быть изменены при; Рабочий цикл и перегрев; При перегреве сварочного аппарата датчик защиты от перегрева
- 18 Подключение и настройка; Разъем подключения кабеля управления горелки.
- 20 Подключение сварочных кабелей и электрододержателя; MMA (постоянный ток): Подключите на ток обратной или прямой
- 25 Баллоны с защитным газом находятся под высоким давлением и могут
- 26 подходящие для конкретного применения.
- 34 Дистанционная настройка режимов работы аппарата.
- 37 Описание режимов 2Т/4Т работы кнопки горелки.; Дуга
- 39 Рекомендации по качеству сварки
- 42 Условия эксплуатации
- 43 Техническое обслуживание; Чтобы обеспечить безопасную и правильную работу сварочного
- 45 Устранение неисправностей; представленную ниже таблицу:
- 51 Сервисное обслуживание
- 52 Список запасных частей
Характеристики
Остались вопросы?Не нашли свой ответ в руководстве или возникли другие проблемы? Задайте свой вопрос в форме ниже с подробным описанием вашей ситуации, чтобы другие люди и специалисты смогли дать на него ответ. Если вы знаете как решить проблему другого человека, пожалуйста, подскажите ему :)
Часто задаваемые вопросы
Как посмотреть инструкцию к Кедр MULTITIG-2500P-1 DC?
Необходимо подождать полной загрузки инструкции в сером окне на данной странице
Руководство на русском языке?
Все наши руководства представлены на русском языке или схематично, поэтому вы без труда сможете разобраться с вашей моделью
Как скопировать текст из PDF?
Чтобы скопировать текст со страницы инструкции воспользуйтесь вкладкой "HTML"












