Сварочное оборудование Кедр MULTITIG-2500P-1 DC - инструкция пользователя по применению, эксплуатации и установке на русском языке. Мы надеемся, она поможет вам решить возникшие у вас вопросы при эксплуатации техники.
Если остались вопросы, задайте их в комментариях после инструкции.
"Загружаем инструкцию", означает, что нужно подождать пока файл загрузится и можно будет его читать онлайн. Некоторые инструкции очень большие и время их появления зависит от вашей скорости интернета.

Сварочные аппараты
КЕДР MultiTIG-2000P DC / 2500P-1 DC / 2500P-3 DC/ 3200P DC
15
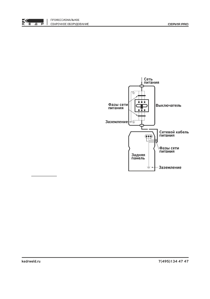
2.4 Подключение к сети питания
Для питания аппаратов КЕДР MultiTIG-2000P DC / 2500P-1 DC
используется однофазная сеть питания с напряжением 220В (±15%).
Схема подключения аппаратов КЕДР MultiTIG 2500P-3 DC / 3200P DC
изображена на рисунке.
1.
Необходимо
проверить напряжение питания
сети
перед
подключением
аппарата;
2.
Необходимо
убедиться, что сеть питания
380В 3- фазы;
Аппарат будет стабильно работать и
выдавать
заложенные
характеристики
при
изменении
напряжения сети питания в пределах
±15%.
ВНИМАНИЕ!
Опасность высокого напряжения от источника питания! Обратитесь к
квалифицированному электрику для правильной установки розетки. Данный
сварочный аппарат должен быть заземлен во время эксплуатации для защиты
оператора от поражения электрическим током.
Не устанавливайте никакие адаптеры между кабелем питания
сварочного аппарата и розеткой источника питания. При подключении кабеля
питания сварочного аппарата к сети питания убедитесь, что выключатель
питания находится в положении "ВЫКЛ".
Содержание
- 3 Сварочные аппараты
- 5 Описание знаков безопасности
- 9 Электромагнитное поле
- 10 Краткое введение
- 13 Комплект поставки
- 15 Подключение к сети питания; Не устанавливайте никакие адаптеры между кабелем питания
- 16 Технические характеристики
- 17 Примечание. Все вышеуказанные параметры могут быть изменены при; Рабочий цикл и перегрев; При перегреве сварочного аппарата датчик защиты от перегрева
- 18 Подключение и настройка; Разъем подключения кабеля управления горелки.
- 20 Подключение сварочных кабелей и электрододержателя; MMA (постоянный ток): Подключите на ток обратной или прямой
- 25 Баллоны с защитным газом находятся под высоким давлением и могут
- 26 подходящие для конкретного применения.
- 34 Дистанционная настройка режимов работы аппарата.
- 37 Описание режимов 2Т/4Т работы кнопки горелки.; Дуга
- 39 Рекомендации по качеству сварки
- 42 Условия эксплуатации
- 43 Техническое обслуживание; Чтобы обеспечить безопасную и правильную работу сварочного
- 45 Устранение неисправностей; представленную ниже таблицу:
- 51 Сервисное обслуживание
- 52 Список запасных частей
Характеристики
Остались вопросы?Не нашли свой ответ в руководстве или возникли другие проблемы? Задайте свой вопрос в форме ниже с подробным описанием вашей ситуации, чтобы другие люди и специалисты смогли дать на него ответ. Если вы знаете как решить проблему другого человека, пожалуйста, подскажите ему :)












