Сварочное оборудование Aurora SPEEDWAY 200 SYNERGIC - инструкция пользователя по применению, эксплуатации и установке на русском языке. Мы надеемся, она поможет вам решить возникшие у вас вопросы при эксплуатации техники.
Если остались вопросы, задайте их в комментариях после инструкции.
"Загружаем инструкцию", означает, что нужно подождать пока файл загрузится и можно будет его читать онлайн. Некоторые инструкции очень большие и время их появления зависит от вашей скорости интернета.

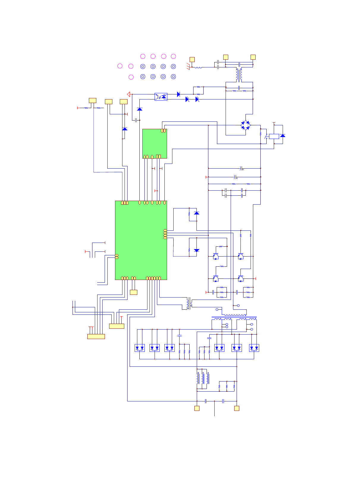
ПРИЛОЖЕНИЕ
2
. ЭЛЕКРИЧЕСКАЯ СХЕМА
Представленная информация действительна на октябрь 2019
года. Производитель оставляет за собой право
на внесение изменений. Дополнительная информация публикуется на сайте:
aurora-online
.
ru
1
PC
ON3
1
PC
ON2
+310
V
VG
ND
+24V
GN
D
+15V
VR
D+
VR
D-
电路
1
RN
00
73
-01
A_P
ow
er.sc
h
+310
V
VG
ND
+24V
GN
D
+15V
VR
D+
VR
D-
R1
8
100K 1/2W
R1
5
2
1
3
Q4
IR40
63
2
1
3
Q2
IR40
63
R2
4
4R7
R2
2
4R7
R9
2R2
R1
9
2R2
R2
6
33
R 1W
C1
8
1n
F/2K
V
C1
5
1n
F/2K
V
R2
5
33R 1W
1
2
3
D1
0
E9
2
1
2
3
D1
4
E9
2
1
2
3
D1
3
E9
2
1
2
3
D7
E9
2
1
2
3
D6
E9
2
R3
1
33
R 1W
C2
1
1n
F/2K
V
R2
7
33
R 1W
C1
9
1n
F/2K
V
1
1
2
2
C2
2
4.7n
F/A
C250
V
1
1
2
2
C2
0
4.7n
F/A
C250
V
CO
OL/E
N
GA
S/EN
TE
MP
LP
/CU
R/A
OU
TP
UT+
OU
TP
UT-
+24V
GN
D
LP
/CU
R/B
Drive G2
Drive E1
Drive E2
Drive G1
+15V
VR
D-
VR
D+
PWM/MOT
CUR/MOT
SWA
SWB
PO
WE
R E
N
+3.3V
SPE
ED
MO
T_IN/
OUT
SW_
CH
K
RE
M_
VAL
UE
VA
C
电路
3
RN
007
3-
01A
_M
CU
.sch
CO
OL/E
N
GA
S/EN
TE
MP
LP
/CU
R/A
OU
TP
UT+
OU
TP
UT-
+24V
GN
D
LP
/CU
R/B
Drive G2
Drive E1
Drive E2
Drive G1
+15V
VR
D-
VR
D+
PWM/MOT
CUR/MOT
SWA
SWB
PO
WE
R E
N
+3.3V
SPE
ED
MO
T_IN/
OUT
SW_
CH
K
RE
M_
VAL
UE
VA
C
1
2
CO
N3
VH
-02
2
1
3
Q1
IR40
63
2
1
3
Q3
IR40
63
R2
1
4R7
R2
3
4R7
Pri+
1
Pri-
2 Sec+
3
Sec-
4
T2
450
uH
C5
4.7nF/AC250V
C6
1u
F/28
0V
AC
C3
1u
F/28
0V
AC
R3
10
0K
1/2W
R4
10
0K
1/2W
SU
F40
07
+24V
+24V
1
2
CO
N2
VX
-02
+24V
+15V
+15V
1 2
CO
N6
VH
-02
VG
ND
+310
V
GN
D
GN
D
GN
D
1
2
3
4
T3
11:
4+
4
气阀
风机
过热
保护
枪开
关
送丝
机
OUT
+
OUT
-
3
4
1
2
K3
30A
/24V
R3
0
6K
8 1W
1
PC
ON4
D8
SK1
4
D4
SK1
4
1
ET
1
Ho
le
H1
TK
Ho
le
H2
TK
+24V
MA
1
*
MA
2
*
D9
SU
F40
07
C6
9
680uF/400V
C8
9
680uF/400V
C1
3
C1
1
C1
2
4.7uF
/25
0V
C1
44.7uF
/25
0V
主回路更改
1
2
CO
N4
VX
-02
t
RR
1
PT
C X
K-1
9
A
1
C
2
K
3
C
4
D3
HD
50
SB10
0
VG
ND
TP
1
TP
1
2
3
D5
E9
2
GN
D
TP
2
TP
1
PC
ON5
S1
STAT
IC
S2
STAT
IC
Scr
ew
1
LS
Scr
ew
2
LS
Scr
ew
3
LS
Scr
ew
LS
R6
6K
8 1W
R1
2
6K
8 1W
R3
2
33
R 1W
R3
3
33
R 1W
R2
8
33
R 1W
R2
9
33
R 1W
R3
4
33
R 1W
R3
5
33
R 1W
R3
6
33R 1W
R3
7
33R 1W
S3
STAT
IC
S4
STAT
IC
1
2
5
6
3
4
L3
28
uH
Ho
le
H4
TP
Ho
le
H3
TP
L_
EA
RT
H
L_
EA
RT
H
L2
10
0U
H
1 2 3 4 5 6
CO
N1
CO
N6
+24V
GN
D
1 2 3 4 5
CO
N5
CO
N5
TP
5
TP
6
TP
7
TP
8
R2
1K
1
2
10
6
T4
EE
-25 20
0:1
R1
6
47
K/1W
D2
3
SU
F40
07
R1
7
47
K/1W
D2
1
1.5K
E180
CA
D2
2
1.5K
E180
CA
1
2
4
3
U2
PC
81
7
C4
4.7nF/AC250V
C104
0.1u
F
3V3
3V3
D4
7
1N
41
48
R210
1R
MA
3
*
Содержание
- 2 ПРЕДИСЛОВИЕ; ВНИМАНИЕ
- 3 МЕРЫ ПРЕДОСТОРОЖНОСТИ; Знак
- 5 пожалуйста, обратите внимание на следующие правила:
- 6 Электромагнитные помехи.
- 8 ОПИСАНИЕ АППАРАТА; Предупреждение
- 9 ТАБЛИЦА ТЕХНИЧЕСКИХ ПАРАМЕТРОВ; SYNERGIC; phase; Тип
- 11 ИНСТРУКЦИЯ ПО УСТАНОВКЕ; Правильная установка MIG; Правильная установка
- 12 Эта процедура должна выполняться электриком!
- 14 ПАНЕЛЬ УПРАВЛЕНИЯ; Схема передней панели
- 15 ИНСТРУКЦИЯ ПО ЭКСПЛУАТАЦИИ
- 16 Рисунок
- 19 Дисплей защиты от перегрева
- 20 ЗАМЕТКИ И МЕРЫ ПРЕДОСТОРОЖНОСТИ; Условия эксплуатации
- 21 ЧАСТО ЗАДАВАЕМЫЕ ВОПРОСЫ; Б. Ток на выходе не соответствует номинальным показателям:
- 22 ЕЖЕДНЕВНАЯ ДИАГНОСТИКА
- 25 УСТРАНЕНИЕ ВОЗМОЖНЫХ НЕИСПРАВНОСТЕЙ; Неисправности
- 26 ПРИЛОЖЕНИЕ 1. ПАРАМЕТРЫ СВАРКИ; Как правило, сварочный ток эквивалентен сварочному электроду:
- 27 ПРИЛОЖЕНИЕ
Характеристики
Остались вопросы?Не нашли свой ответ в руководстве или возникли другие проблемы? Задайте свой вопрос в форме ниже с подробным описанием вашей ситуации, чтобы другие люди и специалисты смогли дать на него ответ. Если вы знаете как решить проблему другого человека, пожалуйста, подскажите ему :)