Сварочное оборудование Aurora PRO SPEEDWAY 300 MIG MAG MMA - инструкция пользователя по применению, эксплуатации и установке на русском языке. Мы надеемся, она поможет вам решить возникшие у вас вопросы при эксплуатации техники.
Если остались вопросы, задайте их в комментариях после инструкции.
"Загружаем инструкцию", означает, что нужно подождать пока файл загрузится и можно будет его читать онлайн. Некоторые инструкции очень большие и время их появления зависит от вашей скорости интернета.

24
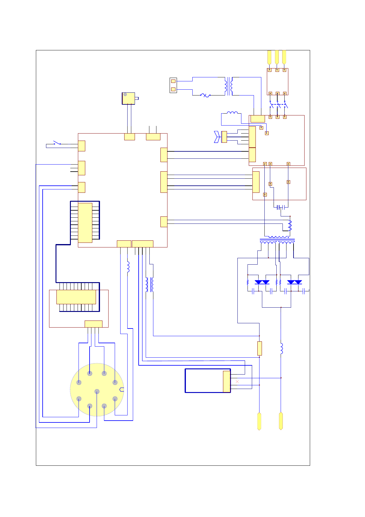
SPEEDWAY 300DW
CT
2
CT
1
3
2
1
4
5
6
Ma
in
t
ra
n
sfo
rm
er
O
ut p
ut+
O
ut p
ut-
O
u
tp
ut rea
cto
r
H
ea
te
d boa
rd
Di
ffu
ser
300A
/75mV
A
C
36V
28:
4+
4
Po
rt
Po
rt
G
as c
yli
nd
er h
eatin
g u
p
1
2
3
4
5
6
Ai
r s
wi
tc
h
PC
ON
1
PC
ON
2
PC
ON
3
PC
O
N
5
PC
O
N
4
Re
act
or
1
3
CO
N
1
PC
O
N
6
PC
O
N
8
CP
1
CP
2
J1
1
2
4
5
X1
1
2
3
B
ra
chiu
m
c
ap
a
cit
anc
e
Cu
rr
en
t t
ra
ns
fo
rm
er
C
om
m
ut
at
ed
b
oa
rd
T
op b
oa
rd
1
2
3
4
5
CO
N
6
1
2
4
5
CO
N
10
1
2
4
3
25
*15*12
1
3
CO
N
1
1
3
CO
N
13
1
3
CO
N
3
1
2
CO
N
14
1
2
CO
N
7
E
lec
troma
gne
tis
m
 va
lve
1
2
3
4
5
6
7
8
9
10
11
12
13
14
15
16
17
18
19
20
CO
N
2
1
2
3
4
5
6
7
8
9
10
11
12
13
14
15
16
17
18
19
20
CO
N
1
Co
ntr
ol bo
ar
d
Front
 p
ane
l
1
2
3
CO
N
16
1
2
CO
N
5
1
2
CO
N
11
1
2
Th
er
m
os
w
itc
h
14.
4A
14.
4A
14.
4A
20A
20A
300A
300A
N
-51-
PH
02-
092-
E
1
2
4
5
CO
N
1
Fan
DC
540
V
PC
O
N
7
20
0A
/40
0V
DI
OD
E
20
0A
/40
0V
20
0A
/40
0V
47
2/3KV
*2
47
2/3KV
*2
47
2/3KV
*2
15
R/
10
W
47
2/3KV
*2
15
R/
10
W
15
R/
10
W
1
2
3
4
5
CON2
1 2 3 4
CO
N
2
3
1
8
2
4
5
6
7
9
to
rc
h
sw
itch
s
ock
et
10
0
UH
8A
FU
SE
3
2
1
4
Tr
an
sfo
rm
er
1
3
CON3
AC3
80
V
A
C
36V
Input
AC
38
0V
AC
38
0V
AC
38
0V
EMC
b
oa
rd
 
  
  
  
  
  
  
  
  
  
  
  
  
  
  
  
  
  
  
  
  
  
  
  
  
  
  
  
  
 











