Сушильные машины Haier HD90-A2979S - инструкция пользователя по применению, эксплуатации и установке на русском языке. Мы надеемся, она поможет вам решить возникшие у вас вопросы при эксплуатации техники.
Если остались вопросы, задайте их в комментариях после инструкции.
"Загружаем инструкцию", означает, что нужно подождать пока файл загрузится и можно будет его читать онлайн. Некоторые инструкции очень большие и время их появления зависит от вашей скорости интернета.

27
RU
12 – Технические характеристики
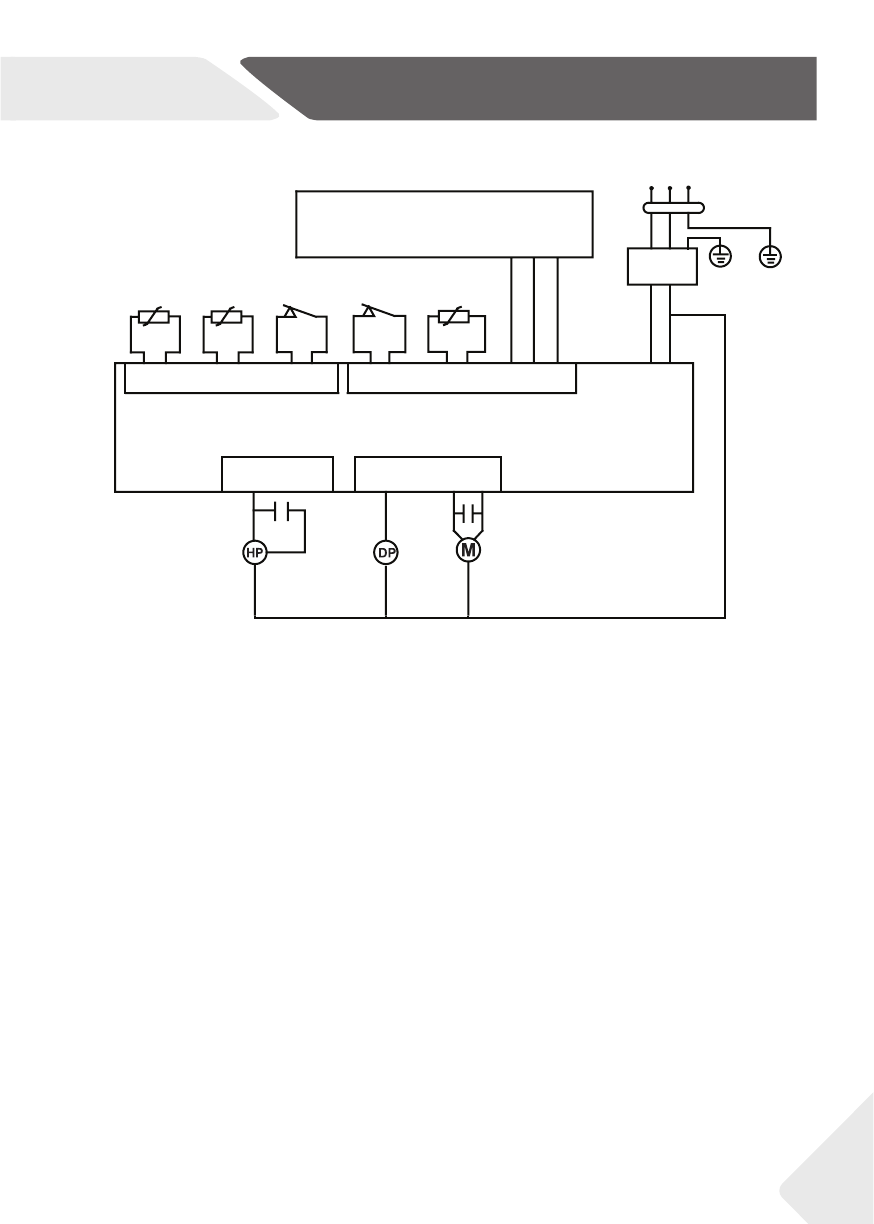
CN2-3
CN2-2
CN2-1
CN2-1
CN4-1
1 2
3 4
5
6
4 6
7 8
3
2
1
L N PE
PE
PE
CN1
CN2
CN3
CN4
2
4
3
2
Плата дисплея
Плата питания
Подавитель
помех
Датчик NTC2 Датчик NTC3 Реле воды Реле двери Датчик влажности
Конденсатор
12 мкФ
Конденсатор 8 мкФ
Тепловой
насос
Сливной
насос
Мотор
Содержание
- 3 Содержание
- 4 – Информация по технике безопасности; Перед первым использованием
- 5 Ежедневное применение
- 6 Техническое обслуживание / чистка
- 7 – Предусмотренное применение; Предусмотренное применение; Примечание
- 8 – Описание изделия; Изображение прибора
- 9 – Панель управления; Отложенный старт; защиты от; отложенного старта
- 10 Индикатор сигнала; Индикатор чистого фильтра; Кнопка температуры
- 11 защиты; Индикат ор разблокировки дверцы; Режим Без аллергии; Степень сушки; Без складок
- 12 – Программы
- 13 – Потребление; Технология теплового насоса; Экологически ответственное использование
- 14 – Предложения и советы
- 15 Очень большие вещи; Джерси и трикотаж
- 16 – Ежедневное применение; Подготовка прибора
- 17 Загрузка прибора
- 18 Установка програ ммы и запуск
- 19 Использо вание решетки сушильной машины; Таблица ухода
- 20 – Уход и очистка; Очистка фильтра для ворса
- 21 Опорожните резервуар для воды; Сушильная машина
- 22 0 – Поиск и устранение неисправностей; Поиск неисправностей по коду ошибки на дисплее
- 23 Поиск неисправностей без кода ошибки на дисплее
- 24 1 – Установка; Транспортировка и время ожидани я
- 25 Стиральная и сушильная машины в ком-
- 26 2 – Технические характеристики; Дополнительные характеристики
- 27 Плата дисплея
- 28 3 – Обслуживание клиентов
- 37 – Өнімнің сипаттамасы; Ескерту; Құрылғы суреті
- 66 – Опис виробу; Зображення приладу
- 67 – Панель керування; Кнопка «Затримка»; Індикатор блокування від дітей; Індикатор затримки
Характеристики
Остались вопросы?Не нашли свой ответ в руководстве или возникли другие проблемы? Задайте свой вопрос в форме ниже с подробным описанием вашей ситуации, чтобы другие люди и специалисты смогли дать на него ответ. Если вы знаете как решить проблему другого человека, пожалуйста, подскажите ему :)