Стиральная машина Elenberg WM-2605 - инструкция пользователя по применению, эксплуатации и установке на русском языке. Мы надеемся, она поможет вам решить возникшие у вас вопросы при эксплуатации техники.
Если остались вопросы, задайте их в комментариях после инструкции.
"Загружаем инструкцию", означает, что нужно подождать пока файл загрузится и можно будет его читать онлайн. Некоторые инструкции очень большие и время их появления зависит от вашей скорости интернета.

8
name
Quantity
tub washing machine
1
effusion pipe
1
usage guidance
1
rated voltage:
220 - 230 V
rated frequency:
50 hz
rated wash capacity:
6 kg
rated wash input power:
320 w
DeSign anD SPeCiFiCationS are SubJeCt to Change without notiCe!
address to service center for consultation, when the service life of product has
expired. otherwise the further operation can entail impossibility of normal use
of the product.
paCKIng lIst
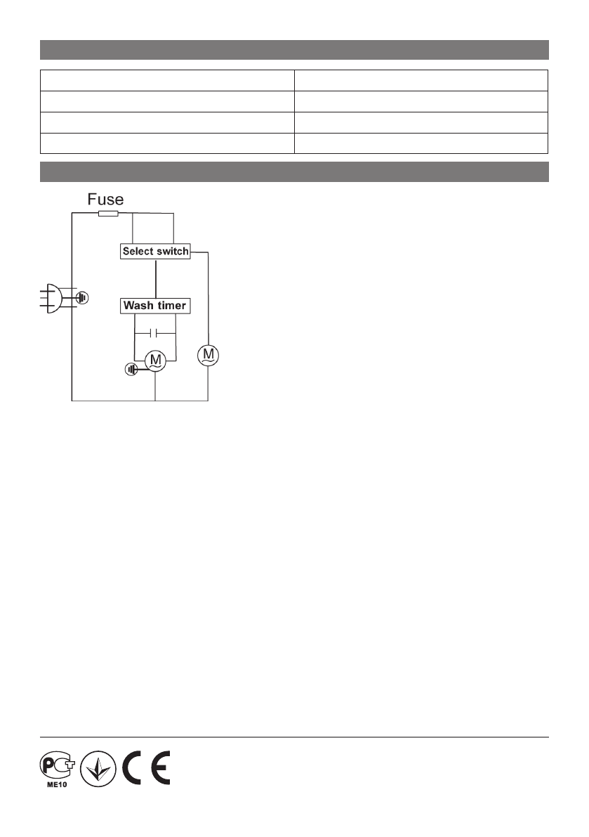
eleCtrIC dIagram and teCH speCIfICatIon
Service life of the given product - 3 years from the moment of sale
