Стиральная машина Elenberg WM-2605 - инструкция пользователя по применению, эксплуатации и установке на русском языке. Мы надеемся, она поможет вам решить возникшие у вас вопросы при эксплуатации техники.
Если остались вопросы, задайте их в комментариях после инструкции.
"Загружаем инструкцию", означает, что нужно подождать пока файл загрузится и можно будет его читать онлайн. Некоторые инструкции очень большие и время их появления зависит от вашей скорости интернета.

наименование
количеСтво
Стиральная машина
1 шт
Сливной шланг
1 шт
руководство пользователя
1 шт
рабочее напряжение:
220 - 230 в
частота тока:
50 Гц
вместимость:
6 кг
мощность при стирке:
320 вт
в ЦеляХ улучшения качеСтва продукЦии дизаЙн и СпеЦиФикаЦия
моГ у т БЫть измененЫ Без предварительноГо предупреЖдения!
по истечении срока службы товара, необходимо обратиться в сервисный
центр за консультацией по дальнейшей эксплуатации товара. в противном
случае дальнейшая эксплуатация может повлечь невозможность нормально
-
го использования товара.
коМплектация
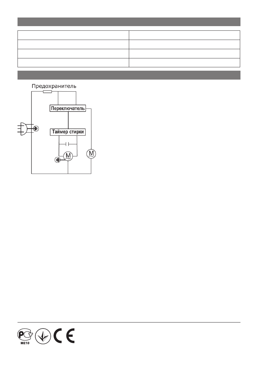
Электрическая диаграММа и спецификация
Изготовитель “ЭЛЕНБЕРГ ЛИМИТЕД”, Великобритания
Адрес: 35 Бромптон Роад, Кнайтсбридж Лондон СВ3 ИДЕ
Сделано в Китае. ”ЭЛЕНБЕРГ ЭЛЕКТРИК КОМПАНИ ЛТД”
А08 Р2-Б4 билдинг, Кеджинан 2 Роад, С энд Т Индастри Парк,
Шензень, Гуандонг Провинс, Китай.
Срок службы данного изделия - 3 года с момента продажи
