Страница 2 - Информация о товарных знаках; ВНИМАНИЕ
2 RU • В случае повреждения шнура питания или штепсельной вилки, не вставляйте вилку в розетку во избежание поражения электрическим током. Использование этой вилки более невозможно и она подлежит утилизации. • Не допускайте, чтобы телевизор подвергался воздействию дождя или влаги во избежание опасно...
Страница 3 - Содержание; Использование списка Избранное; Руководство по вводу в эксплуатацию; Просмотр телепрограмм; : только для цифровых каналов
3 RU Содержание Сведения по безопасности .................................................................................................... 8Меры предосторожности ..................................................................................................... 11 Обзор пульта ДУ..................
Страница 4 - Установка батареек в пульт ДУ; Подсоединение только антенны
4 RU Руководство по вводу в эксплуатацию 1: Проверка принадлежностей Пульт ДУ RM-ED005 (1) Батарейки размера АА (тип R6) (2) Шнур питания (тип C-6) (1) Коаксиальный кабель (1) Держатель для кабелей (1) Поддерживающий ремень (1) и винты (2) Установка батареек в пульт ДУ Примечания • Вставляя батарейк...
Страница 5 - Руководство; Нажмите кнопку
5 RU Руководство по вводу в эксплуат ацию 3: Укладка кабелей 4: Защита телевизора от опрокидывания 5: Выбор языка и страны/региона 1 Подключите телевизор к электросети переменного тока (220-240 В, 50 Гц). 2 Нажмите кнопку 1 на телевизоре (сверху). При первом включении телевизора на экран будет вывед...
Страница 6 - затем нажмите кнопку
6 RU 3 Для выбора языка, отображаемого на экранах меню, нажмите кнопку F / f , затем нажмите кнопку . 4 Для выбора страны/региона, где будет использоваться телевизор нажмите кнопку F / f , затем нажмите кнопку . Если название страны/региона, где будет использоваться телевизор, отсутствует в списке, ...
Страница 7 - автоматическую настройку повторно.
7 RU Руководство по вводу в эксплуат ацию Если появится сообщение о необходимости проверить подключение антенны Не было найдено ни цифровых, ни аналоговых каналов. Проверьте, правильно ли подключена антенна, и нажмите кнопку , чтобы запустить автоматическую настройку повторно. 3 Когда на экране появ...
Страница 11 - Утилизация телевизора
11 RU Меры предосторожности ЖК- экран • Хотя ЖК-экран изготовлен по высокоточной технологии и число эффективных точек достигает 99,99 % и выше, на нем могут появляться постоянные черные или яркие цветные (красные, синие или зеленые) точки. Это структурное свойство ЖК-экрана, оно не является признако...
Страница 12 - Обзор пульта ДУ
12 RU Обзор пульта ДУ К сведению На кнопках A/B, PROG + и 5 имеются выпуклые точки. По ним удобно ориентироваться при управлении телевизором. 1 "/1 – Режим ожидания телевизора Временное отключение телевизора и включение его из режима ожидания. 2 A/B – Двойной звук (стр. 26) 3 Цветные кнопки Выбо...
Страница 14 - В цифровом режиме; Дополнительные операции; Чтобы
14 RU Просмотр телепрограмм 1 Для включения телевизора нажмите кнопку 1 на телевизоре (сверху). Если телевизор находится в режиме ожидания (индикатор 1 (режим ожидания) на телевизоре (спереди) горит красным светом), то для его включения нажмите на пульте ДУ кнопку "/1 . 2 Нажмите кнопку DIGITAL ...
Страница 15 - Просмотр телепрог; Остановка изображения
15 RU Просмотр телепрог рамм Получение доступа к функции Текст Нажмите кнопку / . При каждом нажатии кнопки / изображение на экране циклически меняется следующим образом:Текст t Текст поверх телевизионного изображения (смешанный режим) t Текст выкл. (выход из режима текста)Для выбора страницы нажима...
Страница 16 - Использование меню Tools; Опции
16 RU К сведению • Кроме того, вы можете установить опцию “Автомат. формат” в положение “Вкл.”. Телевизор будет автоматически выбирать наиболее подходящий для трансляции режим (стр. 27). • В режимах 14:9 и Увелич. можно отрегулировать положение изображения. Сдвиньте его вверх или вниз (например, что...
Страница 21 - пользование функций; Навигация по пунктам меню; Использование функций MENU; Меню; • Для просмотра желаемого канала выберите этот канал,
21 RU И с пользование функций MENU Навигация по пунктам меню “MENU” позволяет вам наслаждаться различными удобными функциями данного телевизора. Вы можете легко выбирать каналы или внешние источники входного сигнала при помощи пульта ДУ. Также, установки для вашего телевизора можно легко изменить пр...
Страница 22 - • Для просмотра желаемого внешнего источника входного
22 RU Внешние входы Выбор устройства, подсоединенного к Вашему телевизору. • Для просмотра желаемого внешнего источника входного сигнала, выберите источник входного сигнала, затем нажмите кнопку . • Для назначения метки внешнему источнику входного сигнала, см. стр. 29. Установки Вызов экрана меню Ус...
Страница 23 - Меню Изображение
23 RU И с пользование функций MENU Меню Изображение Параметры, перечисленные ниже, можно установить в меню Изображение. Для выбора опций меню в разделе “Установки” см. раздел “Навигация по пунктам меню” (стр. 21). Заданные входы Выбирается, применять ли установки, сделанные в меню Изображение, ко вс...
Страница 24 - Цветовой тон; Резкость; Шумопонижение
24 RU Цветовой тон Регулирует баланс белого для изображения.“Холодный”: Придает белому цвету голубоватый оттенок.“Нейтральный”: Придает белому цвету нейтральный оттенок.“Teплый 1”/“Teплый 2”: Придает белому цвету красноватый оттенок. “Teплый 2” придает более красный оттенок, чем “Teплый 1”. К сведен...
Страница 25 - Меню Звук
25 RU И с пользование функций MENU Меню Звук Вы можете выбрать перечисленные ниже опции в меню Звук. Для выбора опций меню в разделе “Установки” см. раздел “Навигация по пунктам меню” (стр. 21). Заданные входы Выбирается, применять ли установки, сделанные в меню Звук, ко всем источникам входного сиг...
Страница 26 - Двойной звук
26 RU К сведению Опции “Тембр ВЧ”, “Тембр НЧ”, “Баланс”, “Авторег. громк.”, “Окруж. звук” и “BBE” не могут быть использованы для наушников и выходных аудиогнезд. Двойной звук Выбор звука, который должен воспроизводиться через громкоговоритель при стереотрансляции или трансляции на двух языках.“Стере...
Страница 27 - Меню Управление экраном; Заданные входы
27 RU И с пользование функций MENU Меню Управление экраном Вы можете выбрать перечисленные ниже опции в меню Управление экраном. Для выбора опций меню в разделе “Установки” см. раздел “Навигация по пунктам меню” (стр. 21). Заданные входы Выбирается, применять ли установки, сделанные в меню Управлени...
Страница 29 - Меню Начальная настройка; Автозапуск; Авто S Video
29 RU И с пользование функций MENU Меню Начальная настройка Параметры, перечисленные ниже, можно установить в меню Начальная настройка. Для выбора опций меню в разделе “Установки” см. раздел “Навигация по пунктам меню” (стр. 21). Автозапуск Запуск “меню первого включения” для выбора языка и страны/р...
Страница 30 - Энергосбережение
30 RU Настройки таймера Установка Таймера включения/выключения телевизора. Таймер сна Установка периода времени, по истечении которого телевизор должен автоматически переключаться в режим ожидания. Если активирован Таймер сна, индикатор (Таймер) на телевизоре (спереди) загорается оранжевым цветом. К...
Страница 31 - Меню Установки ПК; Формат экрана; Фаза; Шаг
31 RU И с пользование функций MENU Меню Установки ПК Перечисленные ниже опции можно выбрать в меню Установки ПК. Для выбора опций меню в разделе “Установки” см. раздел “Навигация по пунктам меню” (стр. 21). Формат экрана Выбор режима экрана для отображения входного сигнала с Вашего ПК.“Нормальн.”: О...
Страница 32 - Режим 1 цифры; Автонастройка; Исправление символа, введенного ошибочно; Удаление всех букв
32 RU Меню Настройка аналоговых каналов (Только в аналоговом режиме) Вы можете изменить/установить аналоговые параметры с помощью меню Настройка аналоговых каналов. Для выбора опций меню в разделе “Установки” см. раздел “Навигация по пунктам меню” (стр. 21). Режим 1 цифры Если опция “Режим 1 цифры” ...
Страница 35 - Меню Настройка цифровых каналов; Для удаления цифрового канала
35 RU И с пользование функций MENU Меню Настройка цифровых каналов Вы можете изменить/установить цифровые параметры с помощью меню Настройка цифровых каналов. Выберите опцию “Цифровая конфигурация” и нажмите кнопку для отображения следующих меню. Для выбора опций меню в разделе “Установки” см. разде...
Страница 36 - Если Вы перед этим уже установили пин-код
36 RU * Обратите внимание на то, что в некоторых странах эта функция может отсутствовать. Цифровая конфигурация Вызов меню “Цифровая конфигурация”. Установка субтитров * Отображение на экране цифровых субтитров.При выборе опции “Плохая слышимость” некоторые визуальные вспомогательные средства могут ...
Страница 37 - Использование д; Подключение дополнительного оборудования; Использование дополнительного оборудования; Подключение к телевизору (на боковой панели); Необходимо
37 RU Использование д о полнительного оборудования Подключение дополнительного оборудования Использование дополнительного оборудования К телевизору можно подключить широкий спектр дополнительного оборудования. Соединительные кабели в комплект поставки не входят. Подключение к телевизору (на боковой ...
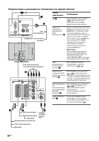
Страница 38 - Подключение к разъемам на телевизоре (на задней панели)
38 RU Подключение к разъемам на телевизоре (на задней панели) DVD-проигрывательс компонентным выходом DVD- проигрыватель Декодер DVD-магнитофон Видеомагнитофон Стерео-системы класса Hi-Fi Видеоигровые устройства DVD-проигрыватель Цифровой спутниковый ресивер ПК Декодер Чтобы подключить Необходимо ПК...
Страница 41 - Дополнительн
41 RU Дополнительн ая информация ПК Вход с ПК (15 Dsub) (стр. 41) G: Размах 0,7 В, 75 Ом, без синхронизации по зеленому каналу B: Размах 0,7 В, 75 Ом, без синхронизации по зеленому каналу R: Размах 0,7 В, 75 Ом, без синхронизации по зеленому каналу HD: Размах 1-5 ВVD: Размах 1-5 В аудиовход ПК (мини...
Страница 42 - Поиск и устранение неисправностей; Проверьте, не мигает ли индикатор; Определите время, в течение которого индикатор; Если не мигает; Изображение; Проблема
42 RU Поиск и устранение неисправностей Проверьте, не мигает ли индикатор 1 (режим ожидания) красным светом. Если мигает Включена функция самодиагностики. 1 Определите время, в течение которого индикатор 1 (режим ожидания) мигает и перестает мигать. Например, индикатор мигает в течение двух секунд, ...
Страница 43 - Звук; Каналы
43 RU Дополнительн ая информация При просмотре телеканала на изображении имеются помехи • Выберите опцию “Руч. настр. прогр.” в меню “Настройка аналоговых каналов” и выполните точную настройку “АПЧ” (автоматическую подстройку частоты) для повышения качества принимаемого изображения (стр. 33). Отдель...
Страница 44 - Общие неисправности; • Проверьте, не активирована ли функция “Таймер сна” и
44 RU Общие неисправности Проблема Причина/Способ устранения Телевизор автоматически отключается (телевизор переходит в режим ожидания) • Проверьте, не активирована ли функция “Таймер сна” и проверьте установку “Продолжительность” в меню “Таймер включения” (стр. 30). • Если сигнал принимается, и в р...
Страница 45 - Указатель; Символы
45 RU Дополнительн ая информация Указатель Символы ( ) Индикатор отключения изображения 13 ( " ) Индикатор питания 13 ( 1 ) Индикатор режима ожидания 13 ( ) Индикатор таймера 13 ( 1 ) Переключатель питания 13 ЧИСЛЕННЫЕ ЗНАЧЕНИЯ 14:9 15 4:3 15 4:3 по умолч. 27 A Advanced Settings 24 B BBE 25 E EP...