Проекторы NEC P604X - инструкция пользователя по применению, эксплуатации и установке на русском языке. Мы надеемся, она поможет вам решить возникшие у вас вопросы при эксплуатации техники.
Если остались вопросы, задайте их в комментариях после инструкции.
"Загружаем инструкцию", означает, что нужно подождать пока файл загрузится и можно будет его читать онлайн. Некоторые инструкции очень большие и время их появления зависит от вашей скорости интернета.

95
6. Установка и подключение
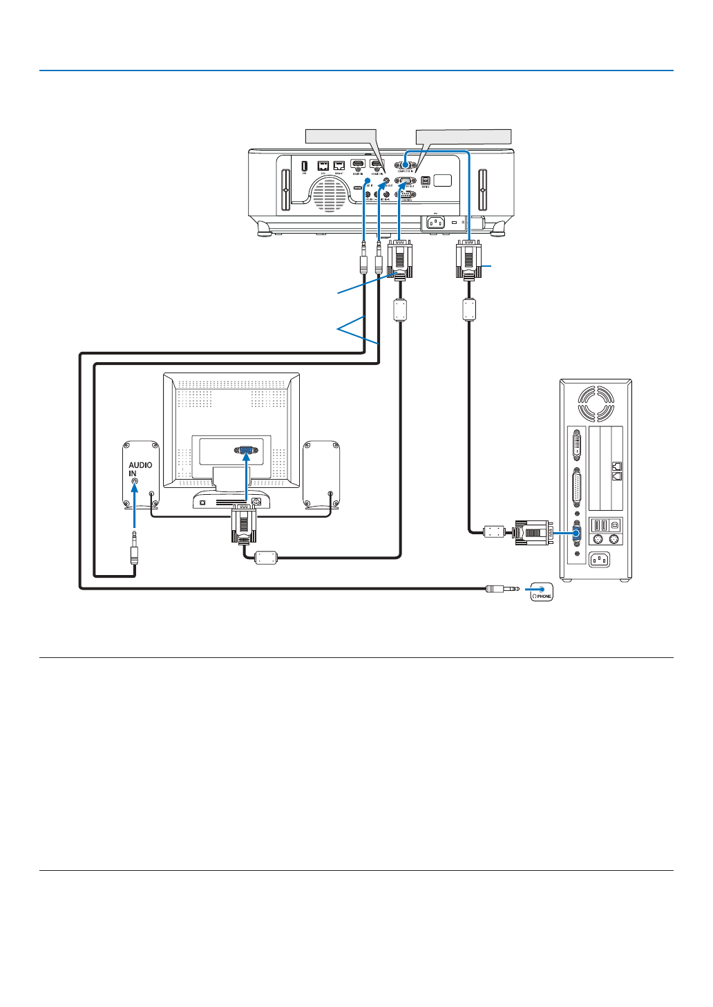
Подключение внешнего монитора
К проектору можно подключить отдельный внешний монитор для параллельного просмотра на мониторе проециру
-
емого компьютерного аналогового изображения.
ПРИМЕЧАНИЕ:
• Разъем AUDIO OUT не поддерживает разъем для наушников.
• Когда подключено звуковое оборудование, динамик проектора отключен.
• Выходной сигнал из COMPUTER OUT данного проектора предназначен для проецирования изображения только на одном дисплее.
• Если сигнал не применяется более 3 минут в состоянии режима ожидания проектора, когда ОЖИДАНИЕ СЕТИ задано в режиме ожидания, выход из разъема
COMPUTER OUT или AUDIO OUT будет остановлен. В этом случае выньте кабель компьютера и установите его обратно после ввода видео сигнала
Разъем Monitor out и спящий режим:
• Разъем COMPUTER OUT не будет работать, если [НОРМАЛЬНОЕ] выбрано для [РЕЖИМ ОЖИДАНИЯ].
Разъем COMPUTER OUT будет работать только в спящем режиме.
Подача сигнала с разъема COMPUTER IN переведет проектор в спящий режим, который позволяет использовать разъем COMPUTER OUT и мини-джек AUDIO
OUT.
Спящий режим является одним из режимов ожидания. Спящий режим не может быть выбран из меню.
• В режиме ожидания сети будет слышаться звук для последнего просмотренного источника компьютерного или видеосигнала.
Сигнал, преобразованный из разъема BNC в COMPUTER IN, не будет выводиться в режиме ожидания и в спящем режиме.
AUDIO OUT
COMPUTER OUT
Компьютерный кабель (VGA) (в ком-
плект поставки не входит)
Компьютерный кабель (VGA) (вхо
-
дит в комплект поставки)
Стереофонический аудиокабель с мини-
штекером (не входит в комплект)
Содержание
- 2 ПРИМЕЧАНИЯ
- 3 Важная информация; Предостережения относительно безопасности; Меры предосторожности; ВНУТРЕННИЕ КОМПОНЕНТЫ НАХОДЯТСЯ ПОД ВЫСОКИМ НАПРЯЖЕНИЕМ.; Утилизация использованного изделия; соответствующем способе утилизации.
- 4 ii; Важные меры безопасности
- 5 iii; Меры пожарной и электрической безопасности
- 6 iv; проектор длительное время.; ВНИМАНИЕ; Замена лампы; Характеристики лампы
- 7 лампа перегорела, осколки могут упасть вниз.; Информация о режиме работы на большой высоте; эксплуатации оптических компонентов, например лампы.; ОБ АВТОРСКИХ ПРАВАХ НА ОРИГИНАЛЬНЫЕ ПРОЕЦИРУЕМЫЕ ИЗОБРАЖЕНИЯ.
- 8 для получения подробной информации.
- 9 vii; Оглавление
- 10 viii
- 11 ix
- 12 Комплектация; торговому представителю.
- 13 Ознакомление с проектором; элементов управления.; Проектор оснащен следующими функциональными возможностями:; зованием энергосберегающей технологии; Уменьшение выброса CO; • Срок службы лампы составляет до 8 000 часов; независимо управлять несколькими проекторами по отдельности.
- 14 Когда режим WXGA установлен в положение ВКЛ.; • Совместимость с CRESTRON ROOMVIEW и Extron XTP; Об этом руководстве пользователя
- 15 Название деталей проектора
- 16 Задний
- 17 Элементы управления/индикаторная панель
- 18 Функции панели разъемов; COMPUTER IN/Компонентный входной разъем; приведены типичные коды управления с
- 19 Название элементов пульта дистанционного управления; Инфракрасный передатчик; (Эта кнопка не работает в данной; Кнопка; (Эта кнопка не работает в данной се
- 20 Установка элемента питания; • Обращайтесь с пультом дистанционного управления бережно.
- 21 Порядок проецирования изображения; - Автоматическая оптимизация сигнала компьютера (
- 22 Подключение компьютера/Подсоединение силового кабеля; Подсоедините прилагаемый силовой кабель к проектору.; время нормальной работы проектора.
- 23 Включение проектора; Когда ограничитель крышки объектива нажат, потяните; кнопку POWER ON на пульте дистанционного управле
- 24 Примечание на экране запуска (экран выбора языка меню); Для выбора языка меню выполните следующие действия:; Используйте кнопку
- 25 Выбор источника; Выбор компьютера или источника видеосигнала; На экране отобразится меню.
- 26 Регулировка размера и положения изображения
- 27 Регулятор сдвига по вертикали
- 29 Фокус; Используйте регулятор ФОКУС для получения наилучшего фокуса.; Масштабирование
- 30 Настройте ножку для регулирования наклона; Поднимите и удерживайте настраиваемый рычаг ножки для регу-; Настройка наклона изображения влево и вправо [Задняя; • Поверните заднюю ножку.
- 31 Коррекция трапецеидальных искажений [ТРАПЕЦИЯ]; проектор размещен диагонально по отношению к экрану.; правой) стороне проецируемого изображения.
- 33 Автоматическая оптимизация сигнала компьютера; Настройка изображения с помощью автоматической настройки; Автоматическая оптимизация изображения компьютера. (КОМПЬЮТЕР); Увеличение или уменьшение громкости; Уровень звука из динамика или аудио выхода может быть
- 34 Выключение проектора; Чтобы выключить проектор:; Сначала нажмите на кнопку
- 35 При перемещении проектора; вставлены в проектор.
- 36 Отключение изображения и звука; режения, яркость лампы может не вернуться к исходному уровню.; Фиксация изображения; нажатие возобновит движение.; Увеличение изображения; Увеличение картинки возможно до четырехкратного размера.
- 37 Область увеличенного изображения будет перемещаться; Изменение режима ЭКО/Проверка энергосберегающего эффекта; Постоянно
- 38 Проверка энергосберегающего эффекта [ИЗМЕРЕНИЕ CO2]; РЕЖЕНИЕ] покажет общее значение уменьшения выброса CO
- 39 Перед выполнением коррекции; скорректировать искажение; Угловая коррекция; Нажмите кнопку ТРАПЕЦИЯ без отображения меню.; Отобразится окно УГЛОВАЯ КОРРЕКЦИЯ.
- 41 Подушечка; реформирования подушкообразного искажения.
- 44 Предупреждение несанкционированного использования; Чтобы активировать функцию безопасности:
- 45 Для включения проектора при включенной функции [БЕЗОПАСНОСТЬ]:
- 46 Чтобы отключить функцию БЕЗОПАСНОСТЬ:
- 47 Управление проектором с помощью браузера HTTP; Общий обзор; будут посланы по электронной почте.; Подготовка перед началом работы
- 48 Управление адресом для работы через браузер; сети можно получить, указав; PROJECTOR ADJUSTMENT (НАСТРОЙКА ПРОЕКТОРА)
- 50 • SETTINGS; WIRED LAN
- 54 Использование функции «Просмотр»; Возможности режима Просмотр; Функция Просмотр обладает следующими возможностями.
- 55 ПРИМЕЧАНИЕ
- 56 Проецирование изображений с запоминающего устройства USB; Начало работы режима Просмотр; Вставьте запоминающее устройство USB в USB порт
- 57 Воспользуйтесь кнопкой
- 58 Извлеките запоминающее устройство USB из проекто-; Выход из режима Просмотр; ном слайдов или миниатюр.
- 59 смотра
- 60 Воспользуйтесь кнопкой; Панель инструментов миниатюр
- 61 стрелке; Панель инструментов слайд-шоу
- 62 Использование экранного меню; Использование меню; Для отображения подменю нажимайте кнопки
- 63 Элементы меню
- 64 Список пунктов меню
- 67 камеры для документов.
- 68 цвета по отдельности.
- 69 Каждый режим рекомендуется для следующих целей:; Выбор размера экрана для DICOM SIM [РАЗМЕР ЭКРАНА]
- 70 Эта функция позволяет Вам улучшить цвет изображения.; Настройка параметра Баланс белого [БАЛАНС БЕЛОГО]; служит для настройки уровня черного для экрана.
- 71 Служит для ручной настройки параметров ЧАСЫ и ФАЗА.
- 73 Разрешение
- 74 является стандартным соотношением сторон для видеоисточника.
- 77 цвет отличен от белого.
- 78 текста на изображение проектора в режимах Видео.; Использование таймера выключения [ВЫКЛ ТАЙМЕР]; Оставшееся время отсчитывается в обратном порядке.
- 79 дистанционного управления.; Включение/Выключение сообщения режима экономии [ЭКО СООБЩЕНИЕ]; является заводским предварительно установленным значением.; Выбор цвета или логотипа для фона с помощью параметра [ФОН]; независимо от этого выбора.
- 80 ФРОНТАЛЬНАЯ СО СТОЛА; Включение функции безопасности [БЕЗОПАСНОСТЬ]; Позволяет включать или выключать функцию БЕЗОПАСНОСТЬ.
- 81 УПРАВЛЕНИЕ ПК
- 82 этого Вам нужно дать каждому проектору номер идентификатора.; Присвоение или изменение контроля ID; Нажмите кнопку ID SET на пульте дистанционного управления.
- 83 недоступны при отображении испытательного шаблона.; Выбор автоматической настройки [АВТО НАСТРОЙКА]; ростной режим и режим Большая высота.
- 84 каждым устройством и компьютером.
- 85 устанавливается на проектор
- 86 или корпусе проектора для включения проектора.
- 87 ращаться всякий раз при включении.; Настройка коэффициента углеродистого следа [РАСХОД УГЛЕРОДА]; Изменяет настройки валюты и тарифа для ИЗМЕРЕНИЕ CO2.
- 88 присвоены проектору с Вашего сервера DHCP.
- 90 Чтобы подключиться к серверу DHCP:; Выполните доступ к серверу HTTP для отображения веб-браузера (
- 91 страниц. Информация приводится в следующем порядке:; Запасная лампа
- 95 Могут быть сброшены все элементы,; КРОМЕ
- 96 Установка и подключение; Настройка экрана и проектора; установите примерно на расстоянии 2,6 м от передней части.
- 97 установите примерно на расстоянии 2,7 м от передней части.
- 102 Данный проектор оснащен функцией смещения объектива (
- 103 Согласно «Таблица размеров экрана» (; ПРЕДУПРЕЖДЕНИЕ; ратитесь к дилеру NEC.; Отражение изображения; на корпусе проектора или пульте дистанционного управления. (
- 104 Выполнение подключений; Подключение компьютера; ПРИМЕЧАНИЕ: Для подключения к порту видеосигнала компью
- 105 Активация внешнего экрана компьютера; Предупреждения при использовании сигнала DVI
- 106 емого компьютерного аналогового изображения.
- 107 тора
- 110 ПРИМЕЧАНИЕ: Используйте кабель ЛВС катего
- 111 беспроводной локальной сети в порт USB.; Вставьте устройство беспроводной локальной сети в порт
- 112 * Чтобы удалить устройство USB беспроводной локальной
- 113 полните изменение настройки в экранном меню. (
- 114 в продаже передающему устройству HDBaseT.; Пример соединения
- 116 Техническое обслуживание; Очистка фильтров; или накопление на нем грязи может привести к перегреву проектора.; Нажмите две кнопки, а затем потяните крышку фильтра на; При извлечении блока фильтра возьмитесь за его центр.; Удалите пыль спереди и сзади блока фильтра.
- 117 Установите собранный блок фильтра обратно в корпус про
- 118 Очистка объектива; пластиковую поверхность объектива.; может привести к пожару.; Чистка корпуса; Если он сильно загрязнен, используйте слабое чистящее средство.
- 119 Замена лампы и фильтров; Для заказа запасных ламп укажите тип Вашей лампы – NP44LP.; Порядок замены лампы и фильтров; Замените лампу
- 120 пытайтесь обойти эту блокировку.
- 121 На этом замена лампы заканчивается.
- 122 Нажмите на кнопки слева и справа, а затем потяните; Очистите детали и снаружи и внутри.; Вставьте новый блок фильтра в корпус проектора.
- 123 Наденьте раму крышки фильтра на кнопки до щелчка. Крышка; На этом замена фильтра заканчивается.; Чтобы сбросить время наработки лампы и время наработки фильтров:; Сбросьте время наработки лампы и время наработки фильтров.
- 124 Поиск и устранение неисправностей; Функции индикаторов; Индикатор POWER; Сообщение индикатора (сообщение о состоянии)
- 126 Сообщение индикатора (сообщение об ошибке)
- 127 Высокое
- 128 В этом состоянии РЕЖИМ ОЖИДАНИЯ является НОРМАЛЬНОЕ.
- 129 Типичные неисправности и способы их устранения
- 130 Если изображение отсутствует или отображается неправильно.; или перейдите к следующему шагу)
- 131 Технические характеристики; Оптический; Электрические параметры
- 132 Механические характеристики; Дополнительную информацию можно найти на сайтах:
- 133 Габаритные размеры корпуса
- 134 Прикрепление дополнительной крышки кабеля (NP12CV); Установка крышки кабеля; Необходимый инструмент:
- 135 Снятие крышки кабеля; ка не начнет свободно прокручиваться, затем снимите
- 136 Предназначение штырьков входного разъема D-Sub COMPUTER; Номер кон; зеленому
- 137 Перечень совместимых входных сигналов; Аналоговый RGB
- 138 Коды управления и кабельные соединения ПК; Коды управления ПК; Протокол связи
- 139 Использование компьютерного кабеля (VGA) для управления; Функции управления; Экран виртуального пульта дистанционного управления
- 141 Контрольный перечень возможных неисправностей; решить Вашу проблему.; Частота возникновения; всегда; Прочее
- 143 ЗАРЕГИСТРИРУЙТЕ ВАШ ПРОЕКТОР! (для жителей Соединенных; гарантии на детали, работу и сервисную программу InstaCare.