Посудомоечные машины Maunfeld MLP 08 iN - инструкция пользователя по применению, эксплуатации и установке на русском языке. Мы надеемся, она поможет вам решить возникшие у вас вопросы при эксплуатации техники.
Если остались вопросы, задайте их в комментариях после инструкции.
"Загружаем инструкцию", означает, что нужно подождать пока файл загрузится и можно будет его читать онлайн. Некоторые инструкции очень большие и время их появления зависит от вашей скорости интернета.

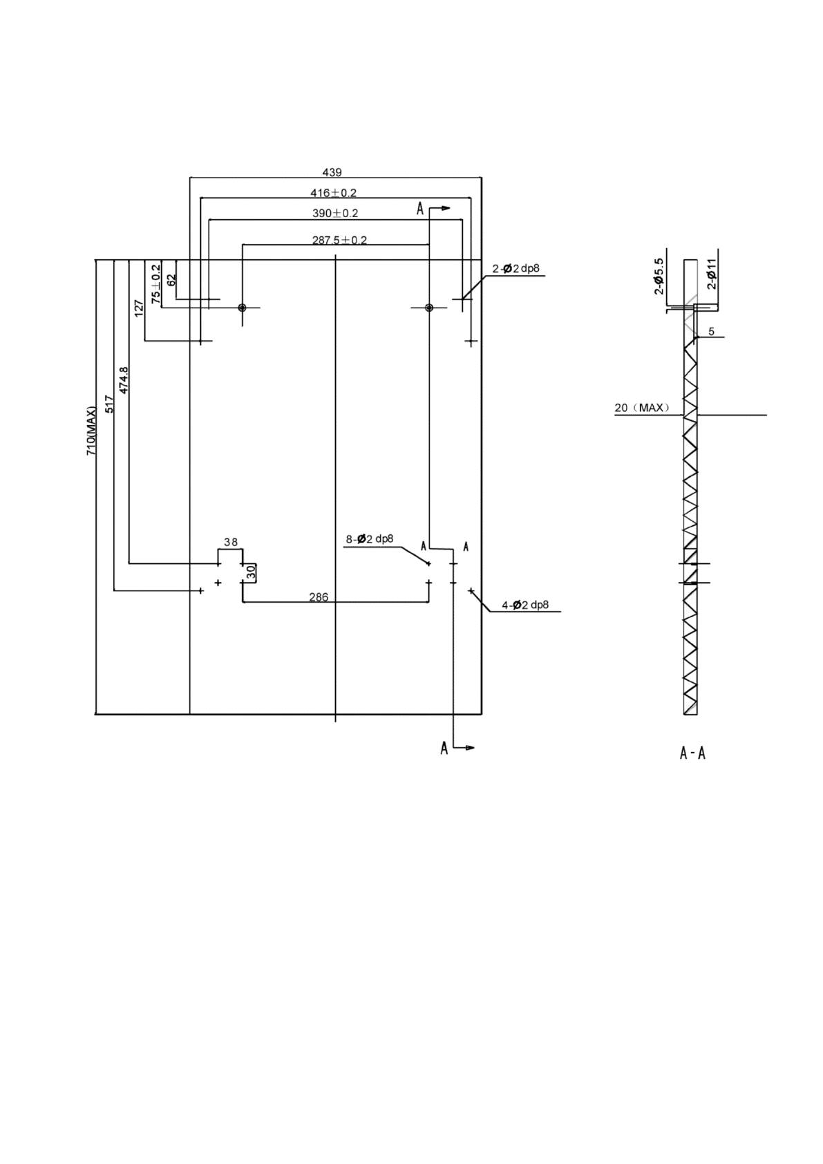
РАЗМЕРЫ И УСТАНОВКА ВНЕШНЕЙ ПАНЕЛИ
1.
Установите внешнюю панель, как это показано на рисунке 3
Внешняя панель должна быть установлена в соответствии с размерами, указанными на рисунке 3.
Установите крюк на внешней панели и вставьте его в отверстие на дверце посудомоечной машины
(рис 4а). Установив панель, закрепите ее на дверце машины при помощи гаек и болтов (рис. 4b).
Характеристики
Остались вопросы?Не нашли свой ответ в руководстве или возникли другие проблемы? Задайте свой вопрос в форме ниже с подробным описанием вашей ситуации, чтобы другие люди и специалисты смогли дать на него ответ. Если вы знаете как решить проблему другого человека, пожалуйста, подскажите ему :)