Посудомоечные машины HOMSair DW66M - инструкция пользователя по применению, эксплуатации и установке на русском языке. Мы надеемся, она поможет вам решить возникшие у вас вопросы при эксплуатации техники.
Если остались вопросы, задайте их в комментариях после инструкции.
"Загружаем инструкцию", означает, что нужно подождать пока файл загрузится и можно будет его читать онлайн. Некоторые инструкции очень большие и время их появления зависит от вашей скорости интернета.

ПОДГОТОВКА К УСТАНОВКЕ
-22-
www.homsair.ru
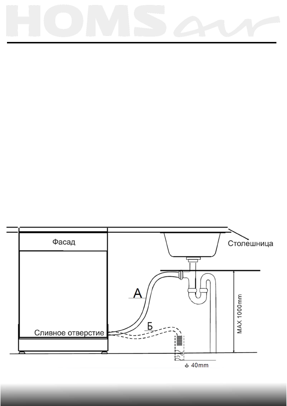
ПОДКЛЮЧЕНИЕ К ДРЕНАЖНОЙ СИСТЕМЕ
•
Разместите и подключите сливной шланг одним из указанных ниже
способов (А или Б).
•
Сливной шланг должен быть правильно установлен, чтобы избежать
протечки воды. Проследите, чтобы на сливном шланге отсутствовали
перегибы и его ничто не пережимало. Конец сливного шланга должен
быть закреплен специальным хомутом и не должен быть погружен
в воду. Проверьте надежность крепления сливного шланга, затяните
крепежный хомут.
•
Для варианта «Б»: вставьте сливной шланг в трубу слива минимального
диаметра 40 мм, используйте пластиковый держатель, идущий
в комплекте. Верхняя часть шланга должна находится на высоте
от 40 до 100 см, но обязательно выше уровня слива, чтобы
отработанная вода не затекала в машину.
Характеристики
Остались вопросы?Не нашли свой ответ в руководстве или возникли другие проблемы? Задайте свой вопрос в форме ниже с подробным описанием вашей ситуации, чтобы другие люди и специалисты смогли дать на него ответ. Если вы знаете как решить проблему другого человека, пожалуйста, подскажите ему :)












