Посудомоечные машины HOMSair DW66M - инструкция пользователя по применению, эксплуатации и установке на русском языке. Мы надеемся, она поможет вам решить возникшие у вас вопросы при эксплуатации техники.
Если остались вопросы, задайте их в комментариях после инструкции.
"Загружаем инструкцию", означает, что нужно подождать пока файл загрузится и можно будет его читать онлайн. Некоторые инструкции очень большие и время их появления зависит от вашей скорости интернета.

ПОДГОТОВКА К УСТАНОВКЕ
-16-
www.homsair.ru
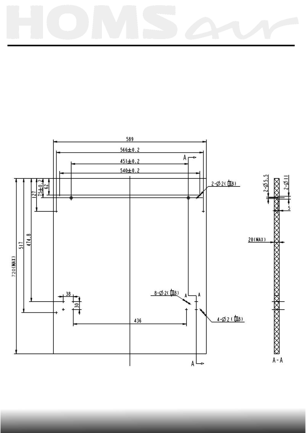
При встраивании посудомоечной машины для установки декоративной
панели (кухонного фасада) на дверцу прибора воспользуйтесь монтажным
трафаретом, который идет в комплекте.
Декоративный кухонный фасад должен соответствовать размерам,
указанным на рисунке (единицы измерения: мм).
УСТАНОВКА ДЕКОРАТИВНОЙ ПАНЕЛИ
Характеристики
Остались вопросы?Не нашли свой ответ в руководстве или возникли другие проблемы? Задайте свой вопрос в форме ниже с подробным описанием вашей ситуации, чтобы другие люди и специалисты смогли дать на него ответ. Если вы знаете как решить проблему другого человека, пожалуйста, подскажите ему :)












