Плита Flama FG 2402 B - инструкция пользователя по применению, эксплуатации и установке на русском языке. Мы надеемся, она поможет вам решить возникшие у вас вопросы при эксплуатации техники.
Если остались вопросы, задайте их в комментариях после инструкции.
"Загружаем инструкцию", означает, что нужно подождать пока файл загрузится и можно будет его читать онлайн. Некоторые инструкции очень большие и время их появления зависит от вашей скорости интернета.

22
11
–1
–1
Установка решетки стола
. Снять решетку с задней стенки плиты, протереть от
пыли и грязи и установить на стол. Для фиксации решетки в столе имеются отверстия
(для плит с проволочной решеткой). Для плит укомплектованных профильной решет
-
кой стола, - надеть на решетку резиновые амортизаторы (по 2 шт. на переднюю и заднюю
сторону рамки).
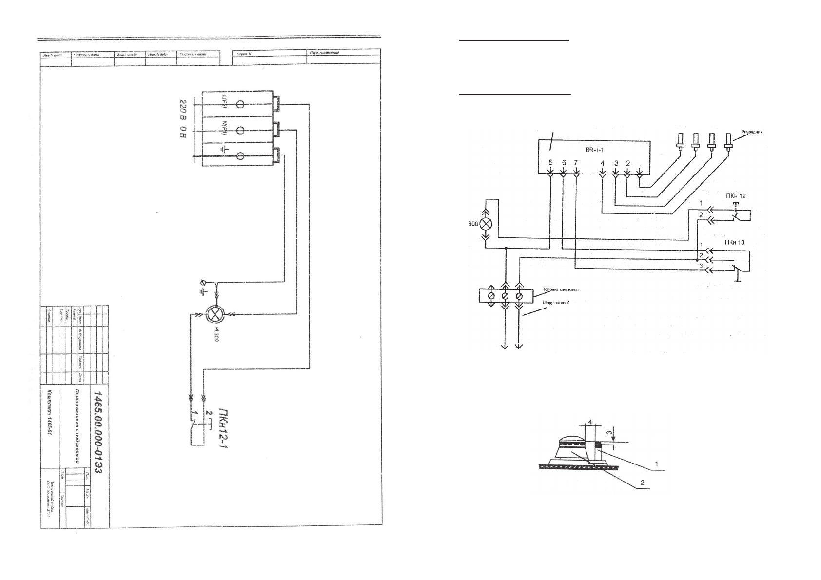
Проверка электропроводки
. Проверить визуально правильность электромонтажных
соединений на плите. В случае разъединения штекеров соединить согласно приведенной
схеме (рис.7).
После закрытия стола отрегулировать зазоры между разрядниками и горелкой соглас
-
но рисунку 8. Зазоры регулируются за счет паза на кронштейне разрядника.
Рис. 7. Схема электрическая принципиальная
Рис. 8.
1 - разрядник, 2 - горелка стола
LH
блок эл. розжига
Характеристики
Остались вопросы?Не нашли свой ответ в руководстве или возникли другие проблемы? Задайте свой вопрос в форме ниже с подробным описанием вашей ситуации, чтобы другие люди и специалисты смогли дать на него ответ. Если вы знаете как решить проблему другого человека, пожалуйста, подскажите ему :)