Patriot PT 47LS PT 320 512109034 - Инструкция по эксплуатации

Patriot PT 47LS PT 320 512109034

Газонокосилка Patriot PT 47LS PT 320 512109034 - инструкция пользователя по применению, эксплуатации и установке на русском языке. Мы надеемся, она поможет вам решить возникшие у вас вопросы при эксплуатации техники.

Если остались дополнительные вопросы — свяжитесь с нами через контактную форму.

1 Страница 1
2 Страница 2
3 Страница 3
4 Страница 4
5 Страница 5
6 Страница 6
7 Страница 7
8 Страница 8
9 Страница 9
10 Страница 10
11 Страница 11
12 Страница 12
13 Страница 13
Страница: / 13

Содержание:

  • Страница 2 – АРТИКУЛ
  • Страница 4 – газонокосилка бензиновая РТ 47 Ls; рисУнок b
  • Страница 5 – рисУнок C
  • Страница 6 – рисУнок D
  • Страница 7 – рисУнок E
  • Страница 8 – рисУнок F
Загрузка инструкции

www.onlypatriot.com

PT 47 LS

газонокосилка бензиновая

АРТИКУЛ: 512 10 9014
EAN8-20011819
РЕЛИЗ: 01.2017

Деталировка изДелия

PR

EMIU

M

GARD

EN

T

OOLS

"Загрузка инструкции" означает, что нужно подождать пока файл загрузится и можно будет его читать онлайн. Некоторые инструкции очень большие и время их появления зависит от вашей скорости интернета.

Краткое содержание

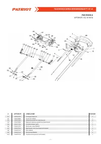
Страница 2 - АРТИКУЛ

– 2 – газонокосилка бензиновая РТ 47 Ls РисУнок A АРТИКУЛ: 512 10 9014 # АРТИКУЛ ОПИСАНИЕ КОЛ-ВО A1 005510739 накладка поручня 1 A2 005510656 Рычаг остановки 1 A3 005510762 зажимная рукоятка треугольная 2 A4 005510658 верхний поручень рукоятки управления 1 A5 005510746 направляющая троса 1 A6 005510...

Страница 4 - газонокосилка бензиновая РТ 47 Ls; рисУнок b

– 4 – газонокосилка бензиновая РТ 47 Ls # АРТИКУЛ ОПИСАНИЕ КОЛ-ВО B1 005510691 корпус/Дека 1 B2 005510787 Уплотнительное кольцо ₵ 11.2X ₵ 2.65 1 B3 005510788 Штуцер/коннектор 1 B4 005510845 гайка коннектора 1 B5 005510790 Фиксатор троса 1 B6 005510696 кронштейн левой ручки 1 B7 005510697 кронштейн п...

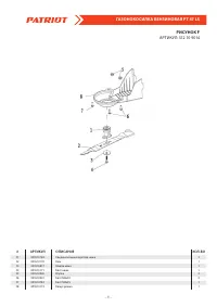
Страница 5 - рисУнок C

– 5 – газонокосилка бензиновая РТ 47 Ls # АРТИКУЛ ОПИСАНИЕ КОЛ-ВО C1 005510714 колесная ось передняя 1 C2 005510715(1) колесо в сборе переднее с подшипниками 2 C4 005510151 гайка колеса M8 2 C5 005510718 колпак переднего колеса 2 C6 005510153 защитный кожух колеса внутренний 2 рисУнок C аРТикУл: 512...

Характеристики

Другие модели - Газонокосилки Patriot

Все газонокосилки Patriot