Страница 38 - Содержание; Перед началом эксплуатации
PУCCKИЙ Содержание - Rus-1 - Перед началом эксплуатации Установка и подключение.............................................................................................................................2Меры безопасности ................................................................................
Страница 39 - Установка и подключение; Проверка микроволновой печи
PУCCKИЙ Установка и подключение - Rus-2 - Проверка микроволновой печи Распакуйте микроволновую печь и удалите упаковочныйматериал. Проверьте печь на наличие такихповреждений и дефектов, как вмятины, неисправностьзапоров дверцы, трещины в дверце. При обнаружениикаких-либо неисправностей сразу же обра...
Страница 40 - Меры безопасности
PУCCKИЙ Меры безопасности - Rus-3 - Назначение микроволновой печи 1. Не используйте печь ни для каких иных целей, кромеприготовления пищи. Эта печь разработанаспециально для разогрева и приготовления пищи. Неиспользуйте печь для разогрева каких-либохимических веществ или непищевых продуктов. 2. Удос...
Страница 41 - Важная информация; ) Время приготовления
PУCCKИЙ Важная информация - Rus-4 - 1) Время приготовления • Время приготовления блюд в сборнике рецептовуказано приблизительно. • Время приготовления зависит от состояния продуктов, их температуры, а также от типаиспользуемой посуды. Во избежание переваривания пищи следует сначалаустанавливать мини...
Страница 42 - Принципиальная схема устройства
PУCCKИЙ Принципиальная схема устройства - Rus-5 - 1 Смотровое окно печи 2 Система блокировки дверцы 3 Ручка открывания дверцы Потяните на себя, чтобы открыть дверцу печи.Если открыть дверцу во время приготовленияпищи, процесс готовки временно прекращается,но ранее сделанные установки не отменяются.В...
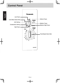
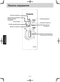
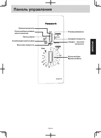
Страница 43 - Панель управления
PУCCKИЙ Панель управления - Rus-6 - Размораживание Ручка выбора режимаприготовления Высокая мощность Ручка выбораВремени/Веса Средняя мощность Средне - высокая мощность Низкая мощность Гриль режим Комбинационный режим Комбинационный режим Низкая мощность Высокая мощность Ручка выбора режимаприготовл...
Страница 44 - (Установка мощности и времени приготовления); Основные операции
PУCCKИЙ Основные операции (Установка мощности и времени приготовления) - Rus-7 - Примечания: 1. Если Вы хотите проверить состояние блюда во время приготовления, просто откройте дверцу. Печь автоматическиостановит процесс приготовления. Для продолжения - закройте дверцу. 2. Чтобы остановить процесс п...
Страница 45 - (Приготовление блюд в режиме Гриль с установкой времени); (Приготовление блюд в режиме Комбинации с установкой времени)
PУCCKИЙ Основные операции (Приготовление блюд в режиме Гриль с установкой времени) - Rus-8 - • Поверните ручку выборарежима приготовления вположение Гриль . • Задайте время приготовления в режиме Гриль повернув ручку выбора Времени/Веса. Если дверцазакрыта, то отсчет времени начнется сразу же. • Зад...
Страница 46 - Перед обращением в сервисный центр; Нормальные явления при работе микроволновой печи:
PУCCKИЙ Перед обращением в сервисный центр - Rus-9 - Нормальные явления при работе микроволновой печи: При включении микроволновой При работе микроволновой печи могут возникать помехи в работе радио и печи возникают помехи в работе телевизоров. Подобные помехи возникают при работе небольших телевизо...
Страница 47 - Уход и техническое обслуживание микроволновой печи
PУCCKИЙ Уход и техническое обслуживание микроволновой печи - Rus-10 - 1. Необходимо постоянно чистить даннуюмикроволновую печь и убирать остатки пищи. 2. Перед чисткой печи выключите ее и отсоедините кабель питания от сетевой розетки. 3. Внутренние поверхности микроволновой печи должны быть чистыми....
Страница 48 - Технические характеристики
PУCCKИЙ Технические характеристики - Rus-11 - Источник электропитания: Потребляемая мощность: Микроволновой режим: Гриль: Выходная мощность: Микроволновой режим*: Гриль: Габаритные размеры (Ш х В х Г): Внутренние размеры (Ш х В х Г): Рабочая частота: Вес без упаковки: 220 В 50 Гц 5,3 А 1125 Вт 4,8 А...
Страница 49 - Введение
PУCCKИЙ Введение - Rus-12 - Приготовление пищи с использованием энергии микроволн Микроволны (СВЧ) - одна из форм высокочастотных электромагнитных колебаний (с длиной волныприблизительно 12 см), сходная с радиоволнами. Электрическая энергия превращается в микроволновую засчет трубки магнетрона. Микр...
Страница 51 - Особенности приготовления пищи в микроволновой печи
PУCCKИЙ Особенности приготовления пищи в микроволновой печи - Rus-14 - Время выдержки перед подачей (устойка) Пища с более плотной структурой, например мясо, картофель в мундире, выпечка требуют некоторого времени после приготовления перед подачей на стол (внутри или вне печи). За это время тепло пр...
Страница 52 - Проверка готовности еды
PУCCKИЙ Особенности приготовления пищи в микроволновой печи - Rus-15 - Покрытие Пища должна быть накрыта крышкой или пищевой пленкой,пригодной для использования вмикроволновой печи. Следуетнакрывать рыбу, овощи, запеканки,супы. Не требуют крышки соусы,выпечка, картофель в мундире,кондитерские издели...
Страница 53 - Разогревание пищи с заданием мощности и времени
PУCCKИЙ Разогревание пищи с заданием мощности и времени - Rus-16 - Разогревание пищи с заданием мощности и времени / Готовые к употреблению замороженные продукты Готовый к употреблению Мощность Время (в мин.) Дополнительные указания замороженный продукт Хлеб и хлебобулочныеизделия 1 кусок хлеба Высо...
Страница 54 - Размораживание; Полезные советы при размораживании
PУCCKИЙ Размораживание - Rus-17 - Благодаря этой функции можноразмораживать продукты, простопредварительно введя их вес.Микроволновая печь самавыберет необходимое времяразморозки основных продуктов.Однако не рекомендуетсяИспользовать эту функцию дляпористых продуктов, напримерхлеба, выпечки и др. Во...
Страница 55 - ехнология размораживания и полезные советы
PУCCKИЙ Т ехнология размораживания и полезные советы - Rus-18 - Подготовка к замораживанию продуктов 1. Для заморозки продуктов подходят плотная пластиковая упаковка, специальные мешочки и пленка. 2. Мясо, птицу и рыбу следует замораживать в упаковке в 1-2 слоя, между слоями нужно проложить 2 кусочк...
Страница 56 - Рекомендации
PУCCKИЙ Рекомендации - Rus-19 - Как адаптировать Ваши любимые рецепты к микроволновой печи Чтобы адаптировать обычные рецепты дляприготовления в микроволновой печи, сократитеобычное время приготовления до четверти илитрети. Например, если для приготовления курицы вумеренно горячей духовке требуется ...
Страница 58 - Ответы на часто задаваемые вопросы
PУCCKИЙ Ответы на часто задаваемые вопросы - Rus-21 - Пища быстро остывает после разогревав микроволновом режиме. Суп выкипает из кастрюли приприготовлении в микроволновом иликомбинированном режимах. Пища слишком долго готовится вмикроволновом режиме. Мясо становится жестким приприготовлении в микро...
Страница 59 - Блюда на каждый день; Каша «Гранола»; Помидоры с чесноком
PУCCKИЙ Блюда на каждый день - Rus-22 - Каша «Гранола» Выход: примерно 4 стакана (1 л) Ингредиенты: 500 мл (2 стакана) овсяных хлопьев165 мл ( 2 / 3 стакана) измельченных орехов 85 мл ( 1 / 3 стакана) пророщенных зёрен пшеницы 60 мл ( 1 / 4 стакана) коричневого сахара 60 мл ( 1 / 4 стакана) мёда 5 м...
Страница 60 - Рыба и морепродукты; Рыба в лимонном соке; Филе лосося с соусом
PУCCKИЙ Рыба и морепродукты - Rus-23 - Указания по приготовлению рыбы и морепродуктов в микроволновой печи Установка мощности и времени приготовления рыбы и морепродуктов в микроволновой печи Рыба в лимонном соке 2 порции Ингредиенты: 300г рыбного филе(можно с кожей)Лимонный сок от половины лимонаСо...
Страница 61 - Птица
PУCCKИЙ Птица - Rus-24 - Указания по приготовлению целой птицы в микроволновой печи Специи добавляются по желанию, но соль только после приготовления. Внешний вид блюда можно улучшить, добавив специальный соус для приданиязолотистого цвета, смешанный с тем жеколичеством масла. Можно приготовить какф...
Страница 62 - Куриная печень в сметане; Чахохбили из курицы
PУCCKИЙ Птица - Rus-25 - Курица по-китайски 4 порции Ингредиенты: 10 сушёных китайских грибов10мл (2 чайных ложки) кунжутного масла1 зубчик чеснока, рубленый500г цыплёнок рубленый10 водных каштанов, рубленых125г ростков бамбука, рубленых15мл (1 столовая ложка) соевого соуса10мл (2 чайных ложки) устр...
Страница 63 - Основные блюда из мяса
PУCCKИЙ Основные блюда из мяса - Rus-26 - Указания по приготовлению мягких частей мяса в микроволновой печи Выбирайте одинаковые по форме куски мяса, чтобыдобиться лучшего результата. Положите мясо на решетку для микроволновой печи,которая устанавливается на блюдо. Кусочкиговядины с выступающими час...
Страница 64 - Говядина в соусе чили; Бефстроганов; Плов со свининой
PУCCKИЙ Основные блюда из мяса - Rus-27 - Говядина в соусе чили 4 порции Ингредиенты: 500 г порубленной на кусочки говядины1 нашинкованная луковица 1 мелко порезанный зубчик чеснока30 г (2ст. ложки) приправы чили 400 мл (1 банка) мякоти консервированныхтоматов 200 г (1 банка) консервированной фасоли...
Страница 65 - Блюда из овощей; Указания по приготовлению различных блюд из овощей
PУCCKИЙ Блюда из овощей - Rus-28 - Приготовление свежих овощей в микроволновой печи Положите овощи в емкость. Добавьте 2-3 столовыеложки воды на каждые 500 г овощей. Посолите водуили добавьте соль по окончании готовки. Не солитесами овощи. Накройте емкость стеклянной крышкойили пленкой. Готовьте на ...
Страница 69 - Песто Феттучини; Рис с овощами
PУCCKИЙ Рис, макароны и каши - Rus-32 - Тортеллини с беконом и луком 4 порции Ингредиенты: 600 г свежих тортеллини1,5 л (6 стаканов) кипятка1 порезанная луковица1 зубчик мелко порубленного чеснока3 кусочка мелко порезанного бекона300 мл (2 стакана) сливок15 мл (1 ст. ложка) сыра пармезан5 мл (1 ч. л...
Страница 70 - Десерты; Пудинг с маслом по-шотландски; Варенье из чёрной смородины
PУCCKИЙ Десерты - Rus-33 - Пудинг с маслом по-шотландски 4-6 порций Ингредиенты: 400 г (1 банка) сладкого сгущённого молока30 г сливочного масла5 мл (1 ч. ложка) ванильной эссенции125 мл ( 1 / 2 стакана) молока 190 мл ( 3 / 4 стакана) просеянной муки 250 мл (1 стакан) коричневого сахара125 мл ( 1 / ...