Осушители воздуха Cooper&Hunter CH-D008WD5-20LD - инструкция пользователя по применению, эксплуатации и установке на русском языке. Мы надеемся, она поможет вам решить возникшие у вас вопросы при эксплуатации техники.
Если остались вопросы, задайте их в комментариях после инструкции.
"Загружаем инструкцию", означает, что нужно подождать пока файл загрузится и можно будет его читать онлайн. Некоторые инструкции очень большие и время их появления зависит от вашей скорости интернета.

16
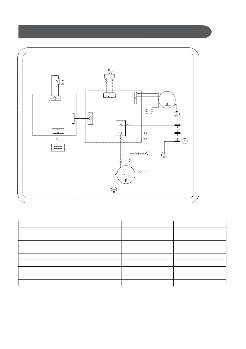
Схема электрическая принципиальная
TUBE
TEMP.SENSOR
RT1
LIQUID LEVEL SWITCH
SA
COM
NO
BU
BN
FAN
FAN
MOTOR
M
AP2 TUBE
CN2
AP1 MAIN BOARD
YEGN
DISPLAY
CN1
CN1
K1
C1
PE
BOARD
ST
CN4
AC-L
COMP_L
N1
RD YE
BN(BK)
BU(WH)
YEGN(GN)
BU
L
N
POWER
HUMIDITY SENSOR
YEGN
PE
C2
C
S
BU
COMP.
R
PE COMP.
Модель
CH-D008W D5-20LD CH-D014W D5-30LD
Производительность
20
30
Потребляемая мощность
Вт
285
500
Температурный диапазон
о
С
+5/+35
+5/+35
Воздушный поток
150/135/125
275/225/200
Емкость резервуара
4,7
7
Уровень звукового давления
дБ/(А)
36/34/33
39/37/35
Вес
кг
15,5
18,5
Габариты(Ш*В*Г)
мм
355*495*280
380*610*285
R134
R134
л/сутки
м
3
/час
л
Тип хладогента
Характеристики
Остались вопросы?Не нашли свой ответ в руководстве или возникли другие проблемы? Задайте свой вопрос в форме ниже с подробным описанием вашей ситуации, чтобы другие люди и специалисты смогли дать на него ответ. Если вы знаете как решить проблему другого человека, пожалуйста, подскажите ему :)