Осушители воздуха Cooper&Hunter CH-D008WD5-20LD - инструкция пользователя по применению, эксплуатации и установке на русском языке. Мы надеемся, она поможет вам решить возникшие у вас вопросы при эксплуатации техники.
Если остались вопросы, задайте их в комментариях после инструкции.
"Загружаем инструкцию", означает, что нужно подождать пока файл загрузится и можно будет его читать онлайн. Некоторые инструкции очень большие и время их появления зависит от вашей скорости интернета.

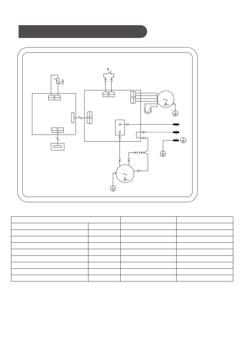
Electric schematic diagram
16
C2
YE
BU
BU
R
S
CN4
ST
HUMIDITY SENSOR
AC-L
YEGN
C1
C
RD
YEGN(GN)
BU(WH)
BN(BK)
CN1
AP2
CN1
FAN
AP1
L
N
COMP.
M
LIQUID LEVEL SWITCH
N1
PE
POWER
FAN
MOTOR
PE
YEGN
PE
COMP_L
SA
COM
NO
BU
BN
CN2
K1
TUBE
RT1
TUBE
TEMP.SENSOR
MAIN BOARD
DISPLAY
BOARD
COMP.
CH-D008W D5-20LD
CH-D014W D5-30LD
L/D
20
30
W
285
500
о
С
+5/+35
+5/+35
150/135/125
275/225/200
L
4,7
7
36/34/33
39/37/35
15,5
18,5
355*495*280
380*610*285
R134
R134
Model
Dehumidifying
Power input
Temperature
Airflow Volume
m
3
/h
Water Tank Volume
Sound Pressure Level
dB(A)
Net Weight
kg
Outline Dimension(W*H*D)
mm
Refrigerant
Характеристики
Остались вопросы?Не нашли свой ответ в руководстве или возникли другие проблемы? Задайте свой вопрос в форме ниже с подробным описанием вашей ситуации, чтобы другие люди и специалисты смогли дать на него ответ. Если вы знаете как решить проблему другого человека, пожалуйста, подскажите ему :)