Oleo-Mac GS 440 18" 5023-9081E2 - Инструкция по эксплуатации

Oleo-Mac GS 440 18

Бензопила Oleo-Mac GS 440 18" 5023-9081E2 - инструкция пользователя по применению, эксплуатации и установке на русском языке. Мы надеемся, она поможет вам решить возникшие у вас вопросы при эксплуатации техники.

Если остались дополнительные вопросы — свяжитесь с нами через контактную форму.

1 Страница 1
2 Страница 2
3 Страница 3
4 Страница 4
5 Страница 5
6 Страница 6
7 Страница 7
8 Страница 8
9 Страница 9
10 Страница 10
11 Страница 11
12 Страница 12
13 Страница 13
Страница: / 13
Загрузка инструкции

GS 440 (Euro 2) Chainsaw

Documents

Engine

Ignition system

Crankcase

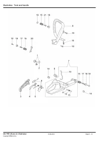
Tank and handle

Clutch and brake

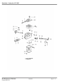
Carburetor WT-780F

GS 440 (Euro 2) Chainsaw

Copyright EMAK S.P.A.

13.08.2019

Page 1 - 13

"Загрузка инструкции" означает, что нужно подождать пока файл загрузится и можно будет его читать онлайн. Некоторые инструкции очень большие и время их появления зависит от вашей скорости интернета.

Характеристики

Другие модели - Бензопилы Oleo-Mac

Все бензопилы Oleo-Mac