Обогреватели ZILON ZVV-0.6Е3M - инструкция пользователя по применению, эксплуатации и установке на русском языке. Мы надеемся, она поможет вам решить возникшие у вас вопросы при эксплуатации техники.
Если остались вопросы, задайте их в комментариях после инструкции.
"Загружаем инструкцию", означает, что нужно подождать пока файл загрузится и можно будет его читать онлайн. Некоторые инструкции очень большие и время их появления зависит от вашей скорости интернета.

14
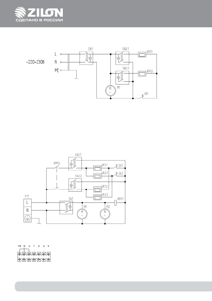
РИС. 3 Схема электрическая ZVV-0.8E5M, ZVV-0.8E5MG
РИС. 2 Схема электрическая ZVV-0.6E3M, ZVV-0.6E3MG
ЕК1 – электронагреватель;
М1 – электродвигатель
SK1 – защитный термостат;
SА1 – сетевой выключатель;
SА2 – выключатель нагревателей;
РИС. 4 Схема подключения
ЕК1, ЕК2 – нагревательные
элементы;
М1, М2
– электродвигатели
SK1, SK2 – защитные термостаты;
КМ1
– электромагнитное реле;
ХТ1
– колодка клеммная.
Содержание
- 3 ТАБЛИЦА 1
- 4 ТАБЛИЦА 2; ТЕХНИЧЕСКИЕ ДАННЫЕ; Технические данные тепловентилятора указаны в таблице 2.; УСТРОЙСТВО И ПРИНЦИП РАБОТЫ
- 5 ПОДГОТОВКА К РАБОТЕ; ТАБЛИЦА 3
- 7 ТРЕБОВАНИЯ БЕЗОПАСНОСТИ
- 8 услугами квалифицированного специалиста или сервис-центра.
- 9 Перечень возможных неисправностей приведен в таблице 4.; ТАБЛИЦА 4
- 10 мается с бесплатного гарантийного обслуживания.
- 11 УТИЛИЗАЦИЯ ПРИБОРА; Товар сертифицирован на территории Таможенного союза органом
- 13 РИС. 4 Схема подключения
- 14 ГАРАНТИЙНЫЙ ТАЛОН; ПОЗДРАВЛЯЕМ ВАС С ПРИОБРЕТЕНИЕМ!
- 16 сохраняется у покупателя; на гарантийное обслуживание













