Обогреватели ZILON ZTV-9 N1 - инструкция пользователя по применению, эксплуатации и установке на русском языке. Мы надеемся, она поможет вам решить возникшие у вас вопросы при эксплуатации техники.
Если остались вопросы, задайте их в комментариях после инструкции.
"Загружаем инструкцию", означает, что нужно подождать пока файл загрузится и можно будет его читать онлайн. Некоторые инструкции очень большие и время их появления зависит от вашей скорости интернета.

13
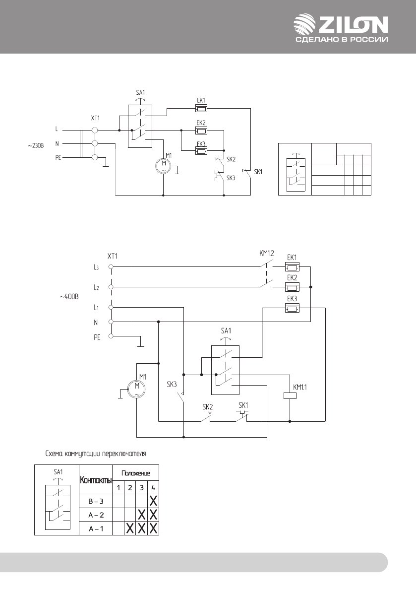
EK1, EK2, ЕК3 - нагревательный элемент
М1 - электродвигатель
SA1 - переключатель
SK1, SK2 - защитный термостат
SK3 - терморегулятор
ХТ1 - клеммная колодка
РИС. 5. СХЕМА ЭЛЕКТРИЧЕСКАЯ ZTV-5 N1
Схема коммутации переключателя
SA1
Контакты
Положение
1 2 3 4
В
- 3
А
- 2
А
- 1
Х Х Х
Х Х
Х
РИС. 5. СХЕМА ЭЛЕКТРИЧЕСКАЯ ZTV-9 N1
EK1, EK2, EK3 - нагревательный элемент
М1 - электродвигатель
KМ1 - электромагнитное реле
SA1 - переключатель режимов работы
SK1 - терморегулятор
SK2 - защитный термостат
SK3 - термостат задержки включения электродвигателя
ХT1 - клеммная колодка













