Обогреватели ZILON ZTV-9 N1 - инструкция пользователя по применению, эксплуатации и установке на русском языке. Мы надеемся, она поможет вам решить возникшие у вас вопросы при эксплуатации техники.
Если остались вопросы, задайте их в комментариях после инструкции.
"Загружаем инструкцию", означает, что нужно подождать пока файл загрузится и можно будет его читать онлайн. Некоторые инструкции очень большие и время их появления зависит от вашей скорости интернета.

12
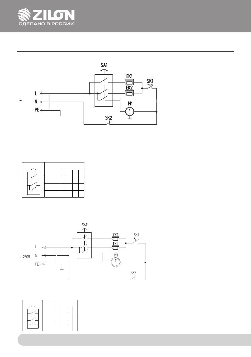
EK1, EK2 - нагревательный элемент
М1 - электродвигатель
SA1 - переключатель режимов работы
SK1 - терморегулятор
SK2 - защитный термостат
EK1, EK2 - нагревательный элемент
М1 - электродвигатель
SA1 - переключатель режимов работы
SK1 - терморегулятор
SK2 - защитный термостат
ПРИЛОЖЕНИЕ
РИС. 4. СХЕМА ЭЛЕКТРИЧЕСКАЯ ZTV-3 N1
РИС. 3. СХЕМА ЭЛЕКТРИЧЕСКАЯ ZTV-2 N1
Схема коммутации переключателя
SA1
Контакты
Положение
1 2 3 4
В
- 3
А
- 2
А
- 1
Х Х Х
Х Х
Х
Схема коммутации переключателя
SA1
Контакты
Положение
1 2 3 4
В- 3
х
А- 2
А- 1
х
х
х
х
х
230В
Схема коммутации переключателя
SA1
Контакты
Положение
1 2 3 4
В- 3
х
А- 2
А- 1
х
х
х
х
х
230В













