Обогреватели Timberk T-HG2-Q11T - инструкция пользователя по применению, эксплуатации и установке на русском языке. Мы надеемся, она поможет вам решить возникшие у вас вопросы при эксплуатации техники.
Если остались вопросы, задайте их в комментариях после инструкции.
"Загружаем инструкцию", означает, что нужно подождать пока файл загрузится и можно будет его читать онлайн. Некоторые инструкции очень большие и время их появления зависит от вашей скорости интернета.

IM2022
18
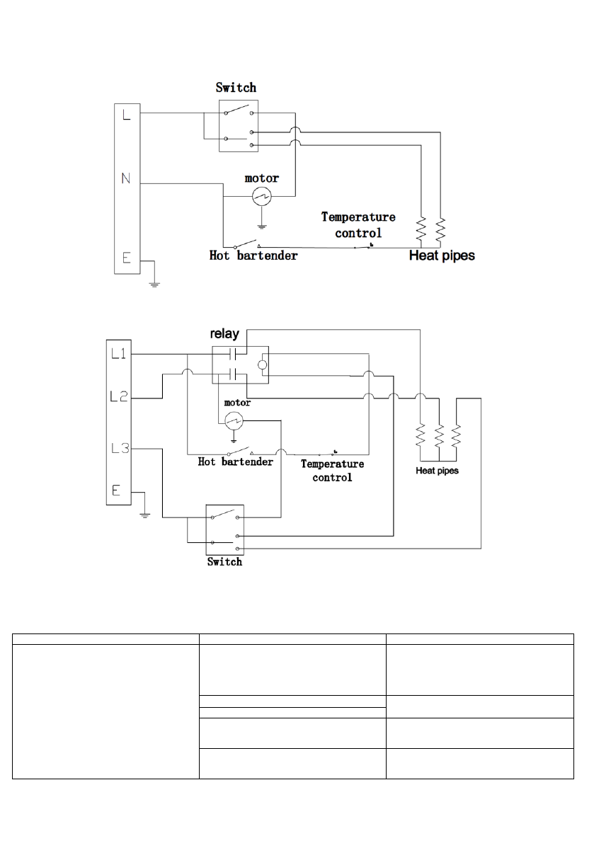
10. WIRING DIAGRAM
Models T-HG2-Q11T, T-HG3-Q11T, T-HG3-Q12T
Models T-HG5-Q12T
11. TROUBLESHOOTING
If it is impossible to fix these malfunctions with these methods, contact the authorized service center.
Malfunction
Possible cause
Solution
The device is connected
to the network but doesn’t work
No power
Check whether the power
supply is disconnected from
the device and, if necessary,
connect device to power supply
Defective operation mode switch
Contact an authorized service
center
Defective motor
Low heating temperature is set on
thermostat
Set the temperature higher on
thermostat by rotating the handle
clockwise
Faulty contact connection in
wiring scheme of electrical circuit
Contact an authorized service
center or restore reliable
contact connection