Обогреватели Термекс Storm 5 ЭдЭБ02032 - инструкция пользователя по применению, эксплуатации и установке на русском языке. Мы надеемся, она поможет вам решить возникшие у вас вопросы при эксплуатации техники.
Если остались вопросы, задайте их в комментариях после инструкции.
"Загружаем инструкцию", означает, что нужно подождать пока файл загрузится и можно будет его читать онлайн. Некоторые инструкции очень большие и время их появления зависит от вашей скорости интернета.
Загружаем инструкцию

23
7.
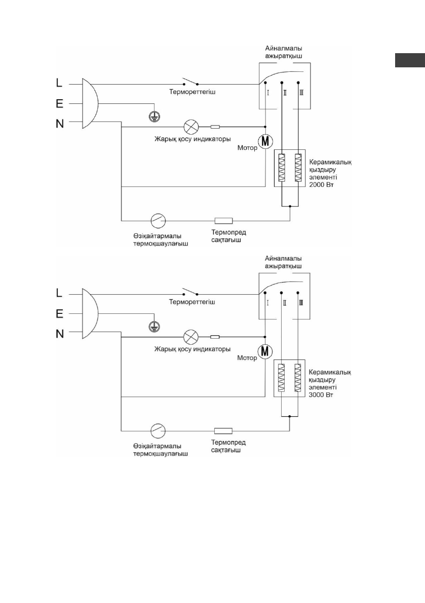
ЭЛЕКТР СХЕМАЛАРЫ
3-сур.
Электр схемасы STORM 2
4-сур.
Электр схемасы STORM 3
ы
KZ
Содержание
- 3 УВАЖАЕМЫЙ ПОКУПАТЕЛЬ!; моделей; RU
- 4 строительных площадках и в теплицах
- 7 УСТРОЙСТВО И НАЗНАЧЕНИЕ ПРИБОРА; ) состоит из корпуса, изготовленного из листовой стали
- 8 УПРАВЛЕНИЕ; Панель управления
- 9 Выберите один из режимов работы прибора и следуйте инструкциям:; Режим прогрева помещения
- 10 ПОИСК И УСТРАНЕНИЕ НЕИСПРАВНОСТЕЙ
- 14 ГАРАНТИЯ ИЗГОТОВИТЕЛЯ; Изготовитель устанавливает срок гарантии на прибор; года; блюдении требований данного руководства –; СЕРТИФИКАЦИЯ И ИЗГОТОВИТЕЛЬ
- 15 Представник виробника в Украiнi:
- 16 ОТМЕТКА О ПРОДАЖЕ; Подпись представителя; продавца
- 47 Wi-Fi Motion Wireless Technology; Wi-Fi Motion — технология, обеспечивающая; Other products with remote control:; Отопление; Водоснабжение
- 48 рядом с Карловыми Варами.; Станьте победителем; Д АРИМ БОНУС ВСЕМ УЧАСТНИК АМ!; Встречай













