Обогреватели Тепломаш КЭВ-П7020A 117003 - инструкция пользователя по применению, эксплуатации и установке на русском языке. Мы надеемся, она поможет вам решить возникшие у вас вопросы при эксплуатации техники.
Если остались вопросы, задайте их в комментариях после инструкции.
"Загружаем инструкцию", означает, что нужно подождать пока файл загрузится и можно будет его читать онлайн. Некоторые инструкции очень большие и время их появления зависит от вашей скорости интернета.
Загружаем инструкцию

14
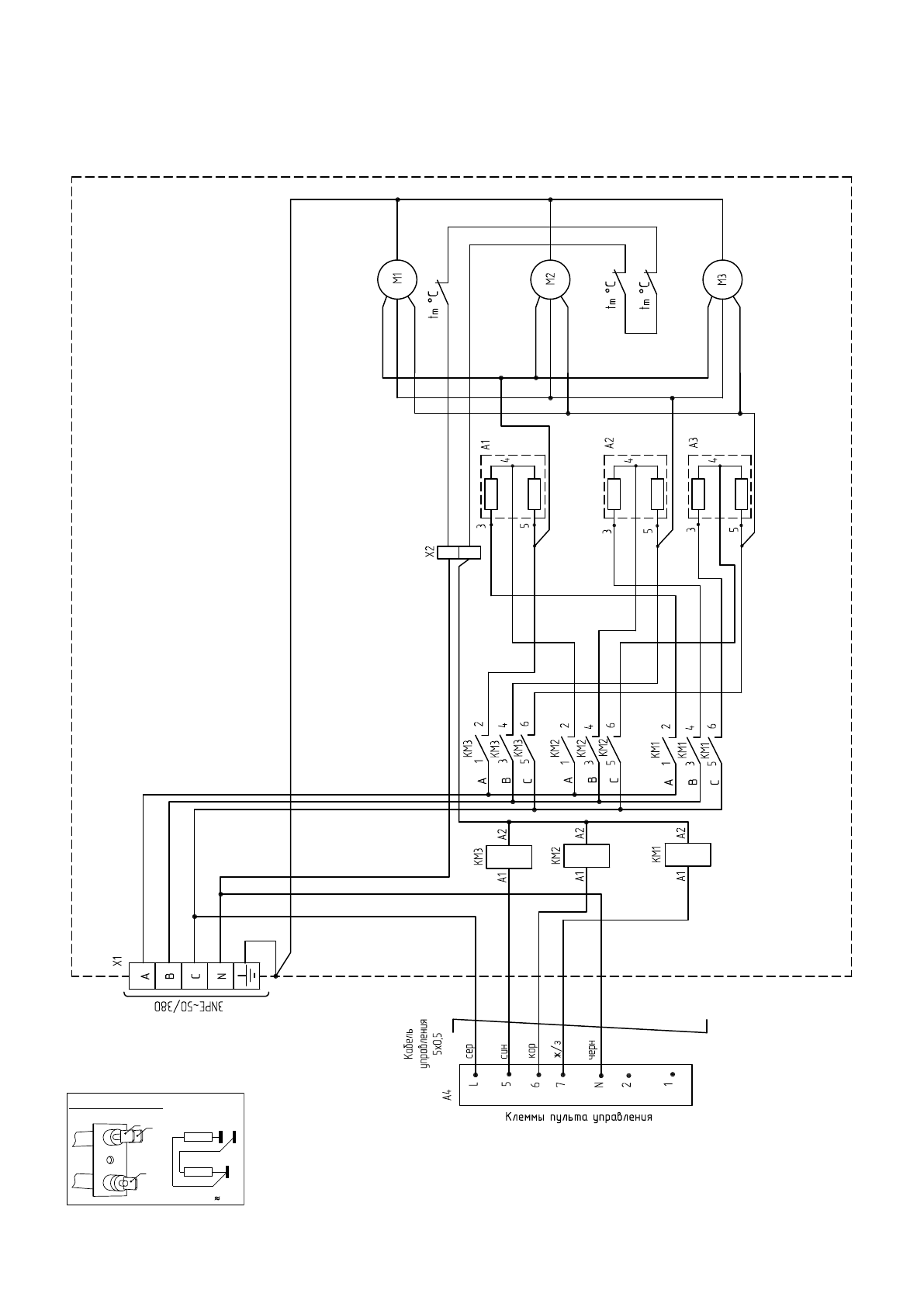
Рисунок 7. Электрическая схема завесы КЭВ-П7020А
3
ТЭН-резистор А1
3
R1
R
2R1
2
R2
4
4
5
5
Содержание
- 4 Вид А
- 7 ТРЕБОВАНИЯ К УСТАНОВКЕ И ПОДКЛЮЧЕНИЮ; Примечание – использовать кабели с многопроволочными жилами
- 10 СВЕДЕНИЯ ОБ УТИЛИЗАЦИИ; Использование непригодной завесы ЗАПРЕЩЕНО!; ВОЗМОЖНЫЕ НЕИСПРАВНОСТИ И СПОСОБЫ ИХ УСТРАНЕНИЯ
- 11 ГАРАНТИЙНЫЕ ОБЯЗАТЕЛЬСТВА
- 12 Рисунок 5. Габаритные и присоединительные размеры
- 15 Ñõåìà ýë. ïðèíöèïèàëüíàÿ; Ëèòåðà; ÍÏÎ «Òåïëîìàø»; Fê; Ñîåäèíèòü ñ êëåììîé; ÀÂ; источником тепла и без источника тепла «БЛОК-WA».
- 16 СВИДЕТЕЛЬСТВО О ПРИЕМКЕ; Дата изготовления; СВИДЕТЕЛЬСТВО О ПОДКЛЮЧЕНИИ; Подключена к сети в соответствии с п.7 Паспорта; СБ